Вернуться на главную
Поиск
Каталоги запчастей к технике
Спецтехника
Брянский Арсенал
ГС-18.05-20 (752-20)
Гидроцилиндр
Каталог запасных частей к технике: Брянский Арсенал ГС-18.05-20 (752-20). Гидроцилиндр
zoom-in
zoom-out
enlarge
shrink
circle-right
circle-left
file-text2
info
cart
Тип техники
Не выбрано
Легковые автомобили
Грузовые автомобили и прицепы
Автобусы
Сельхозтехника
Спецтехника
Двигатели
Мототехника
Марка
Не выбрано
Ammann
BOMAG
CARMIX
CASE IH
Changlin
ChengGong
Dimex
Doosan
DYNAPAC
Foton
HAMM
Hidromek
Hitachi
Hyundai
JCB
JLG
John Deere
Komatsu
LIEBHERR
LiuGong
Lonking (LongGong)
Luneng
MANITOU
Mitsuber
New Holland
PENGPU
RM-Terex
SANY
SDLG
SEM
Shantui
Shehwa HBXG
Soosan
TIGARBO
VOGELE
Volvo
WAY
WIRTGEN
XCMG
XGMA
Xiamen
YTO
Yuchai
Zoomlion
Автокран
АЗСМ
Алтайлесмаш
Амкодор
АОМЗ
Атек
АТЗ
Балканкар Рекорд
БелАЗ
Беловеж
Борекс
Брянский Арсенал
Булат
ВЭКС
ГАЗ
Геомаш
Гидромаш
Донекс
Дормаш
Дормашина
Дорэлектромаш
ДЭЗ
ЕлАЗ
ЗЗГТ
Ижнефтемаш
Канаш-электрокар
КЗКТ
ККЗ
Клевер
Клинцовский автокрановый завод
КМЗ
КМЗ 1 Мая
Ковровец
Коммаш
Кранэкс
КЭЗ
КЭМЗ
ЛЗА
МАЗ
МЗИК
МЗКМ
МЗКТ
Михневский РМЗ
МоАЗ
Мозырский МЗ
МТЗ
ОЗП
Онежец
ПАО "ТЗА"
ППС Детва
Промтрактор
ПТЗ
Раскат
СпецАгрегат
ТВЭКС
ТТМ
УВЗ
Угличмаш
УЗТМ
ХТЗ
ЧЗКМ
ЧСДМ
ЧТЗ
ЭКСКО
ЭКСМАШ
ЮрМаш
Модель
Не выбрано
TG-140 (2014)
TG-140 (2019)
TG-180 (2013)
TG-180 (760-12) (2017)
TG-200 (770.исп.01) (2014)
TG-200 (770.исп.11) (2014)
TG-250 (2014)
TG-250 (2018)
TG-250 (782-80) (2017)
АсфК-3-02 (2010)
ГС-10.01 (2010)
ГС-10.07 (2019)
ГС-14.02 (2003)
ГС-14.02 (2009)
ГС-14.02 (2017)
ГС-14.02 (250-22) (2016)
ГС-14.03 (2009)
ГС-18.05 (2009)
ГС-18.05 (752-10) (2017)
ГС-18.05-20 (752-20) (2020)
ГС-18.07 (2009)
ГС-25.09 (2009)
ДЗ-143
ДЗ-180А (2000)
ФДХС-К-1000-01 (2010)
Схема
>
Не выбрано
Рама
Рама
Тяги управления
Тяги управления
Тяги управления
Оборудование рабочее
Гидроцилиндр
Кронштейн
Цилиндр фиксации
Отвал
Рыхлитель
Рыхлитель
Гидросистема рыхлителя
Гидрораспределитель
Отвал передний
Гидросистема отвала переднего
Установка кожухов
Установка кронштейна
Электрооборудование кабины
Электрооборудование кабины
Электрооборудование кабины
Пульт
Панель
Пульт
Панель
Крышка
Крышка
Установка аккумулятора
Установка выключателя "массы"
Плата предохранителя
Установка датчиков на двигателе
Установка топливного датчика
Установка лампы подкапотной и розетки
Установка передних осветительных и электрических приборов
Установка задних осветительных приборов
Установка фонаря освещения номерного знака
Система отопления кабины
Облицовка
Облицовка
Установка крыла
Установка передних крыльев
Установка лестниц
Блок баков
Блок баков
Фильтр сливной
Установка торсиона
Гидросистема
Гидросистема рамы подмоторной. Схема гидравлическая соединений
Гидросистема рамы подмоторной
Гидросистема рамы подмоторной
Клапан предохранительный
Клапан зарядки
Гидрораспределитель
Коллектор напорный
Гидроусилитель сцепления
Гидросистема рамы передней
Гидросистема рамы передней
Гидросистема рамы передней
Схема гидравлическая соединений
Гидрораспределитель
Блок гидрораспределителей
Гидрораспределитель
Клапан предохранительный
Гидросистема рабочего оборудования
Гидросистема рабочего оборудования
Блок клапанов
Гидросистема тормозов
Гидросистема тормозов
Схема гидравлическая соединений
Клапан разобщительный
Установка педали тормоза
Установка силовая
Установка насоса
Установка двигателя
Система охлаждения
Установка воздухоочистителя
Установка глушителя
Система питания
Система питания
Установка насоса
Кабина
Кабина
Кабина
Установка стекол
Установка стекол
Место рабочее
Установка рычагов
Насос-дозатор
Педаль газа
Фальшпанель
Трансмиссия
Трансмиссия
Трансмиссия
Мост передний
Мост передний
Мост передний
Мост передний
Мост передний
Мост передний
Мост передний
Мост передний
Коробка перемены передач с кронштейнами
Коробка перемены передач
Коробка перемены передач
Коробка перемены передач (установка привода спидометра)
Привод спидометра
Установка датчика заднего хода
Механизм переключения скоростей
Механизм переключения скоростей
Балансиры
Тележка задняя
Тележка задняя
Колесо
Тормоз задних колес
Тормоз задних колес
Тормоз стояночный
1
2
3
4
5
6
7
8
9
10
11
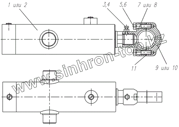
Позиция на иллюстрации
Заводской номер детали
Название детали
1
257.07.02.00.000-00
Гидроцилиндр
2
257.07.02.00.000-01
Гидроцилиндр
3
Болт М10-6gх25.58.016
Болт М10-6gх25.58.016
4
Гайка М10-6Н.5.016
Гайка М10-6Н.5.016
5
Болт М16-6gх65.109.40Х.016
Болт М16-6gх65.109.40Х.016
6
Шайба 16 65Г 016
Шайба
7
257.07.02.00.002
Хомут
8
257.07.02.00.007
Хомут
9
257.07.02.00.001
Хомут
10
257.07.02.00.006
Хомут
11
257.07.02.00.005
Прокладка
Содержащиеся в справочниках-каталогах запасные части и детали не предлагаются к продаже, а носят исключительно информационный характер
Дополнительная информация
×
Название:
Номер:
Примечание: