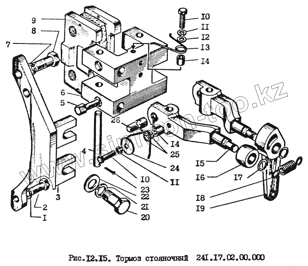
Каталог запасных частей к технике: Брянский Арсенал ГС-14.02. Тормоз стояночный
1
2
3
4
5
6
7
8
9
10
10
11
11
12
13
14
14
15
16
17
18
19
20
21
22
23
24
25
26
| Позиция на иллюстрации | Заводской номер детали | Название детали | |
|---|---|---|---|
| 1 | Шайба 12 65Г | Шайба 12 65Г | |
| 2 | Болт М12х65 | Болт М12х65 | |
| 3 | 241170100000 | Кронштейн | |
| 4 | 241170200014 | Ось | |
| 5 | 241170200008 | Болт | |
| 6 | 241170200001 | Суппорт | |
| 7 | Шайба 14 65Г | Шайба 14 65Г | |
| 8 | 241170000001 | Болт | |
| 9 | 241170202000 | Колодка | |
| 10 | Болт М8х30 | Болт М8х30 | |
| 11 | Шайба 8 65Г | Шайба 8 65Г | |
| 12 | Шайба 8 | Шайба 8 | |
| 13 | 241170200007 | Пружина | |
| 14 | 241170200010 | Втулка | |
| 15 | 241170200002 | Рычаг | |
| 16 | 241170200016 | Ролик | |
| 17 | Кольцо В20 | Кольцо В20 | |
| 18 | 241170200012 | Пружина | |
| 19 | 241170200019 | Рычаг | |
| 20 | 241170000002 | Болт | |
| 21 | Шайба 18 65Г | Шайба 18 65Г | |
| 22 | Шайба 18 | Шайба 18 | |
| 23 | Шплинт 2.5x16 | Шплинт 2.5x16 | |
| 24 | 241170200015 | Шайба | |
| 25 | 241170200013 | Стопор | |
| 26 | 241170200006 | Винт |
Содержащиеся в справочниках-каталогах запасные части и детали не предлагаются к продаже, а носят исключительно информационный характер