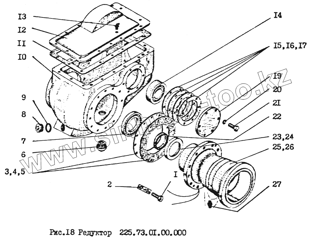
Каталог запасных частей к технике: Брянский Арсенал ГС-14.02. Редуктор
1
2
3
4
5
6
7
8
9
10
11
12
13
14
15
16
17
19
20
21
22
23
24
25
26
27
| Позиция на иллюстрации | Заводской номер детали | Название детали | |
|---|---|---|---|
| 1 | Болт М20x60 | Болт М20x60 | |
| 2 | 225430100032 | Шайба | |
| 3 | 225430100033 | Прокладка | |
| 4 | 225430100033-01 | Прокладка | |
| 5 | 225430100033-02 | Прокладка | |
| 6 | 08771030 | Пробка магнитная | |
| 7 | 46241464635 | Подшипник 2007124 | |
| 8 | 08771019-08 | Пробка | |
| 9 | 08771033 | Прокладка | |
| 10 | 225730101000 | Корпус | |
| 11 | 225430100010 | Прокладка | |
| 12 | 225430100009 | Крышка | |
| 13 | 4158740201 | Масленка 23.90 | |
| 14 | 4624100165 | Подшипник 7615А | |
| 15 | 225430100013 | Прокладка | |
| 16 | 225430100013-01 | Прокладка | |
| 17 | 225430100013-02 | Прокладка | |
| 19 | 225430100006 | Крышка | |
| 20 | Шайба 16.65Г | Шайба 16.65Г | |
| 21 | Болт М16х40 | Болт М16х40 | |
| 22 | Манжета 1.2-100x125 | Манжета 1.2-100x125 | |
| 23 | 225430104101 | Манжетодержатель | |
| 24 | 225430104100 | Манжетодержатель | |
| 25 | 225430104201 | Горловина | |
| 26 | 225430104200 | Горловина | |
| 27 | Масленка 1.3 | Масленка 1.3 |
Содержащиеся в справочниках-каталогах запасные части и детали не предлагаются к продаже, а носят исключительно информационный характер