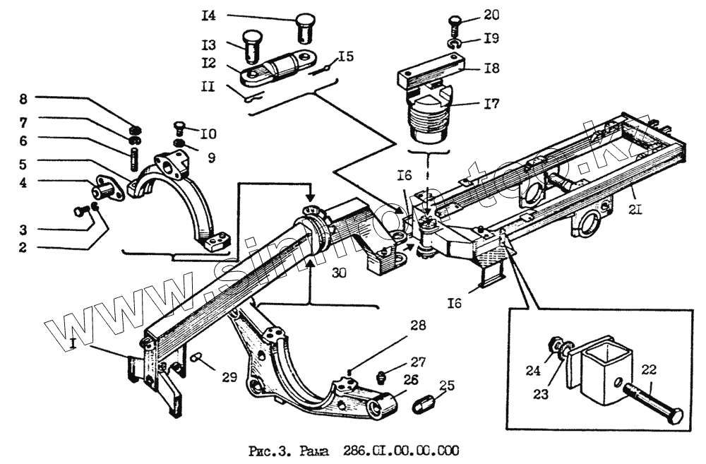
Каталог запасных частей к технике: Брянский Арсенал ГС-14.02. Рама
1
2
3
4
5
6
7
8
9
10
12
13
14
15
16
16
17
18
21
22
23
24
25
26
27
28
29
30
| Позиция на иллюстрации | Заводской номер детали | Название детали | |
|---|---|---|---|
| 1 | 253011200000 | Рама передняя | |
| 2 | 99502053 | Шайба 20.65Г | |
| 3 | 99109240 | Болт М20x50 | |
| 4 | 225810200000 | Цилиндр фиксатора | |
| 5 | 225810100012 | Крышка | |
| 6 | 2254810104001 | Шпилька | |
| 7 | 99502057 | Шайба 30.65Г | |
| 8 | 99401353 | Гайка М30х2 | |
| 9 | 99401376 | Гайка М12 | |
| 10 | 99303057 | Винт М12 | |
| 12 | 240010500000 | Тяга | |
| 13 | 240010000003 | Ось | |
| 14 | 08041088-02 | Ось | |
| 15 | 200010000035 | Защелка | |
| 16 | 262000000100 | Подножка | |
| 17 | 240010000001 | Ось | |
| 18 | 240010000002 | Шпонка | |
| 21 | 286010100000 | Рама подмоторная | |
| 22 | 99109063 | Болт М10х70 | |
| 23 | 99503103 | Шайба 10 | |
| 24 | 99401320 | Гайка М10 | |
| 25 | 225810000004 | Втулка | |
| 26 | 225810100013 | Кронштейн | |
| 27 | 4158740101 | Масленка 1.3 | |
| 28 | 225810102001 | Штифт | |
| 29 | 225810000003 | Втулка | |
| 30 | 225810104000 | Кронштейн |
Содержащиеся в справочниках-каталогах запасные части и детали не предлагаются к продаже, а носят исключительно информационный характер