Вернуться на главную
Поиск
Каталоги запчастей к технике
Спецтехника
Брянский Арсенал
ГС-14.02
Бульдозерное оборудование
Каталог запасных частей к технике: Брянский Арсенал ГС-14.02. Бульдозерное оборудование
zoom-in
zoom-out
enlarge
shrink
circle-right
circle-left
file-text2
info
cart
Тип техники
Не выбрано
Легковые автомобили
Грузовые автомобили и прицепы
Автобусы
Сельхозтехника
Спецтехника
Двигатели
Мототехника
Марка
Не выбрано
Ammann
BOMAG
CARMIX
CASE IH
Changlin
ChengGong
Dimex
Doosan
DYNAPAC
Foton
HAMM
Hidromek
Hitachi
Hyundai
JCB
JLG
John Deere
Komatsu
LIEBHERR
LiuGong
Lonking (LongGong)
Luneng
MANITOU
Mitsuber
New Holland
PENGPU
RM-Terex
SANY
SDLG
SEM
Shantui
Shehwa HBXG
Soosan
TIGARBO
VOGELE
Volvo
WAY
WIRTGEN
XCMG
XGMA
Xiamen
YTO
Yuchai
Zoomlion
Автокран
АЗСМ
Алтайлесмаш
Амкодор
АОМЗ
Атек
АТЗ
Балканкар Рекорд
БелАЗ
Беловеж
Борекс
Брянский Арсенал
Булат
ВЭКС
ГАЗ
Геомаш
Гидромаш
Донекс
Дормаш
Дормашина
Дорэлектромаш
ДЭЗ
ЕлАЗ
ЗЗГТ
Ижнефтемаш
Канаш-электрокар
КЗКТ
ККЗ
Клевер
Клинцовский автокрановый завод
КМЗ
КМЗ 1 Мая
Ковровец
Коммаш
Кранэкс
КЭЗ
КЭМЗ
ЛЗА
МАЗ
МЗИК
МЗКМ
МЗКТ
Михневский РМЗ
МоАЗ
Мозырский МЗ
МТЗ
ОЗП
Онежец
ПАО "ТЗА"
ППС Детва
Промтрактор
ПТЗ
Раскат
СпецАгрегат
ТВЭКС
ТТМ
УВЗ
Угличмаш
УЗТМ
ХТЗ
ЧЗКМ
ЧСДМ
ЧТЗ
ЭКСКО
ЭКСМАШ
ЮрМаш
Модель
Не выбрано
TG-140 (2014)
TG-140 (2019)
TG-180 (2013)
TG-180 (760-12) (2017)
TG-200 (770.исп.01) (2014)
TG-200 (770.исп.11) (2014)
TG-250 (2014)
TG-250 (2018)
TG-250 (782-80) (2017)
АсфК-3-02 (2010)
ГС-10.01 (2010)
ГС-10.07 (2019)
ГС-14.02 (2003)
ГС-14.02 (2009)
ГС-14.02 (2017)
ГС-14.02 (250-22) (2016)
ГС-14.03 (2009)
ГС-18.05 (2009)
ГС-18.05 (752-10) (2017)
ГС-18.05-20 (752-20) (2020)
ГС-18.07 (2009)
ГС-25.09 (2009)
ДЗ-143
ДЗ-180А (2000)
ФДХС-К-1000-01 (2010)
Схема
>
Не выбрано
Кабина
Кабина
Кабина
Кабина
Система отопления кабины
Установка двигателя
Система охлаждения
Блок баков
Установка коробки передач
Коробка передач
Коробка передач
Установка карданных передач
Мост передний
Мост передний
Мост передний
Мост передний
Тележка задняя
Тележка задняя
Тележка задняя
Балансир
Балансир
Балансир
Редуктор
Редуктор
Редуктор
Редуктор
Редуктор
Тележка задняя (с редуктором 240030100000)
Редуктор моста
Горловина в сборе
Водило в сборе
Балансир
Рама
Рычаги и тяги управления
Рычаги и тяги управления
Рычаги и тяги управления
Рычаги и тяги управления. (Привод выключения муфты сцепления)
Колонка рулевая
Колонка рулевая
Тормозок
Тормоз задних колес
Тормоз задних колес
Тормоз задних колес
Тормоз задних колес
Тормоз стояночный
Система тормозов (с гидроаккумулятором)
Система тормозов (с гидроаккумулятором)
Система тормозов (с гидроусилителем)
Система тормозов (с гидроусилителем)
Установка гидрораспределителя (11 секций)
Установка гидрораспределителя (6 секций)
Гидроцилиндр бульдозера
Установка гидроцилиндров подъема отвала и выноса тяговой рамы
Рулевой гидроцилиндр
Гидроцилиндр выноса отвала
Шарнир гидравлический
Электрооборудование автогрейдера (без электрогидрораспределителей)
Схема соединений пульта
Рабочее оборудование
Рабочее оборудование
Круг поворотный
Редуктор поворота отвала
Редуктор поворота отвала
Редуктор поворота отвала
Нож-отвал
Бульдозерное оборудование
Бульдозерное оборудование
Рыхлитель-кирковщик
Цилиндр фиксатора
Схема расположения подшипников
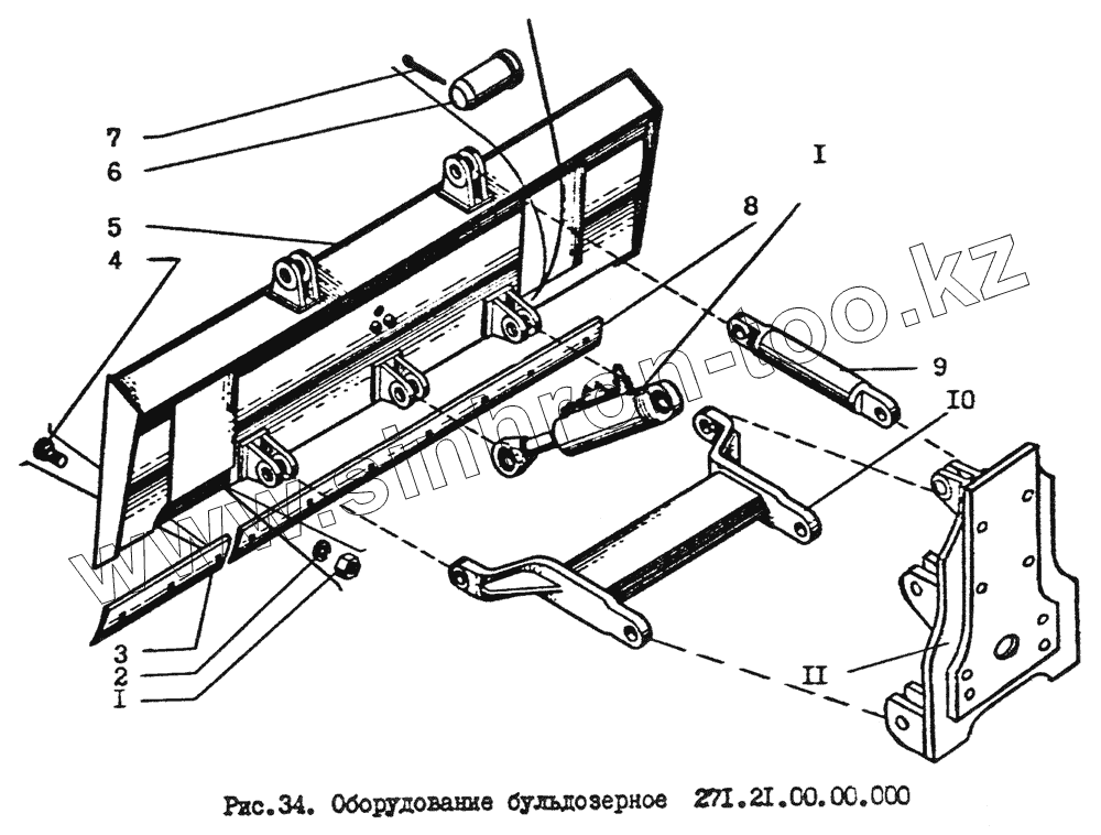
1
2
3
4
5
6
8
9
10
11
Позиция на иллюстрации
Заводской номер детали
Название детали
1
99401326
Гайка М16
2
99502052
Шайба 16.65 Г
3
225210000008
Нож
4
225070400001-02
Болт
5
240211100000
Отвал бульдозера
6
08041088-02
Ось
8
225070400005
Нож ЖР01-180х12х1820
9
225211200000
Тяга
10
253211000000
Рамка
11
253210100000
Опора
Содержащиеся в справочниках-каталогах запасные части и детали не предлагаются к продаже, а носят исключительно информационный характер
Дополнительная информация
×
Название:
Номер:
Примечание: