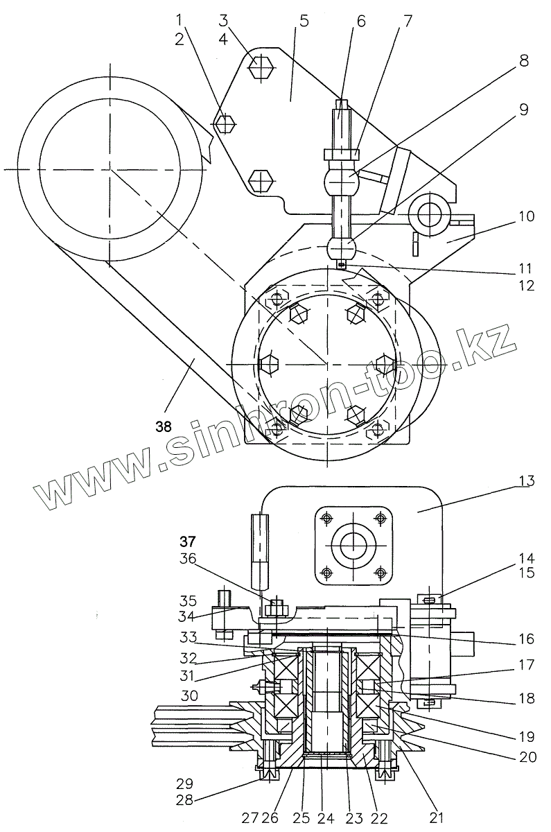
Каталог запасных частей к технике: Брянский Арсенал ГС-14.02. Установка насоса
1
2
3
4
5
6
7
8
9
10
11
12
13
14
15
16
17
18
19
20
21
22
23
24
25
26
27
28
29
30
31
32
33
34
35
36
37
38
| Позиция на иллюстрации | Заводской номер детали | Название детали | |
|---|---|---|---|
| 1 | Болт М10х35 | Болт М10х35 | |
| 2 | Шайба 10.65Г | Шайба 10.65Г | |
| 3 | Болт М14х100 | Болт М14х100 | |
| 4 | Шайба 14.65Г | Шайба 14.65Г | |
| 5 | 250.02.09.01.000 | Кронштейн | |
| 6 | 250.02.02.00.004 | Винт | |
| 7 | 250.02.02.00.002 | Гайка | |
| 8 | 250.02.09.00.001 | Опора | |
| 9 | 250.02.02.00.005 | Опора | |
| 10 | 250.02.09.02.000 | Опора | |
| 11 | Шайба С.8.02. | Шайба | |
| 12 | Шплинт 2,5х16.06 | Шплинт 2,5х16.06 | |
| 13 | 323000 | Насос НШ-32ДКМ-3 | |
| 14 | 250.02.02.00.006 | Ось | |
| 15 | Шплинт 4х36.06 | Шплинт 4х36.06 | |
| 16 | 250.02.09.00.002 | Прокладка | |
| 17 | 250.02.09.00.006 | Втулка | |
| 18 | 250.02.09.00.007 | Втулка | |
| 19 | 4612132711 | Подшипник 210АК | |
| 20 | 97060219 | Манжета1.2-60х85-1 | |
| 21 | 250.02.02.00.010 | Шкив | |
| 22 | 250.02.09.00.003 | Фланец | |
| 23 | 250.02.09.00.004 | Втулка | |
| 24 | 250.02.09.00.008 | Прокладка | |
| 25 | В40 | Кольцо В40 | |
| 26 | 250.02.02.00.008 | Крышка | |
| 27 | 250.02.02.00.005 | Опора | |
| 28 | Болт М10х25 | Болт М10х25 | |
| 29 | Шайба 10.02 | Шайба | |
| 30 | Масленка 1.3 Ц.6 | Масленка | |
| 31 | В50 | Кольцо В50 | |
| 32 | В90 | Кольцо В90 | |
| 33 | В25 | Кольцо В25 | |
| 34 | 250.02.09.00.010 | Прокладка | |
| 35 | 250.02.09.00.010-01 | Прокладка | |
| 36 | Шпилька М10х30.88.016 | Шпилька | |
| 37 | Гайка М10 | Гайка М10 | |
| 38 | 9.07.10.00.030 | Ремень клиновой |
Содержащиеся в справочниках-каталогах запасные части и детали не предлагаются к продаже, а носят исключительно информационный характер