Вернуться на главную
Поиск
Каталоги запчастей к технике
Спецтехника
Брянский Арсенал
ГС-14.02
Установка датчиков на двигателе
Каталог запасных частей к технике: Брянский Арсенал ГС-14.02. Установка датчиков на двигателе
zoom-in
zoom-out
enlarge
shrink
circle-right
circle-left
file-text2
info
cart
Тип техники
Не выбрано
Легковые автомобили
Грузовые автомобили и прицепы
Автобусы
Сельхозтехника
Спецтехника
Двигатели
Мототехника
Марка
Не выбрано
Ammann
BOMAG
CARMIX
CASE IH
Changlin
ChengGong
Dimex
Doosan
DYNAPAC
Foton
HAMM
Hidromek
Hitachi
Hyundai
JCB
JLG
John Deere
Komatsu
LIEBHERR
LiuGong
Lonking (LongGong)
Luneng
MANITOU
Mitsuber
New Holland
PENGPU
RM-Terex
SANY
SDLG
SEM
Shantui
Shehwa HBXG
Soosan
TIGARBO
VOGELE
Volvo
WAY
WIRTGEN
XCMG
XGMA
Xiamen
YTO
Yuchai
Zoomlion
Автокран
АЗСМ
Алтайлесмаш
Амкодор
АОМЗ
Атек
АТЗ
Балканкар Рекорд
БелАЗ
Беловеж
Борекс
Брянский Арсенал
Булат
ВЭКС
ГАЗ
Геомаш
Гидромаш
Донекс
Дормаш
Дормашина
Дорэлектромаш
ДЭЗ
ЕлАЗ
ЗЗГТ
Ижнефтемаш
Канаш-электрокар
КЗКТ
ККЗ
Клевер
Клинцовский автокрановый завод
КМЗ
КМЗ 1 Мая
Ковровец
Коммаш
Кранэкс
КЭЗ
КЭМЗ
ЛЗА
МАЗ
МЗИК
МЗКМ
МЗКТ
Михневский РМЗ
МоАЗ
Мозырский МЗ
МТЗ
ОЗП
Онежец
ПАО "ТЗА"
ППС Детва
Промтрактор
ПТЗ
Раскат
СпецАгрегат
ТВЭКС
ТТМ
УВЗ
Угличмаш
УЗТМ
ХТЗ
ЧЗКМ
ЧСДМ
ЧТЗ
ЭКСКО
ЭКСМАШ
ЮрМаш
Модель
Не выбрано
TG-140 (2014)
TG-140 (2019)
TG-180 (2013)
TG-180 (760-12) (2017)
TG-200 (770.исп.01) (2014)
TG-200 (770.исп.11) (2014)
TG-250 (2014)
TG-250 (2018)
TG-250 (782-80) (2017)
АсфК-3-02 (2010)
ГС-10.01 (2010)
ГС-10.07 (2019)
ГС-14.02 (2003)
ГС-14.02 (2009)
ГС-14.02 (2017)
ГС-14.02 (250-22) (2016)
ГС-14.03 (2009)
ГС-18.05 (2009)
ГС-18.05 (752-10) (2017)
ГС-18.05-20 (752-20) (2020)
ГС-18.07 (2009)
ГС-25.09 (2009)
ДЗ-143
ДЗ-180А (2000)
ФДХС-К-1000-01 (2010)
Схема
>
Не выбрано
Рама
Рама
Кабина
Кабина
Кабина
Установка стекол
Установка стекол
Место рабочее
Место рабочее
Установка педали сцепления
Насос-дозатор
Тормоз ручной
Педаль газа
Установка рычагов
Система отопления кабины
Облицовка
Облицовка
Установка фальшпанелей
Установка передних крыльев
Установка лестниц
Установка крыла
Установка фальшпанелей
Оборудование бульдозерное
Гидрооборудование бульдозера переднего
Оборудование рабочее
Нож-отвал
Редуктор
Шарнир гидравлический
Установка кронштейна
Трансмиссия
Трансмиссия
Установка карданных валов и стояночного тормоза
Мост передний
Мост передний
Коробка перемены передач
Коробка перемены передач
Коробка перемены передач (установка привода спидометра)
Привод спидометра
Механизм переключения скоростей
Механизм переключения скоростей
Тележка
Тележка
Балансир
Система тормозов
Система тормозов
Клапан разобщительный
Установка педали тормоза
Тормоз задних колес
Тормоз задних колес
Тормоз стояночный
Тяги управления
Тяги управления
Установка силовая
Установка воздухоочистителя
Установка глушителя
Установка двигателя
Установка насоса
Установка насоса
Система охлаждения
Тормозок
Система питания
Система питания
Гидросистема
Гидросистема
Гидросистема
Гидросистема рамы подмоторной
Гидросистема рамы подмоторной
Гидросистема рамы подмоторной
Гидрораспределитель
Гидроусилитель сцепления
Клапан зарядки
Фильтр напорный
Фильтр напорный
Установка гидрораспределителей
Гидросистема рамы передней
Гидросистема рамы передней
Гидросистема рамы передней
Гидросистема рамы передней
Гидроцилиндр
Гидроцилиндр выноса тяговой рамы
Гидросистема рабочего оборудования
Гидросистема рабочего оборудования
Блок гидрораспределителей
Электрооборудование кабины
Электрооборудование кабины
Электрооборудование кабины
Пульт
Панель
Пост управления
Панель
Панель
Крышка
Крышка
Установка аккумулятора
Установка выключателя "массы"
Плата предохранителя
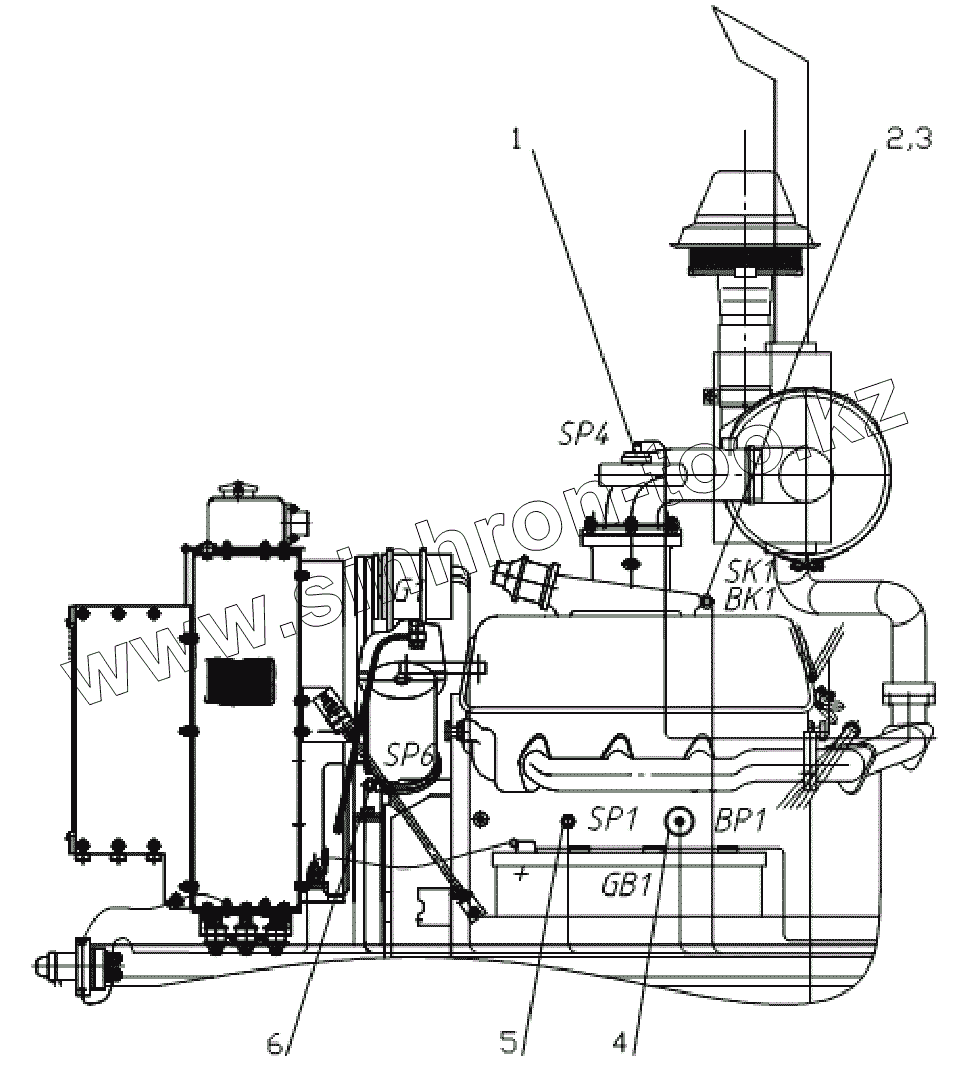
Установка датчиков на двигателе
Установка топливного датчика
Установка лампы подкапотной и розетки
Установка передних осветительных и электрических приборов
Установка задних осветительных приборов
Установка фонаря освещения номерного знака
Сигнал заднего хода
1
2
3
4
5
6
Позиция на иллюстрации
Заводской номер детали
Название детали
1
ДСФ-65
Датчик сигнализации засоренности воздушного фильтра
2
ТМ111-01
Датчик сигнализатора температуры ТМ111-01
3
ТМ 100-В
Датчик ТМ 100-В
4
18.3829010
Датчик 18.3829010
5
2602.3829010
Датчик сигнализатора давления 2602.3829010
6
Датчик сигнализатора засоренности масляного фильтра
Датчик сигнализатора засоренности масляного фильтра
Содержащиеся в справочниках-каталогах запасные части и детали не предлагаются к продаже, а носят исключительно информационный характер
Дополнительная информация
×
Название:
Номер:
Примечание: