Каталог запасных частей к технике: Брянский Арсенал ГС-10.07. Кабина
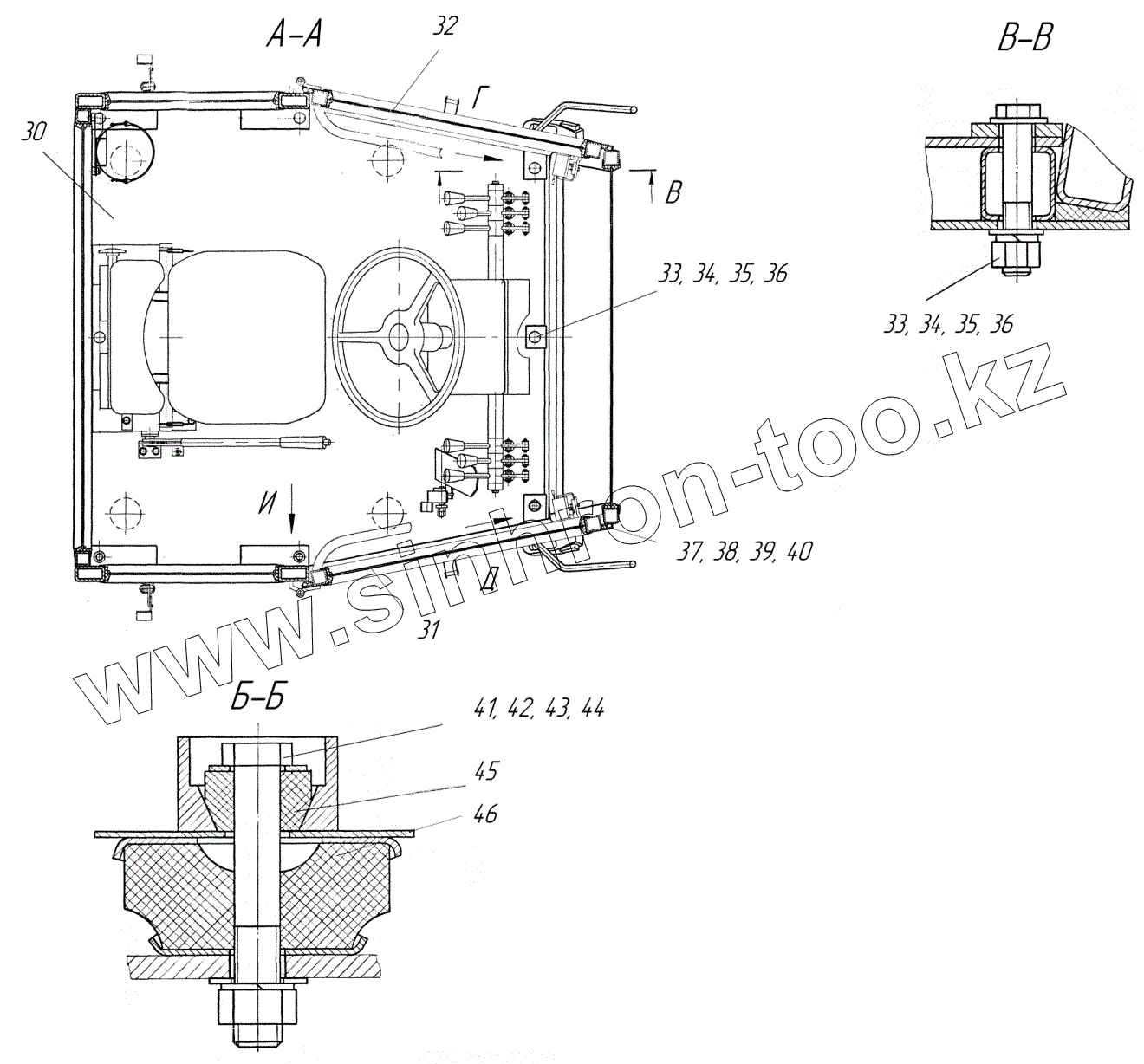
30
31
32
33
33
34
34
35
35
36
36
37
38
39
40
41
42
43
44
45
46
| Позиция на иллюстрации | Заводской номер детали | Название детали | |
|---|---|---|---|
| 1 | 274.04.00.00.001 | Стекло | |
| 2 | 274.04.00.00.009 | Замок | |
| 3 | 274.04.00.00.007 | Уплотнитель | |
| 4 | 225.44.17.01.000 | Крышка | |
| 5 | Винт В.М6х25 | Винт В.М6х25 | |
| 6 | Шайба 6 65Г | Шайба 6 65Г | |
| 7 | 250.04.00.00.021 | Табличка | |
| 8 | 250.04.07.00.000-00 | Кронштейн огнетушителя | |
| 9 | Болт М8х16 | Болт М8х16 | |
| 10 | Шайба 8 65Г | Шайба 8 65Г | |
| 11 | Шайба С.8 | Шайба | |
| 12 | 274.04.00.00.003 | Стекло | |
| 13 | 274.04.00.00.007-02 | Уплотнитель | |
| 14 | 274.04.00.00.009-02 | Замок | |
| 15 | 250.04.00.00.020 | Табличка | |
| 16 | Заклепка самоотрывная 4х6 | Заклепка самоотрывная | |
| 17 | 200.04.28.00.003-01 | Палец | |
| 18 | Шплинт 3,2х25 | Шплинт 3,2х25 | |
| 19 | О.811.0033 | Рым-болт М16 | |
| 20 | 250.04.01.00.005 | Прокладка | |
| 21 | 250.04.00.00.001 | Стекло | |
| 22 | 274.04.00.00.007-01 | Уплотнитель | |
| 23 | 274.04.00.00.009-01 | Замок | |
| 24 | 250.04.06.00.000 | Установка зеркала заднего вида | |
| 25 | 225.44.00.00.011-02 | Уплотнитель | |
| 26 | 225.44.00.00.013-02 | Замок | |
| 27 | 250.04.01.00.000-04 | Каркас | |
| 28 | 250.04.00.00.013 | Пленка | |
| 29 | 225.44.00.00.010-01 | Стекло | |
| 30 | 258.18.02.00.000 | Место рабочее | |
| 31 | 250.04.01.04.000 | Каркас двери | |
| 32 | 250.04.01.04.000-01 | Каркас двери | |
| 33 | Болт М16х90 | Болт | |
| 34 | Гайка М16 | Гайка М16 | |
| 35 | Шайба 16 65Г | Шайба 16 65Г | |
| 36 | Шайба С.16 | Шайба | |
| 37 | 271.04.00.00.003 | Уплотнитель | |
| 38 | 271.04.00.00.003-01 | Уплотнитель | |
| 39 | 271.04.00.00.003-02 | Уплотнитель | |
| 40 | 271.04.00.00.003-03 | Уплотнитель | |
| 41 | Болт М24х150 | Болт М24х150 | |
| 42 | Гайка М24 | Гайка М24 | |
| 43 | Шайба 24 65Г | Шайба 24 65Г | |
| 44 | Шайба С.24 | Шайба С.24 | |
| 45 | 225.44.00.00.005 | Буфер | |
| 46 | 225.44.00.00.001 | Амортизатор | |
| 47 | 80-61.05.330-А1 | Ручка | |
| 48 | 80-61.05.300-А1 | Ручка с ключом | |
| 49 | Винт В.М6х16 | Винт | |
| 50 | Болт 6х50 | Болт | |
| 51 | Шайба С.12 | Шайба | |
| 52 | Шплинт 3,2х25 | Шплинт 3,2х25 | |
| 53 | 274.08.02.00.000-00 | Вилка | |
| 54 | 250.04.03.00.000 | Кронштейн | |
| 55 | 250.04.03.00.000-01 | Кронштейн | |
| 56 | 80-61.03.015 | Винт | |
| 57 | Гайка М6 | Гайка М6 | |
| 58 | 250.04.00.00.002 | Тяга | |
| 59 | 250.04.00.00.002-01 | Тяга | |
| 60 | 250.04.01.02.000-00 | Замок | |
| 61 | 250.04.01.02.000-01 | Замок | |
| 62 | 200.08.00.00.041 | Палец | |
| 63 | Шплинт 2х20 | Шплинт 2х20 | |
| 64 | Шайба С.6 | Шайба С.6 | |
| 65 | Винт ВМ8х25 | Винт | |
| 66 | 80-61.05.170Б | Зацеп | |
| 67 | 250.04.00.00.012 | Шайба | |
| 68 | 250.04.01.00.001 | Шайба | |
| 69 | Болт М8х20 | Болт | |
| 70 | 250.04.00.00.003 | Труба | |
| 71 | 258.18.00.00.003 | Табличка | |
| 72 | 250.04.00.00.010 | Шайба | |
| 73 | Болт М8х55 | Болт М8х55 | |
| 74 | Гайка М8 | Гайка | |
| 75 | 250.04.00.00.015 | Скоба | |
| 76 | 274.04.09.00.000-00 | Установка термошумоизоляции | |
| 77 | 02-0300LDS с воздухораспределителем 35-2200 | Комплект вентилятора | |
| 78 | Винт В.М5х10 | Винт | |
| 79 | Шайба 5 65Г | Шайба 5 65Г | |
| 80 | Шайба С.5 | Шайба | |
| 81 | Саморез с пресс-шайбой 4,2х25 | Саморез с пресс-шайбой |
Содержащиеся в справочниках-каталогах запасные части и детали не предлагаются к продаже, а носят исключительно информационный характер