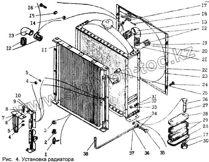
Каталог запасных частей к технике: Брянский Арсенал ДЗ-143. Установка радиатора
1
2
3
4
4
5
5
6
7
8
9
10
11
12
12
13
13
14
15
16
17
17
18
19
20
21
22
23
24
25
26
27
28
28
29
30
31
32
33
34
35
36
37
38
| Позиция на иллюстрации | Заводской номер детали | Название детали | |
|---|---|---|---|
| 1 | 200.02.02.02.000 | Краник спускной | |
| 2 | 200.02.02.00.007 | Переходник | |
| 3 | 200.02.02.00.001 | Прокладка | |
| 4 | Гайка М10-7Н.5С.06 ГОСТ 6402-70 | Гайка М10-7Н.5С.06 ГОСТ 6402-70 | |
| 5 | Шайба | Шайба | |
| 6 | 408.139 | Стойка | |
| 7 | 408.115 | Стойка маслянного радиатора МО4.08.115-3 | |
| 8 | Болт М10-8gх25.46.06 ГОСТ 7796-70 | Болт М10-8gх25.46.06 ГОСТ 7796-70 | |
| 9 | 225.02.10.03.000 | Стойка правая | |
| 10 | 225.02.10.02.000 | Стойка левая | |
| 11 | 408.003 | Радиатор маслянный О4У.08.003 | |
| 12 | 225.02.04.00.001 | Рукав-деталь 58-70.5-90-0,3 (3,0) ОС Г 38.05325-83 | |
| 13 | 225.02.10.00.00201 | Труба | |
| 14 | 0.820.2012 | Гайка | |
| 15 | 0.815.0066 | Шайба | |
| 16 | 0.811.2007 | Винт специальный | |
| 17 | Шайба 12х2.02.Ст3кп.06 ТОСТ 11371-78 | Шайба 12х2.02.Ст3кп.06 ТОСТ 11371-78 | |
| 18 | Шплинт 3,2х25.06 ГОСТ 397-79 | Шплинт 3,2х25.06 ГОСТ 397-79 | |
| 19 | 225.02.04.00.006 | Рукав-деталь 58-70.5-90-0,3 (3,0) ОС Г 38.05325-83 | |
| 20 | 225.02.10.00.001 | Хомут | |
| 21 | 225.02.10.00.002 | Труба | |
| 22 | 413.003 | Редиатор водяной МО4У 13003-1 | |
| 23 | 200.02.02.00.004 | Диффузор | |
| 24 | Болт М8-8gх20.46.06 | Болт М8-8gх20.46.06 | |
| 25 | 225.02.10.01.001 | Переходник | |
| 26 | Болт М12-8gх70.46.08 ГОСТ 7796-70 | Болт М12-8gх70.46.08 ГОСТ 7796-70 | |
| 27 | 225.02.00.00.002 | Втулка | |
| 28 | 225.02.04.00.003 | Накладка | |
| 29 | 225.02.04.00.004 | Подушка | |
| 30 | Гайка М12-7Н.5.06 ГОСТ 5915-70 | Гайка М12-7Н.5.06 ГОСТ 5915-70 | |
| 31 | Шайба 8х1,4.02 Ст3кп.06 ГОСТ 11371-78 | Шайба 8х1,4.02 Ст3кп.06 ГОСТ 11371-78 | |
| 32 | Шайба 8.65Г.06 ГОСТ 6402-70 | Шайба 8.65Г.06 ГОСТ 6402-70 | |
| 33 | Гайка М8-7Н.5.06 ГОСТ 5915-70 | Гайка М8-7Н.5.06 ГОСТ 5915-70 | |
| 34 | 0.815.0012 | Кольцо уплотнительное | |
| 35 | 200.02.00.00.015 | Болт зажимной | |
| 36 | 225.02.08.00.000 | Маслопровод | |
| 37 | 225.02.08.00.00001 | Маслопровод | |
| 38 | 225.02.07.00.000 | Маслопровод |
Содержащиеся в справочниках-каталогах запасные части и детали не предлагаются к продаже, а носят исключительно информационный характер