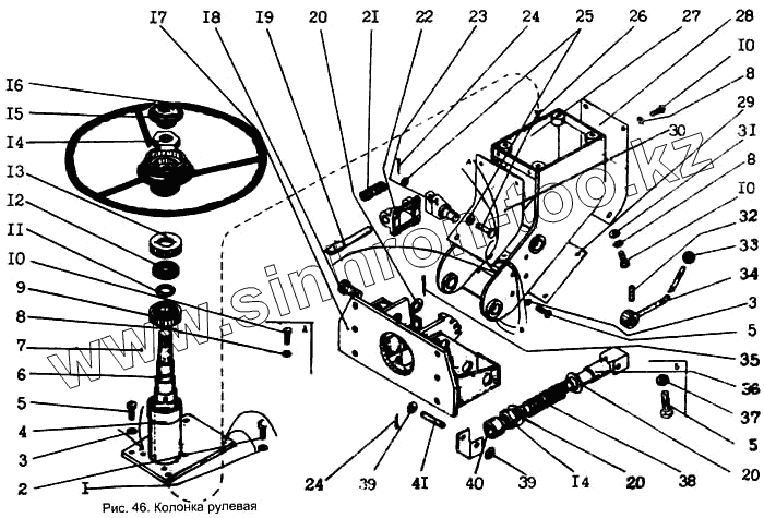
Каталог запасных частей к технике: Брянский Арсенал ДЗ-143. Колонка рулевая
1
2
3
3
4
5
5
5
6
7
8
8
8
9
10
10
10
11
12
13
14
14
15
16
17
18
19
20
20
20
21
22
23
24
24
25
26
27
28
29
30
31
32
33
34
35
36
37
38
39
39
40
41
| Позиция на иллюстрации | Заводской номер детали | Название детали | |
|---|---|---|---|
| 1 | Шайба 8.65Г.06 ГОСТ 6402-70 | Шайба 8.65Г.06 ГОСТ 6402-70 | |
| 2 | Болт М8-8gх30.46.06 ГОСТ 7796-70 | Болт М8-8gх30.46.06 ГОСТ 7796-70 | |
| 3 | Шайба 10.65Г.06 ГОСТ 6402-70 | Шайба 10.65Г.06 ГОСТ 6402-70 | |
| 4 | 225.34.02.11.110 | Колонка | |
| 5 | Болт М10-8gх30.46.06 ГОСТ 7796-70 | Болт М10-8gх30.46.06 ГОСТ 7796-70 | |
| 6 | 225.34.02.01.200 | Вал | |
| 7 | 200.12.00.00.007 | Шпонка сегментная | |
| 8 | Шайба 6.65Г.06 ГОСТ 6402-70 | Шайба 6.65Г.06 ГОСТ 6402-70 | |
| 9 | Подшипник 60206К ГОСТ 7242-81 | Подшипник 60206К ГОСТ 7242-81 | |
| 10 | Болт М6-6gх20.46.06 ГОСТ 7798-70 | Болт М6-6gх20.46.06 ГОСТ 7798-70 | |
| 11 | Кольцо Б30 ГОСТ 13940-80 | Кольцо Б30 ГОСТ 13940-80 | |
| 12 | Манжета 1.2-30х52-1 ГОСТ 8752-79 | Манжета 1.2-30х52-1 ГОСТ 8752-79 | |
| 13 | 200.12.00.00.003 | Гайка | |
| 14 | Гайка М24х2-7Н.8.06 ГОСТ 5916-70 | Гайка М24х2-7Н.8.06 ГОСТ 5916-70 | |
| 15 | 225.34.02.00.002 | Заглушка | |
| 16 | 45.3300.0301 | Колесо рулевое 120-3402015 | |
| 17 | 225.34.02.04.000 | Кронштейн | |
| 18 | 225.34.02.00.001 | Ось | |
| 19 | 225.34.02.10.002 | Фиксатор | |
| 20 | Шайба | Шайба | |
| 21 | 225.34.02.03.002 | Пружина | |
| 22 | 225.34.02.03.001 | Обойма | |
| 23 | 225.34.02.13.000 | Кронштейн | |
| 24 | Шплинт 2,5х16.06 ГОСТ 397-79 | Шплинт 2,5х16.06 ГОСТ 397-79 | |
| 25 | Шайба 8х1,4.02.Ст3кп.06 ГОСТ 11371-78 | Шайба 8х1,4.02.Ст3кп.06 ГОСТ 11371-78 | |
| 26 | 225.34.02.10.003 | Ось | |
| 27 | 225.34.02.12.000 | Корпус | |
| 28 | 225.34.02.00.009 | Крышка | |
| 29 | 225.34.02.00.008 | Крышка | |
| 30 | 225.34.02.00.00901 | Крышка | |
| 31 | Шайба 6х1,4.02.Ст3кп.06 ГОСТ.11371-78 | Шайба 6х1,4.02.Ст3кп.06 ГОСТ.11371-78 | |
| 32 | 225.34.02.10.001 | Штифт | |
| 33 | 0.478.1002 | Ручка шаровая | |
| 34 | 225.34.02.14.000 | Рычаг | |
| 35 | Шплинт 4х40,06 ГОСТ 397-79 | Шплинт 4х40,06 ГОСТ 397-79 | |
| 36 | 225.34.02.09.002 | Втулка | |
| 37 | Гайка М10-6Н.5.06 ГОСТ 5915-70 | Гайка М10-6Н.5.06 ГОСТ 5915-70 | |
| 38 | 225.34.02.09.003 | Пружина | |
| 39 | Шайба 10.02.Ст3кп.06 ГОСТ 11371-78 | Шайба 10.02.Ст3кп.06 ГОСТ 11371-78 | |
| 40 | 225.34.02.09.001 | Стержень | |
| 41 | 225.34.01.00.003 | Ось |
Содержащиеся в справочниках-каталогах запасные части и детали не предлагаются к продаже, а носят исключительно информационный характер