Вернуться на главную
Поиск
Каталоги запчастей к технике
Спецтехника
Брянский Арсенал
ДЗ-143
Кабина (Продолжение 4)
Каталог запасных частей к технике: Брянский Арсенал ДЗ-143. Кабина (Продолжение 4)
zoom-in
zoom-out
enlarge
shrink
circle-right
circle-left
file-text2
info
cart
Тип техники
Не выбрано
Легковые автомобили
Грузовые автомобили и прицепы
Автобусы
Сельхозтехника
Спецтехника
Двигатели
Мототехника
Марка
Не выбрано
Ammann
BOMAG
CARMIX
CASE IH
Changlin
ChengGong
Dimex
Doosan
DYNAPAC
Foton
HAMM
Hidromek
Hitachi
Hyundai
JCB
JLG
John Deere
Komatsu
LIEBHERR
LiuGong
Lonking (LongGong)
Luneng
MANITOU
Mitsuber
New Holland
PENGPU
RM-Terex
SANY
SDLG
SEM
Shantui
Shehwa HBXG
Soosan
TIGARBO
VOGELE
Volvo
WAY
WIRTGEN
XCMG
XGMA
Xiamen
YTO
Yuchai
Zoomlion
Автокран
АЗСМ
Алтайлесмаш
Амкодор
АОМЗ
Атек
АТЗ
Балканкар Рекорд
БелАЗ
Беловеж
Борекс
Брянский Арсенал
Булат
ВЭКС
ГАЗ
Геомаш
Гидромаш
Донекс
Дормаш
Дормашина
Дорэлектромаш
ДЭЗ
ЕлАЗ
ЗЗГТ
Ижнефтемаш
Канаш-электрокар
КЗКТ
ККЗ
Клевер
Клинцовский автокрановый завод
КМЗ
КМЗ 1 Мая
Ковровец
Коммаш
Кранэкс
КЭЗ
КЭМЗ
ЛЗА
МАЗ
МЗИК
МЗКМ
МЗКТ
Михневский РМЗ
МоАЗ
Мозырский МЗ
МТЗ
ОЗП
Онежец
ПАО "ТЗА"
ППС Детва
Промтрактор
ПТЗ
Раскат
СпецАгрегат
ТВЭКС
ТТМ
УВЗ
Угличмаш
УЗТМ
ХТЗ
ЧЗКМ
ЧСДМ
ЧТЗ
ЭКСКО
ЭКСМАШ
ЮрМаш
Модель
Не выбрано
TG-140 (2014)
TG-140 (2019)
TG-180 (2013)
TG-180 (760-12) (2017)
TG-200 (770.исп.01) (2014)
TG-200 (770.исп.11) (2014)
TG-250 (2014)
TG-250 (2018)
TG-250 (782-80) (2017)
АсфК-3-02 (2010)
ГС-10.01 (2010)
ГС-10.07 (2019)
ГС-14.02 (2003)
ГС-14.02 (2009)
ГС-14.02 (2017)
ГС-14.02 (250-22) (2016)
ГС-14.03 (2009)
ГС-18.05 (2009)
ГС-18.05 (752-10) (2017)
ГС-18.05-20 (752-20) (2020)
ГС-18.07 (2009)
ГС-25.09 (2009)
ДЗ-143
ДЗ-180А (2000)
ФДХС-К-1000-01 (2010)
Схема
>
Не выбрано
Кабина
Кабина (Продолжение 1)
Кабина (Продолжение 2)
Кабина (Продолжение 3)
Кабина (Продолжение 4)
Система отопления кабины
Установка двигателя
Установка радиатора
Установка шторки радиатора
Редуктор
Редуктор (Продолжение 1)
Редуктор (Продолжение 2)
Редуктор (Продолжение 3)
Редуктор (Продолжение 4)
Установка коробки переменных передач
Установка карданных передач
Мост передний (общий вид)
Тележка задняя (Балка моста)
Рама основная
Тележка задняя
Балансир
Балансир (Продолжение 1)
Балансир (Продолжение 2)
Мост передний (Установка цилиндров)
Мост передний (Рулевые тяги)
Мост передний (Колесо и ступица)
Тележка задняя (Колесо и ступица)
Колонка рулевая
Колонка рулевая (Продолжение)
Тормоз задних колес
Тормоз задних колес (Продолжение1)
Тормоз задних колес (Продолжение2)
Тормоз задних колес (Продолжение3)
Система тормозная
Система тормозная (Продолжение1)
Электрооборудование
Электрооборудование (Продолжение)
Блок-фара
Блок-фара (Продолжение)
Пульт управления
Панель приборная
Гидросистема
Гидросистема (Продолжение1)
Гидросистема (Продолжение2)
Гидросистема (Продолжение3)
Гидросистема (Продолжение4)
Гидросистема (Продолжение5)
Гидросистема (Продолжение6)
Цилиндр фиксатора
Распределитель
Гидроцилиндр
Гидроцилиндр (Продолжение1)
Гидроцилиндр (Продолжение2)
Гидроцилиндр (Продолжение3)
Шарнир гидравлический
Оборудование рабочее
Оборудование рабочее (Продолжение1)
Круг поворотный
Редуктор
Редуктор (Продолжение1)
Редуктор (Продолжение2)
Нож-отвал
Оборудование бульдозерное
Оборудование бульдозерное (Продолжение1)
Рыхлитель-кирковщик
Рыхлитель-кирковщик (Продолжение1)
Схема расположения подшипников
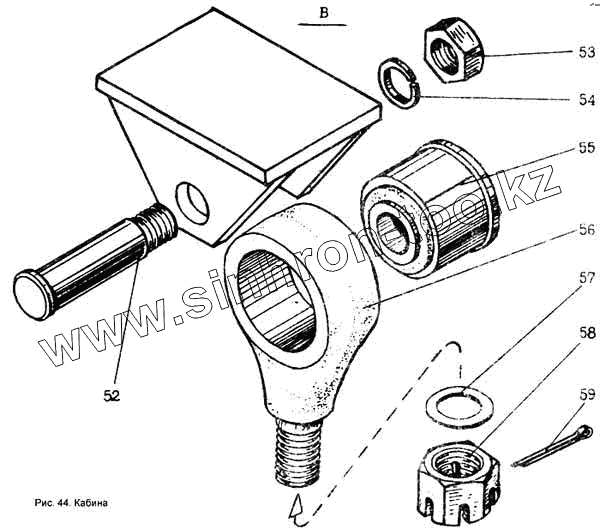
52
53
54
55
56
57
58
59
Позиция на иллюстрации
Заводской номер детали
Название детали
52
225.34.00.00.001
Палец
53
Гайка М30х2.6Н.8.35.06
Гайка М30х2.6Н.8.35.06
54
Шайба 30.65Г.06 ГОСТ 6402-70
Шайба 30.65Г.06 ГОСТ 6402-70
55
225.34.03.01.000
Амортизатор
56
225.34.03.00.001
Опора
57
Шайба 30х4,02Ст3кп.06
Шайба 30х4,02Ст3кп.06
58
Гайка М30х2,8.06
Гайка М30х2,8.06
59
Шплинт
Шплинт
Содержащиеся в справочниках-каталогах запасные части и детали не предлагаются к продаже, а носят исключительно информационный характер
Дополнительная информация
×
Название:
Номер:
Примечание: