Вернуться на главную
Поиск
Каталоги запчастей к технике
Спецтехника
BOMAG
BW 24RH
Turbocharger
Каталог запасных частей к технике: BOMAG BW 24RH. Turbocharger
zoom-in
zoom-out
enlarge
shrink
circle-right
circle-left
file-text2
info
cart
Тип техники
Не выбрано
Легковые автомобили
Грузовые автомобили и прицепы
Автобусы
Сельхозтехника
Спецтехника
Двигатели
Мототехника
Марка
Не выбрано
Ammann
BOMAG
CARMIX
CASE IH
Changlin
ChengGong
Dimex
Doosan
DYNAPAC
Foton
HAMM
Hidromek
Hitachi
Hyundai
JCB
JLG
John Deere
Komatsu
LIEBHERR
LiuGong
Lonking (LongGong)
Luneng
MANITOU
Mitsuber
New Holland
PENGPU
RM-Terex
SANY
SDLG
SEM
Shantui
Shehwa HBXG
Soosan
TIGARBO
VOGELE
Volvo
WAY
WIRTGEN
XCMG
XGMA
Xiamen
YTO
Yuchai
Zoomlion
Автокран
АЗСМ
Алтайлесмаш
Амкодор
АОМЗ
Атек
АТЗ
Балканкар Рекорд
БелАЗ
Беловеж
Борекс
Брянский Арсенал
Булат
ВЭКС
ГАЗ
Геомаш
Гидромаш
Донекс
Дормаш
Дормашина
Дорэлектромаш
ДЭЗ
ЕлАЗ
ЗЗГТ
Ижнефтемаш
Канаш-электрокар
КЗКТ
ККЗ
Клевер
Клинцовский автокрановый завод
КМЗ
КМЗ 1 Мая
Ковровец
Коммаш
Кранэкс
КЭЗ
КЭМЗ
ЛЗА
МАЗ
МЗИК
МЗКМ
МЗКТ
Михневский РМЗ
МоАЗ
Мозырский МЗ
МТЗ
ОЗП
Онежец
ПАО "ТЗА"
ППС Детва
Промтрактор
ПТЗ
Раскат
СпецАгрегат
ТВЭКС
ТТМ
УВЗ
Угличмаш
УЗТМ
ХТЗ
ЧЗКМ
ЧСДМ
ЧТЗ
ЭКСКО
ЭКСМАШ
ЮрМаш
Модель
Не выбрано
BC772RB-2 (2017)
BF 300 C S340 TV
BM1300-30-2 (2011)
BW 211D-40
BW 24R (2007)
BW 24RH (2012)
BW120AD-5 (2017)
BW211D-40 (2007)
Схема
>
Не выбрано
Engine Parts List TCD2012L04
Crankcase
Crankcase
Crankcase
Crankcase
Crankcase
Crankcase
Crankcase
Crankcase
Crankcase
Crankcase
Crankcase
Oil Pan
Cylinder And Piston
Cylinder And Piston
Crankshaft
Crankshaft
Crankshaft
Crankshaft
Crankshaft
Crankshaft
Cylinder Head
Cylinder Head
Cylinder Head
Cylinder Head
Camshaft
Control Pieces
Control Pieces
Oil And Fuel Filter
Oil And Fuel Filter
Lube Oil Cooler
Lube Oil Cooler
Lube Oil Cooler
Lube Oil Cooler
Lube Oil Cooler
Lube Oil Cooler
Lube Oil Cooler
Lube Oil Tube
Injection Pump
Injection Pump
Injection Pump
Injection Valve
Injection Valve
Fuel Pipes
Fuel Pipes
Fuel Pipes
Fuel Pipes
Fuel Pipes
Fuel Pipes
Suction Pipe And Exhaust
Suction Pipe And Exhaust
Throttle Control
Throttle Control
Throttle Control
Throttle Control
Throttle Control
Throttle Control
Air Compressor
Air Compressor
Air Compressor
Air Compressor
Air Compressor
Cooling Blower
Cooling Blower
Cooling Blower
Cooling Blower
Cooling Blower
Cooling Blower
Cooling Blower
Cooling Blower
Cooling Blower
Turbocharger
Turbocharger
Turbocharger
Turbocharger
Turbocharger
Turbocharger
Turbocharger
Turbocharger
Generator And Starter
Generator And Starter
Generator And Starter
Generator And Starter
Generator And Starter
Generator And Starter
Engine Mounts
Engine Mounts
Engine Mounts
Engine Mounts
Engine Mounts
Engine Mounts
Engine Mounts
Electrical Equipment
Electrical Equipment
Electrical Equipment
Electrical Equipment
Electrical Equipment
Electrical Equipment
Connecting Housing
Connecting Housing
Connecting Housing
Connecting Housing
Engine Shut Off
Engine Shut Off
Hydraulic Pump
Hydraulic Pump
Hydraulic Pump
Hydraulic Pump
Seal Kit
Fuel Lift Pump
Boost Fuel Supply
Boost Fuel Supply
Boost Fuel Supply
Water Cooling
Water Cooling
Water Cooling
Water Cooling
Water Cooling
Water Cooling
Engine
Engine
Pump Mounting
Pump Mounting
Air Filter
Exhaust System
Exhaust System
Radiator System
Radiator System
Radiator System
Fuel Prefilter
Dry Air Filter
Clutch
Combination radiator
Power Transmission / Actuation
Wheel Drive
Wheel Drive
Actuation
Transmission
Transmission
Transmission
Transmission
Brake system
Brake System
Brake System
Brake System
Steering System
Steering
Steering
Steering
Steering
Steering
Frame with Attachment Parts
Frame
Frame
Frame
Noise Insulation
Hood
Hood
Fuel Tank
Fuel Tank
Hydraulic Oil Tank
Hydraulic Oil Tank
Water Tank
Oil Tank
Scraper
Scraper
Sprinkler System
Sprinkler System
Sprinkler System
Operators Platform
Operators Platform
Operators Platform
Seat Support
Seat Support
Operator's Seat
Operator's Seat
Water Pump
Drum /Tyres
Smooth Tyre
Electrical System
Central electric
Battery
Dashboard
Dashboard
Electrical Equipment
Central electric, assembled
Central electric, assembled
Central electric, assembled
Wiring Harness
Wiring Harness
Wiring Harness
Wiring Harness
Wiring Harness
Hydraulic
Hydraulic, Travel System
Hydraulic, Travel System
Hydraulic, Travel System
Hydraulic, Travel System
Hydraulic, Travel System
Brake Valve
Hydraulics, Steering
Hydraulics, Steering
Priority Valve
Hydraulic Filter
Hydraulic Pump
Hydraulic Pump
Hydraulic Motor
Hydraulic Motor
Hydraulic Motor
Hydraulic Motor
Hydraulic Motor
Hydraulic Motor
Hydraulic Motor
Hydraulic Motor
Hydraulic Motor
Way Valve
Hydraulic Oil Filter
Priority Valve
Filter, Hydraulic Oil
Hydraulic Cylinder
Control Block
Filling strainer
Steering Pump
Valve Block
M35-Winter package
M35-Winter package
M35-Winter package
S5-ROPS-FOPS
S5-ROPS-FOPS
S5-ROPS-FOPS
S3-Sun roof
S3-Sun roof
S3-Sun roof
E21-Radio
FS10-Railing
FS10-Railing
FS10-Railing
SP1-TUV-Approval
S18-Cabin with air cond.
S18-Cabin with air cond.
S18-Cabin with air cond.
S18-Cabin with air cond.
S18-Cabin with air cond.
S1-Cabin with heating
S1-Cabin with heating
S1-Cabin with heating
RA12-Frame-waterproof
J16-Ballast.weight 4800 kg
J17-Ballast.weight 3200 kg
J18-Ballast.weight 1600 kg
J23-Ballast resin 10400kg
T4-Thermical apron
T4-Thermical apron
T4-Thermical apron
T4-Thermical apron
Vandalism protection, assembled
Q10-Coco mats with scraper
Q10-Coco mats with scraper
Q10-Coco mats with scraper
Q10-Coco mats with scraper
Q11-Scraper with brush
Q11-Scraper with brush
Q11-Scraper with brush
Q11-Scraper with brush
SL12-Decals USA
Cab
Cab
Cab
Cab
Cab
Cab
Cab
Cab
Cab
Cab
Cab
Cab
Heating Unit
Heating Unit
Heating climatic unit
Heating climatic unit
Wiper motor
T91-Profiled tyre
T91-Profiled tyre
T3-Tyre Inflator
T3-Tyre Inflator
T3-Tyre Inflator
T23-Tyres dunlop
T75-Tyres
E1-Working lighting
E1-Working lighting
E20-Lamp protection
E51-Generator 230V/50Hz/DE
E51-Generator 230V/50Hz/DE
E51-Generator 230V/50Hz/DE
E51-Generator 230V/50Hz/DE
E51-Generator 230V/50Hz/DE
AZ12-Tachograph w.connector
AZ12-Tachograph w.connector
AZ9-Speedometer
AG6-Edge cutter
AG6-Edge cutter
AG6-Edge cutter
AG6-Edge cutter
Gear pump
Edge cutter
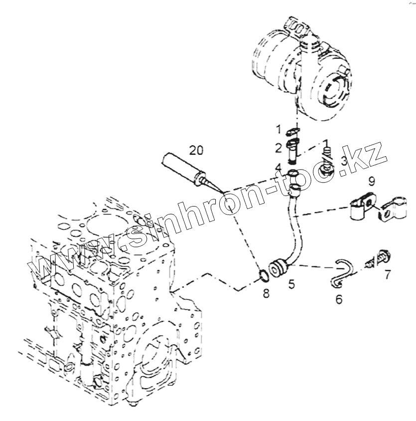
1
2
3
4
5
6
7
8
9
20
Позиция на иллюстрации
Заводской номер детали
Название детали
1
05718292
Gasket
2
05718293
Fastening flange
3
05791025
Hexagon bolt
4
05712403
Loop ring
5
05729120
Return pipe
6
05713588
Support
7
05713589
Hexagon bolt
8
05713026
Loop ring
9
05711205
Tube clamp
20
05711916
Fitting compound
Содержащиеся в справочниках-каталогах запасные части и детали не предлагаются к продаже, а носят исключительно информационный характер
Дополнительная информация
×
Название:
Номер:
Примечание: