Каталог запасных частей к технике: BOMAG BW 24R. Cylinder Head
31701405
1
2
3
4
4
5
6
7
8
9
9
10
10
11
11
12
13
13
14
15
16
17
18
19
20
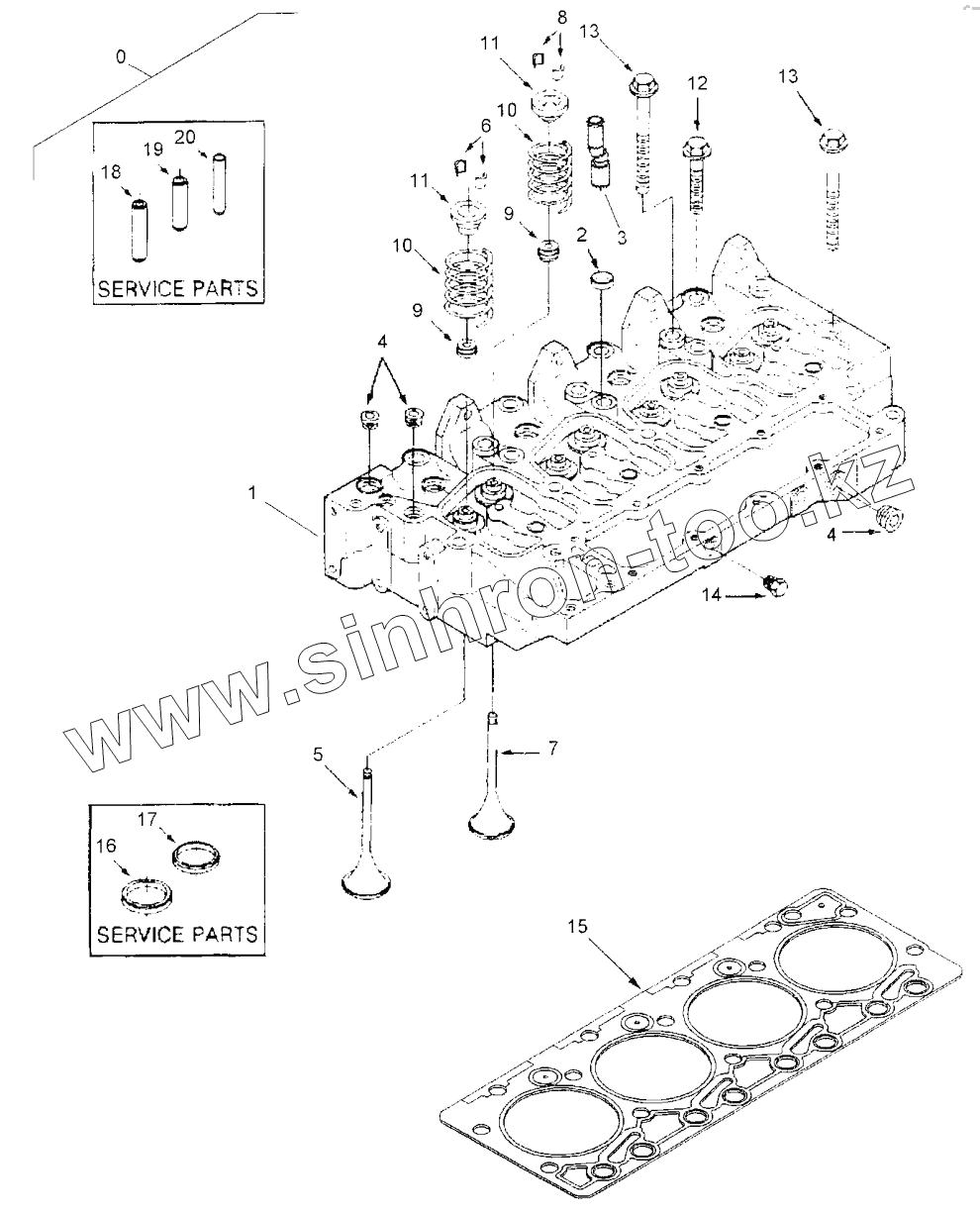
| Позиция на иллюстрации | Заводской номер детали | Название детали | |
|---|---|---|---|
| 31701405 | 31701405 | Cylinder head | |
| 1 | 31701406 | Cylinder head | |
| 2 | 31781174 | Plug | |
| 3 | 31701407 | Tube | |
| 4 | 31780301 | Plug | |
| 5 | 31780201 | Inlet valve | |
| 6 | 31780975 | Valve collet | |
| 7 | 31780202 | Outlet valve | |
| 8 | 31780975 | Valve collet | |
| 9 | 31701408 | Valve stem seal | |
| 10 | 31782290 | Valve spring | |
| 11 | 31701409 | Valve spring plate | |
| 12 | 31780981 | Hexagon bolt | |
| 13 | 31780982 | Hexagon bolt | |
| 14 | 31780467 | Plug | |
| 15 | 31701410 | Cylinder head gasket | |
| 16 | 31780984 | Valve insert Exhaust | |
| 17 | 31780985 | Valve insert Intake | |
| 18 | 31780986 | Valve stem seal | |
| 19 | 31780987 | Valve stem seal | |
| 20 | 31780988 | Valve stem seal |
Содержащиеся в справочниках-каталогах запасные части и детали не предлагаются к продаже, а носят исключительно информационный характер