Каталог запасных частей к технике: BOMAG BW 24R. Brake Line
1
1
1
2
2
2
2
2
2
2
3
3
3
4
4
4
5
5
6
6
6
7
7
8
9
9
9
9
9
10
10
10
11
12
13
14
15
15
16
17
18
19
20
21
22
23
24
25
26
27
28
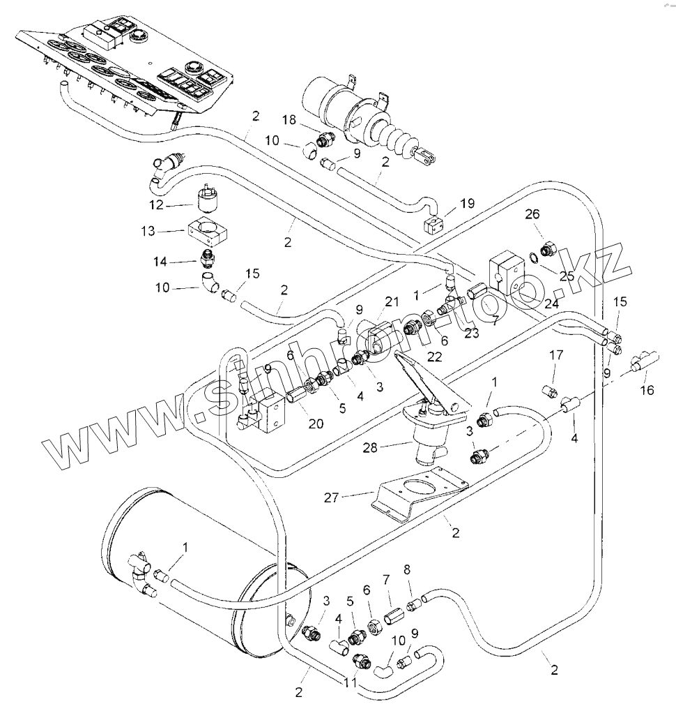
| Позиция на иллюстрации | Заводской номер детали | Название детали | |
|---|---|---|---|
| 1 | 38051615 | End piece | |
| 2 | 38051620 | Tube | |
| 3 | 38051612 | Connecting pipe | |
| 4 | 38051602 | L-union | |
| 5 | 38051609 | Connecting pipe | |
| 6 | 38051596 | Hexagon nut | |
| 7 | 38052268 | check vaive | |
| 8 | 38051624 | End piece | |
| 9 | 38051616 | End piece | |
| 10 | 38051605 | L-union | |
| 11 | 38051622 | Connecting pipe | |
| 12 | 38011301 | Valve | |
| 13 | 38011314 | Holder | |
| 14 | 38051611 | Connecting pipe | |
| 15 | 38051617 | End piece | |
| 16 | 38051608 | pipeline | |
| 17 | 38051595 | Quick coupling | |
| 18 | 38052269 | Valve | |
| 19 | 38051527 | Sleeve | |
| 20 | 38051396 | Coupling | |
| 21 | 38051623 | Valve | |
| 22 | 38051610 | Connecting pipe | |
| 23 | 38051599 | T-piece | |
| 24 | 38051530 | Sleeve | |
| 25 | 09331198 | Sealing ring | |
| 26 | 38051423 | Plug | |
| 27 | 38051428 | Plate | |
| 28 | 38051524 | Brake cylinder |
Содержащиеся в справочниках-каталогах запасные части и детали не предлагаются к продаже, а носят исключительно информационный характер