Каталог запасных частей к технике: BOMAG BW 211D-40. Hydr.Pump, Travel System
05817050
1
2
2
3
3
4
5
6
7
8
9
10
11
12
13
14
15
16
17
18
19
20
21
22
23
24
25
26
27
28
29
30
31
32
33
34
35
36
37
38
39
40
41
42
43
44
44
45
45
46
47
48
49
50
51
51
52
52
53
54
55
56
57
58
59
60
61
62
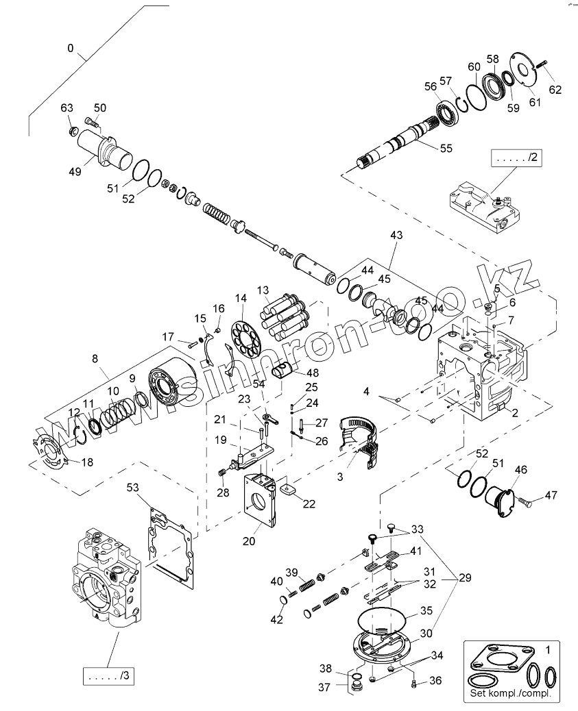
| Позиция на иллюстрации | Заводской номер детали | Название детали | |
|---|---|---|---|
| 05817050 | 05817050 | Travel pump | |
| 1 | 05817392 | Kit,seal | |
| 2 | 05818981 | Housing | |
| 3 | 05817388 | Bearing | |
| 4 | 32043052 | Pin,cylindric | |
| 5 | 05817389 | Screw plug | |
| 6 | 05817144 | Loop ring | |
| 7 | 05817390 | Filter element | |
| 8 | 05818982 | Cylinder block | |
| 9 | 05817393 | Washer | |
| 10 | 05817394 | Pressure spring | |
| 11 | 05817395 | Spring cup | |
| 12 | 05817396 | Circlip | |
| 13 | 05817397 | Piston | |
| 14 | 05817398 | Sliding shoe holder | |
| 15 | 05817399 | Guide | |
| 16 | 05817401 | Spacer sleeve | |
| 17 | 05817506 | Hexagon bolt | |
| 18 | 05818983 | Valve plate | |
| 19 | 05818984 | Control lever | |
| 20 | 05818985 | Cradle | |
| 21 | 05817407 | Hexagon bolt | |
| 22 | 05817408 | Guide | |
| 23 | 05817978 | Socket-head cap screw | |
| 24 | 05817410 | Washer | |
| 25 | 05817411 | Spiral dowel pin | |
| 26 | 05817412 | Safety bow | |
| 27 | 05818986 | Bolt | |
| 28 | 05817414 | Pressure spring | |
| 29 | 05817415 | Cover | |
| 30 | 05817419 | Cover | |
| 31 | 05818988 | Guiding plate | |
| 32 | 05818989 | Guiding plate | |
| 33 | 05818115 | Pilot bolt | |
| 34 | 05817234 | Sealing nut | |
| 35 | 05817420 | Loop ring | |
| 36 | 05817981 | Hexagon bolt | |
| 37 | 05817154 | Screw plug | |
| 38 | 05817148 | Loop ring | |
| 39 | 05817424 | Pressure spring | |
| 40 | 05817425 | Pressure spring | |
| 41 | 05818987 | Lever | |
| 42 | 05817418 | Washer | |
| 43 | 05818990 | Servo piston | |
| 44 | 05817437 | Loop ring | |
| 45 | 05817439 | Sealing ring | |
| 46 | 05817427 | Servo-cylinder | |
| 47 | 05817445 | Hexagon bolt | |
| 48 | 05818910 | Sliding block | |
| 49 | 05817427 | Servo-cylinder | |
| 50 | 05817445 | Hexagon bolt | |
| 51 | 05817443 | Loop ring | |
| 52 | 05817444 | Loop ring | |
| 53 | 05817447 | Gasket | |
| 54 | 05818904 | Joint bar | |
| 55 | 05817471 | Shaft | |
| 56 | 05817470 | Cylinder roller bearing | |
| 57 | 05817472 | Circlip | |
| 58 | 05817473 | Sealing ring | |
| 59 | 05817474 | Radial seal | |
| 60 | 05817475 | Loop ring | |
| 61 | 05817476 | Thrust disc | |
| 62 | 05817477 | Socket-head cap screw |
Содержащиеся в справочниках-каталогах запасные части и детали не предлагаются к продаже, а носят исключительно информационный характер