Вернуться на главную
Поиск
Каталоги запчастей к технике
Спецтехника
BOMAG
BW 211D-40
Cab, weather protection
Каталог запасных частей к технике: BOMAG BW 211D-40. Cab, weather protection
zoom-in
zoom-out
enlarge
shrink
circle-right
circle-left
file-text2
info
cart
Тип техники
Не выбрано
Легковые автомобили
Грузовые автомобили и прицепы
Автобусы
Сельхозтехника
Спецтехника
Двигатели
Мототехника
Марка
Не выбрано
Ammann
BOMAG
CARMIX
CASE IH
Changlin
ChengGong
Dimex
Doosan
DYNAPAC
Foton
HAMM
Hidromek
Hitachi
Hyundai
JCB
JLG
John Deere
Komatsu
LIEBHERR
LiuGong
Lonking (LongGong)
Luneng
MANITOU
Mitsuber
New Holland
PENGPU
RM-Terex
SANY
SDLG
SEM
Shantui
Shehwa HBXG
Soosan
TIGARBO
VOGELE
Volvo
WAY
WIRTGEN
XCMG
XGMA
Xiamen
YTO
Yuchai
Zoomlion
Автокран
АЗСМ
Алтайлесмаш
Амкодор
АОМЗ
Атек
АТЗ
Балканкар Рекорд
БелАЗ
Беловеж
Борекс
Брянский Арсенал
Булат
ВЭКС
ГАЗ
Геомаш
Гидромаш
Донекс
Дормаш
Дормашина
Дорэлектромаш
ДЭЗ
ЕлАЗ
ЗЗГТ
Ижнефтемаш
Канаш-электрокар
КЗКТ
ККЗ
Клевер
Клинцовский автокрановый завод
КМЗ
КМЗ 1 Мая
Ковровец
Коммаш
Кранэкс
КЭЗ
КЭМЗ
ЛЗА
МАЗ
МЗИК
МЗКМ
МЗКТ
Михневский РМЗ
МоАЗ
Мозырский МЗ
МТЗ
ОЗП
Онежец
ПАО "ТЗА"
ППС Детва
Промтрактор
ПТЗ
Раскат
СпецАгрегат
ТВЭКС
ТТМ
УВЗ
Угличмаш
УЗТМ
ХТЗ
ЧЗКМ
ЧСДМ
ЧТЗ
ЭКСКО
ЭКСМАШ
ЮрМаш
Модель
Не выбрано
BC772RB-2 (2017)
BF 300 C S340 TV
BM1300-30-2 (2011)
BW 211D-40
BW 24R (2007)
BW 24RH (2012)
BW120AD-5 (2017)
BW211D-40 (2007)
Схема
>
Не выбрано
Engine BF4M2012C
Crankcase
Crankcase
Crankcase
Crankcase
Crankcase
Crankcase
Crankcase
Crankcase
Crankcase
Crankcase
Crankcase
Crankcase
Oil Pan
Cylinder And Piston
Cylinder And Piston
Crankshaft
Crankshaft
Crankshaft
Crankshaft
Crankshaft
Cylinder Head
Cylinder Head
Cylinder Head
Cylinder Head
Cylinder Head
Cylinder Head
Camshaft
Control Pieces
Control Pieces
Oil And Fuel Filter
Oil And Fuel Filter
Lube Oil Cooler
Lube Oil Cooler
Lube Oil Cooler
Lube Oil Cooler
Lube Oil Cooler
Lube Oil Cooler
Lube Oil Tube
Injection Pump
Injection Pump
Injection Pump
Injection Valve
Injection Valve
Fuel Pipes
Fuel Pipes
Fuel Pipes
Fuel Pipes
Suction Pipe And Exhaust
Suction Pipe And Exhaust
Preheating System
Throttle Control
Throttle Control
Throttle Control
Throttle Control
Throttle Control
Cooling Blower
Cooling Blower
Cooling Blower
Cooling Blower
Cooling Blower
Cooling Blower
Cooling Blower
Cooling Blower
Turbocharger
Turbocharger
Turbocharger
Turbocharger
Turbocharger
Turbocharger
Turbocharger
Turbocharger
Generator And Starter
Generator And Starter
Generator And Starter
Generator And Starter
Generator And Starter
Generator And Starter
Engine Mounts
Engine Mounts
Engine Mounts
Engine Mounts
Engine Mounts
Engine Mounts
Electrical Equipment
Electrical Equipment
Electrical Equipment
Electrical Equipment
Electrical Equipment
Measuring Instruments
Connecting Housing
Connecting Housing
Connecting Housing
Connecting Housing
Engine Shut Off
Engine Shut Off
Hydraulic Pump
Hydraulic Pump
Hydraulic Pump
Hydraulic Pump
Seal Kit
Fuel Lift Pump
Fuel Lift Pump
Fuel Lift Pump
Water Cooling
Water Cooling
Water Cooling
Water Cooling
Water Cooling
Engine
Engine
Engine
Engine
Pump Mounting
Exhaust System
Radiator
Radiator
Radiator
Air Duct
Fuel Prefilter
Dry Air Filter
Clutch
Combination radiator
Drum Drive
Actuation
Axle
Drive Axle
Drive Axle
Drive Axle
Drive Axle
Drive Axle
Drive Axle
Drive Axle
Drive Axle
Drive Axle
Drive Axle
Actuation Cable,Travel
Steering
Joint mounting
Link, assembled
Link, assembled
Front Frame
Rear Frame
Rear Frame
Front frame, assembled
Access Steps
Operators Platform
Hood
Engine Hood
Engine Hood
Engine Hood
Operator’s Seat
Fuel Tank
Oil Tank
Scraper
Oil tank, assembled
Operator’s Seat
Roller drum
Roller drum
Roller drum, assembled
Exciter unit right, assembled
Exciter unit left, assembled
Basic weight, assembled
Tyres
Instruments
Central electric
Electrics
Central electric, assembled
Central electric, assembled
Electrical box, assembled
Armature carrier, assembled
Armature carrier, assembled
Console, assemble
Console, assemble
Strip terminal 1, assembled
Strip terminal 2, assembled
Wiring Harness
Wiring Harness
Wiring Harness
Wiring Harness
Hydraulics
Hydraulics
Hydraulics
Hydraulics
Hydraulics
Hydr.Pump, Travel System
Hydr.Pump, Travel System
Hydr.Pump, Travel System
Hydraulic Pump, Vibration
Hydraulic Pump, Vibration
Hydraulic Pump, Vibration
Hydraulic Pump, Vibration
Hydraulic Pump, Vibration
Hydraulic Motor
Hydraulic Motor
Hydraulic Motor
Hydraulic Motor
Hydr. Motor, Vibration
Hydr. Motor, Vibration
Hydraulikmotor, Vibration
Hydraulikmotor, Vibration
Hydr. Motor, Travel Sys.Fr.
Way Valve
Hydraulic Oil Filter
Steering Cylinder
Steering Pump
Decals
S5-ROPS-FOPS
S5-ROPS-FOPS
S5-ROPS-FOPS
S5-ROPS-FOPS
S5-ROPS-FOPS
J3-Ballast.weight frame
FS10-Railing
FS10-Railing
FS10-Railing
Protection in front, assembled
Protection right, assembled
S32-Cabin with heating module
S32-Cabin with heating module
S32-Cabin with heating module
S32-Cabin with heating module
S33-Cab.w.heating-air con.mod.
S33-Cab.w.heating-air con.mod.
S33-Cab.w.heating-air con.mod.
S33-Cab.w.heating-air con.mod.
S33-Cab.w.heating-air con.mod.
S33-Cab.w.heating-air con.mod.
S33-Cab.w.heating-air con.mod.
Q7-Plastic scraper
Cab, weather protection
Cab, weather protection
Cab, weather protection
Cab, weather protection
Cab
Cab
Cab
Cab
Cab
Heating Unit
Heating climatic unit
Heating climatic unit
T28-Ballasting of tyres
E1-Working lighting
E24-Worklight oper.stand
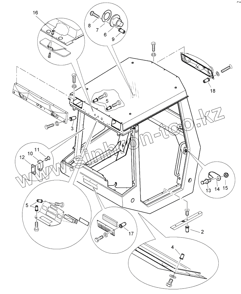
1
2
3
4
5
5
6
7
8
9
10
11
12
13
14
15
16
17
18
Позиция на иллюстрации
Заводской номер детали
Название детали
1
58291001
Cabin
2
05990051
Nut,blind
3
05990050
Nut,blind
4
05990050
Nut,blind
5
05990050
Nut,blind
6
05932106
Door catch
7
05932105
Base
8
07210629
Lens head screw
9
05990050
Nut,blind
10
87500164
Claw
11
07420630
Countersunk screw
12
58291073
Flat steel
13
05932131
Locking pin
14
05932132
Bow
15
08121210
Hexagon nut
16
05990050
Nut,blind
17
05990050
Nut,blind
18
05990050
Nut,blind
Содержащиеся в справочниках-каталогах запасные части и детали не предлагаются к продаже, а носят исключительно информационный характер
Дополнительная информация
×
Название:
Номер:
Примечание: