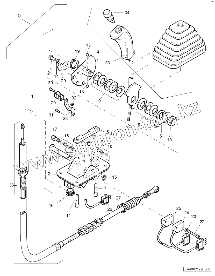
Каталог запасных частей к технике: BOMAG BW 211D-40. Actuation Cable,Travel
05561566
1
2
4
5
6
7
7
8
9
9
10
11
11
12
13
13
14
15
16
17
18
18
19
20
21
22
23
24
25
26
27
28
29
30
31
32
33
34
35
| Позиция на иллюстрации | Заводской номер детали | Название детали | |
|---|---|---|---|
| 05561566 | 05561566 | Travel actuation | |
| 1 | 05566543 | Control box with lever | |
| 2 | 05566175 | Housing | |
| 4 | 05566177 | Hollow shaft | |
| 5 | 05566529 | Control disc | |
| 6 | 05566544 | Notched rail | |
| 7 | 05568329 | Thrust disc | |
| 8 | 05568564 | Bolt | |
| 9 | 09290400 | Belleville spring | |
| 10 | 05568370 | Hexagon nut | |
| 11 | 05566546 | Hexagon bolt | |
| 12 | 07550400 | Tapped pin | |
| 13 | 05340050 | Ball | |
| 14 | 08530612 | Spring washer | |
| 15 | 05727277 | Safety washer | |
| 16 | 05568998 | Plug | |
| 17 | 05568325 | Screw | |
| 18 | 09290101 | Belleville spring | |
| 19 | 06911050 | Cable strap | |
| 20 | 05568355 | Securing plate | |
| 21 | 07140621 | Hexagon bolt | |
| 22 | 05568549 | Socket-head cap screw | |
| 23 | 08510307 | Washer | |
| 24 | 58260384 | Proximity switch | |
| 25 | 05566178 | Induct.proximity switch | |
| 26 | 05756790 | Locking device | |
| 27 | 05756786 | Plug | |
| 28 | 05568013 | Lever | |
| 29 | 05566545 | Clamping spring | |
| 30 | 07210420 | Lens head screw | |
| 31 | 07320508 | Countersunk screw | |
| 32 | 08130408 | Safety nut | |
| 33 | 05566176 | Lever | |
| 34 | 05762241 | Push button | |
| 35 | 05561247 | Control |
Содержащиеся в справочниках-каталогах запасные части и детали не предлагаются к продаже, а носят исключительно информационный характер