Вернуться на главную
Поиск
Каталоги запчастей к технике
Спецтехника
BOMAG
BW211D-40
Crankcase
Каталог запасных частей к технике: BOMAG BW211D-40. Crankcase
zoom-in
zoom-out
enlarge
shrink
circle-right
circle-left
file-text2
info
cart
Тип техники
Не выбрано
Легковые автомобили
Грузовые автомобили и прицепы
Автобусы
Сельхозтехника
Спецтехника
Двигатели
Мототехника
Марка
Не выбрано
Ammann
BOMAG
CARMIX
CASE IH
Changlin
ChengGong
Dimex
Doosan
DYNAPAC
Foton
HAMM
Hidromek
Hitachi
Hyundai
JCB
JLG
John Deere
Komatsu
LIEBHERR
LiuGong
Lonking (LongGong)
Luneng
MANITOU
Mitsuber
New Holland
PENGPU
RM-Terex
SANY
SDLG
SEM
Shantui
Shehwa HBXG
Soosan
TIGARBO
VOGELE
Volvo
WAY
WIRTGEN
XCMG
XGMA
Xiamen
YTO
Yuchai
Zoomlion
Автокран
АЗСМ
Алтайлесмаш
Амкодор
АОМЗ
Атек
АТЗ
Балканкар Рекорд
БелАЗ
Беловеж
Борекс
Брянский Арсенал
Булат
ВЭКС
ГАЗ
Геомаш
Гидромаш
Донекс
Дормаш
Дормашина
Дорэлектромаш
ДЭЗ
ЕлАЗ
ЗЗГТ
Ижнефтемаш
Канаш-электрокар
КЗКТ
ККЗ
Клевер
Клинцовский автокрановый завод
КМЗ
КМЗ 1 Мая
Ковровец
Коммаш
Кранэкс
КЭЗ
КЭМЗ
ЛЗА
МАЗ
МЗИК
МЗКМ
МЗКТ
Михневский РМЗ
МоАЗ
Мозырский МЗ
МТЗ
ОЗП
Онежец
ПАО "ТЗА"
ППС Детва
Промтрактор
ПТЗ
Раскат
СпецАгрегат
ТВЭКС
ТТМ
УВЗ
Угличмаш
УЗТМ
ХТЗ
ЧЗКМ
ЧСДМ
ЧТЗ
ЭКСКО
ЭКСМАШ
ЮрМаш
Модель
Не выбрано
BC772RB-2 (2017)
BF 300 C S340 TV
BM1300-30-2 (2011)
BW 211D-40
BW 24R (2007)
BW 24RH (2012)
BW120AD-5 (2017)
BW211D-40 (2007)
Схема
>
Не выбрано
Engine Parts List
Crankcase
Crankcase
Crankcase
Crankcase
Crankcase
Crankcase
Crankcase
Crankcase
Crankcase
Crankcase
Crankcase
Oil Pan
Cylinder And Piston
Cylinder And Piston
Crankshaft
Crankshaft
Crankshaft
Crankshaft
Crankshaft
Crankshaft
Crankshaft
Cylinder Head
Cylinder Head
Cylinder Head
Cylinder Head
Cylinder Head
Cylinder Head
Camshaft
Camshaft
Camshaft
Camshaft
Camshaft
Control Pieces
Control Pieces
Control Pieces
Oil And Fuel Filter
Oil And Fuel Filter
Oil And Fuel Filter
Oil And Fuel Filter
Oil And Fuel Filter
Oil And Fuel Filter
Lube Oil Cooler
Lube Oil Cooler
Lube Oil Cooler
Lube Oil Cooler
Lube Oil Cooler
Lube Oil Cooler
Lube Oil Tube
Injection Pump
Injection Pump
Injection Pump
Injection Valve
Injection Valve
Injection Valve
Fuel Pipes
Fuel Pipes
Fuel Pipes
Fuel Pipes
Fuel Pipes
Fuel Pipes
Suction Pipe And Exhaust
Suction Pipe And Exhaust
Throttle Control
Throttle Control
Throttle Control
Throttle Control
Throttle Control
Throttle Control
Throttle Control
Throttle Control
Throttle Control
Cooling Blower
Cooling Blower
Cooling Blower
Cooling Blower
Cooling Blower
Cooling Blower
Cooling Blower
Cooling Blower
Cooling Blower
Cooling Blower
Cooling Blower
Turbocharger
Turbocharger
Turbocharger
Turbocharger
Generator And Starter
Generator And Starter
Generator And Starter
Generator And Starter
Generator And Starter
Generator And Starter
Engine Mounts
Engine Mounts
Engine Mounts
Engine Mounts
Engine Mounts
Engine Mounts
Electrical Equipment
Electrical Equipment
Electrical Equipment
Connecting Housing
Connecting Housing
Connecting Housing
Connecting Housing
Engine Shut Off
Engine Shut Off
Hydraulic Pump
Hydraulic Pump
Hydraulic Pump
Hydraulic Pump
Seal Kit
Boost Fuel Supply
Boost Fuel Supply
Boost Fuel Supply
Water Cooling
Water Cooling
Water Cooling
Water Cooling
Aircleaner & Exhaust
Aircleaner & Exhaust
Aircleaner & Exhaust
Aircleaner & Exhaust
Engine
Engine
Engine
Engine
Pump Mounting
Exhaust System
Radiator
Radiator
Radiator
Air Duct
Fuel Prefilter
Dry Air Filter
Clutch
Combination radiator
Actuation
Axle
Drive Axle
Drive Axle
Drive Axle
Drive Axle
Steering
Joint mounting
Link, assembled
Link, assembled
Front Frame
Rear Frame
Rear Frame
Access Steps
Operators Platform
Operators Platform
Hood
Hood
Engine Hood
Engine Hood
Operator’s Seat
Fuel Tank
Oil Tank
Scraper
Oil tank, assembled
Operator’s Seat
Roller drum, assembled
Roller drum, assembled
Roller drum, assembled
Tires
Instruments
Central electric
Central electric
Electrics
Electrics
Electrical box, assembled
Display, assembled
Armature carrier, assembled
Armature carrier, assembled
Console, assemble
Console, assemble
Wiring Harness
Wiring Harness
Wiring Harness
Wiring Harness
Hydraulics
Hydraulics
Hydraulics
Hydraulics
Hydraulics
Hydr.Pump,Travel System
Hydr.Pump,Travel System
Hydr.Pump,Travel System
Hydraulic Pump,Vibration
Hydraulic Pump,Vibration
Hydraulic Pump,Vibration
Hydraulic Pump,Vibration
Hydraulic Pump,Vibration
Hydraulic Motor
Hydraulic Motor
Hydraulic Motor
Hydraulic Motor
Hydr.Motor,Travel Sys.Fr. MSE18
Way Valve
Hydraulic Oil Filter
Steering Cylinder
Steering Pump
Decals
Decals
SL8-Special colour
S5-ROPS-FOPS
S5-ROPS-FOPS
S5-ROPS-FOPS
S5-ROPS-FOPS
S5-ROPS-FOPS
S5-ROPS-FOPS
S21-Ropscabin with heater
S21-Ropscabin with heater
S21-Ropscabin with heater
S21-Ropscabin with heater
Protection in front, assembled
Protection right, assembled
Access steps, assembled
Q8-Plate scraper
Q7-Plastic scraper
Cab
Cab
Cab
Cab
Cab
Cab
Cab
Cab
Cab
Cab
Heating Unit
B5-Pad foot segment kit
B5-Pad foot segment kit
B5-Pad foot segment kit
E1-Working lights
E2-Lighting-Stvzo
E2-Lighting-Stvzo
E2-Lighting-Stvzo
AZ9-Speedometer
AZ9-Speedometer
AZ5-Rpm meter
AZ10-Vibr.frequency meter
AZ10-Vibr.frequency meter
VM8-BEM
VM8-BEM
VM8-BEM
VM9-BTM plus
VM9-BTM plus
VM9-BTM plus
VM9-BTM plus
VM11-BTM prof
VM11-BTM prof
VM11-BTM prof
VM11-BTM prof
Printer, assembled
Headlight
Headlight
1
2
3
4
5
5
6
7
8
8
9
10
11
12
13
14
15
16
16
20
20
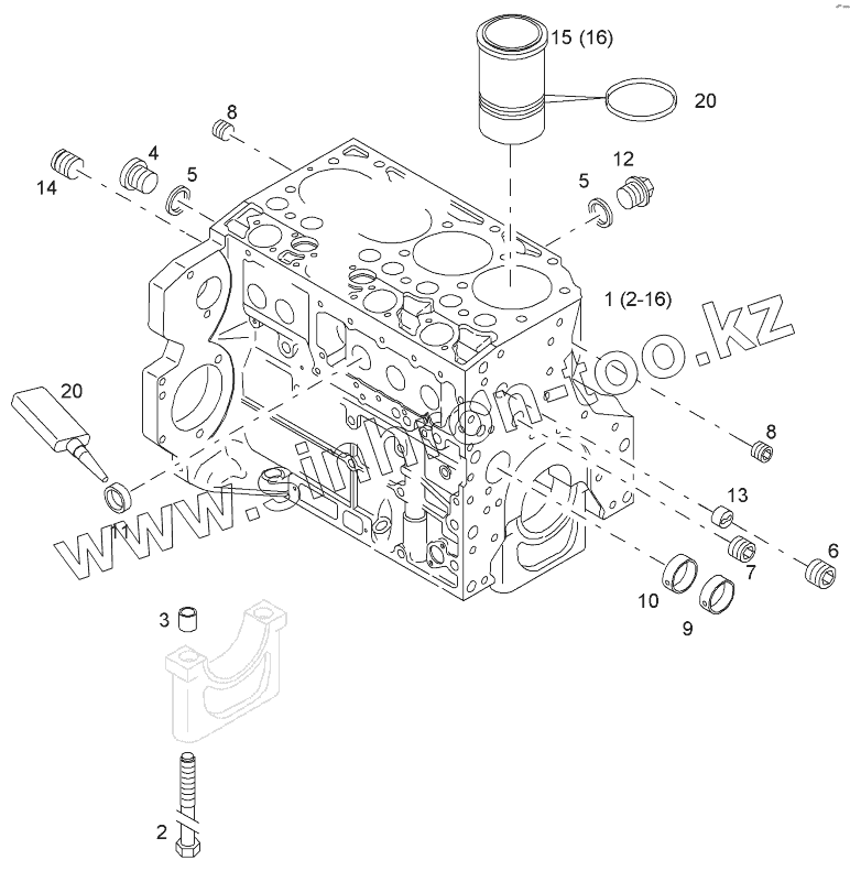
Позиция на иллюстрации
Заводской номер детали
Название детали
1
05716742
Crankcase
2
05712572
Capscrew, hex head
3
05711737
Dowel bush
4
07621416
Screw plug
5
09331708
Sealing ring
6
05716644
Screw plug
7
05716645
Screw plug
8
05716646
Screw plug
9
05712573
Bearing bush
10
05712574
Bearing bush
11
05712575
Core hole plug
12
07641415
Screw plug
13
05712576
Guiding sleeve
14
05716647
Screw plug
15
05715243
Cylinder liner
16
05719527
O-Ring
20
05714093
Locking aid
Содержащиеся в справочниках-каталогах запасные части и детали не предлагаются к продаже, а носят исключительно информационный характер
Дополнительная информация
×
Название:
Номер:
Примечание: