Каталог запасных частей к технике: BOMAG BW211D-40. Cab
1
2
3
4
5
6
6
7
8
9
10
11
12
12
13
14
15
16
16
17
17
17
18
19
20
26
27
28
29
30
31
32
33
34
35
36
37
38
39
40
41
42
43
44
45
46
47
48
49
50
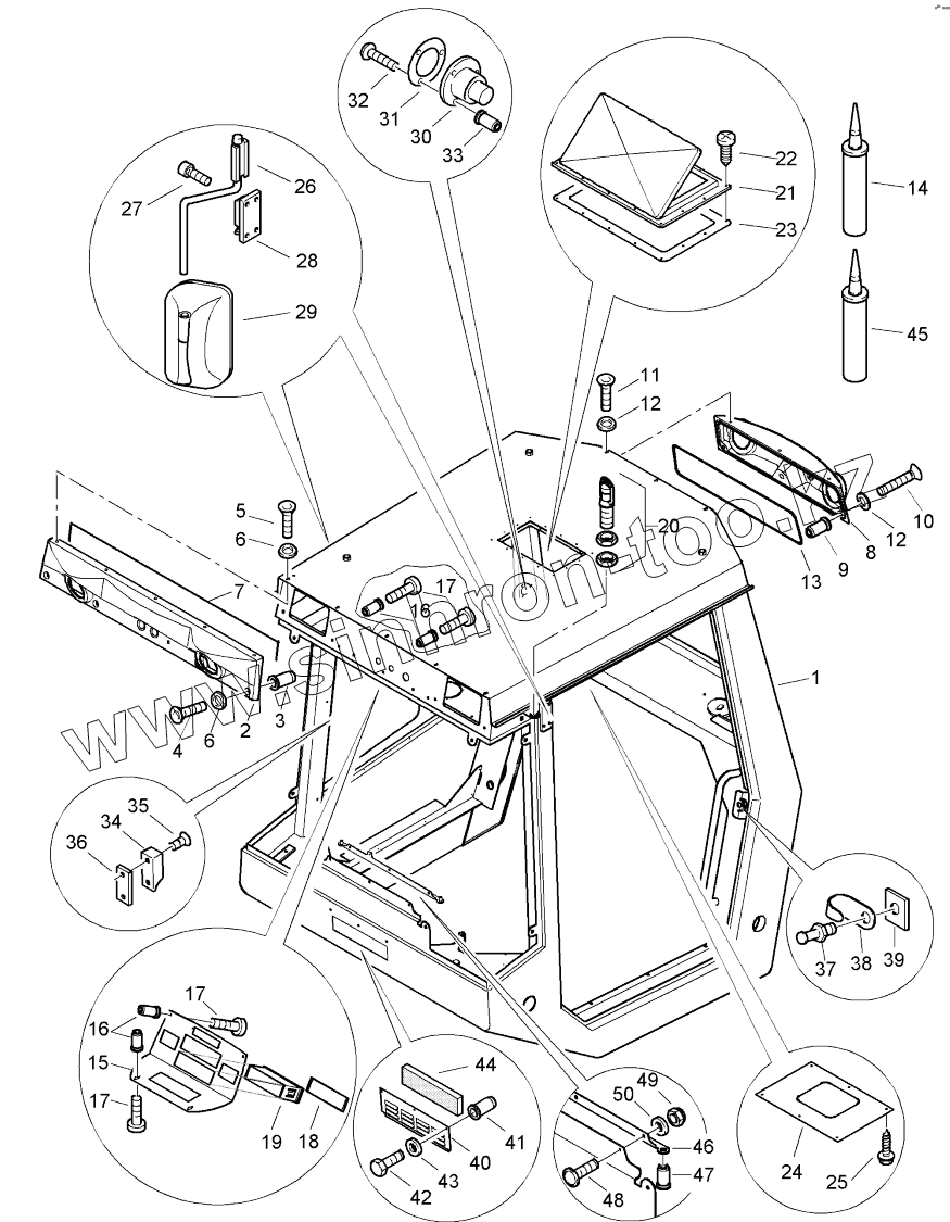
| Позиция на иллюстрации | Заводской номер детали | Название детали | |
|---|---|---|---|
| 1 | 58291001 | Cabin | |
| 2 | 58291058 | Lamp console | |
| 3 | 05990050 | Nut,blind | |
| 4 | 07420630 | Countersunk screw | |
| 5 | 07310612 | Countersunk screw | |
| 6 | 32110286 | Washer | |
| 7 | 00652140 | Sponge rubber section | |
| 8 | 58291059 | Lamp console | |
| 9 | 05990050 | Nut,blind | |
| 10 | 07420630 | Countersunk screw | |
| 11 | 07310612 | Countersunk screw | |
| 12 | 32110286 | Washer | |
| 13 | 00652140 | Sponge rubber section | |
| 14 | 00970036 | Silicone oil | |
| 15 | 58291010 | Plate | |
| 16 | 05990050 | Nut,blind | |
| 17 | 07210616 | Lens head screw | |
| 18 | 05573015 | Orifice | |
| 19 | 05573014 | Pillow block | |
| 20 | 05751164 | Tube | |
| 26 | 05571297 | Mirror bar | |
| 27 | 07230889 | Socket-head cap screw | |
| 28 | 05571298 | Base plate | |
| 29 | 05571242 | Outer mirror | |
| 30 | 05932106 | Door catch | |
| 31 | 05932105 | Base | |
| 32 | 07210629 | Lens head screw | |
| 33 | 05990050 | Nut,blind | |
| 34 | 87500164 | Claw | |
| 35 | 07420630 | Countersunk screw | |
| 36 | 58291073 | Flat steel | |
| 37 | 05932131 | Locking pin | |
| 38 | 05932132 | Bow | |
| 39 | 58290334 | Flat steel | |
| 40 | 58291076 | Cover | |
| 41 | 05990050 | Nut,blind | |
| 42 | 07140626 | Hexagon bolt | |
| 43 | 08751064 | Spring washer | |
| 44 | 58291079 | Filter | |
| 45 | 00970038 | Sealer | |
| 46 | 58250204 | Holder | |
| 47 | 05990049 | Nut, blind | |
| 48 | 07280601 | Flat head screw | |
| 49 | 08130611 | Safety nut | |
| 50 | 08510612 | Washer |
Содержащиеся в справочниках-каталогах запасные части и детали не предлагаются к продаже, а носят исключительно информационный характер