Каталог запасных частей к технике: BOMAG BW120AD-5. Scraper
1
2
4
5
7
8
9
10
11
12
13
15
16
17
17
18
18
19
19
19
19
20
20
21
21
22
23
23
24
24
24
24
24
24
24
24
25
25
25
25
26
26
27
28
29
29
30
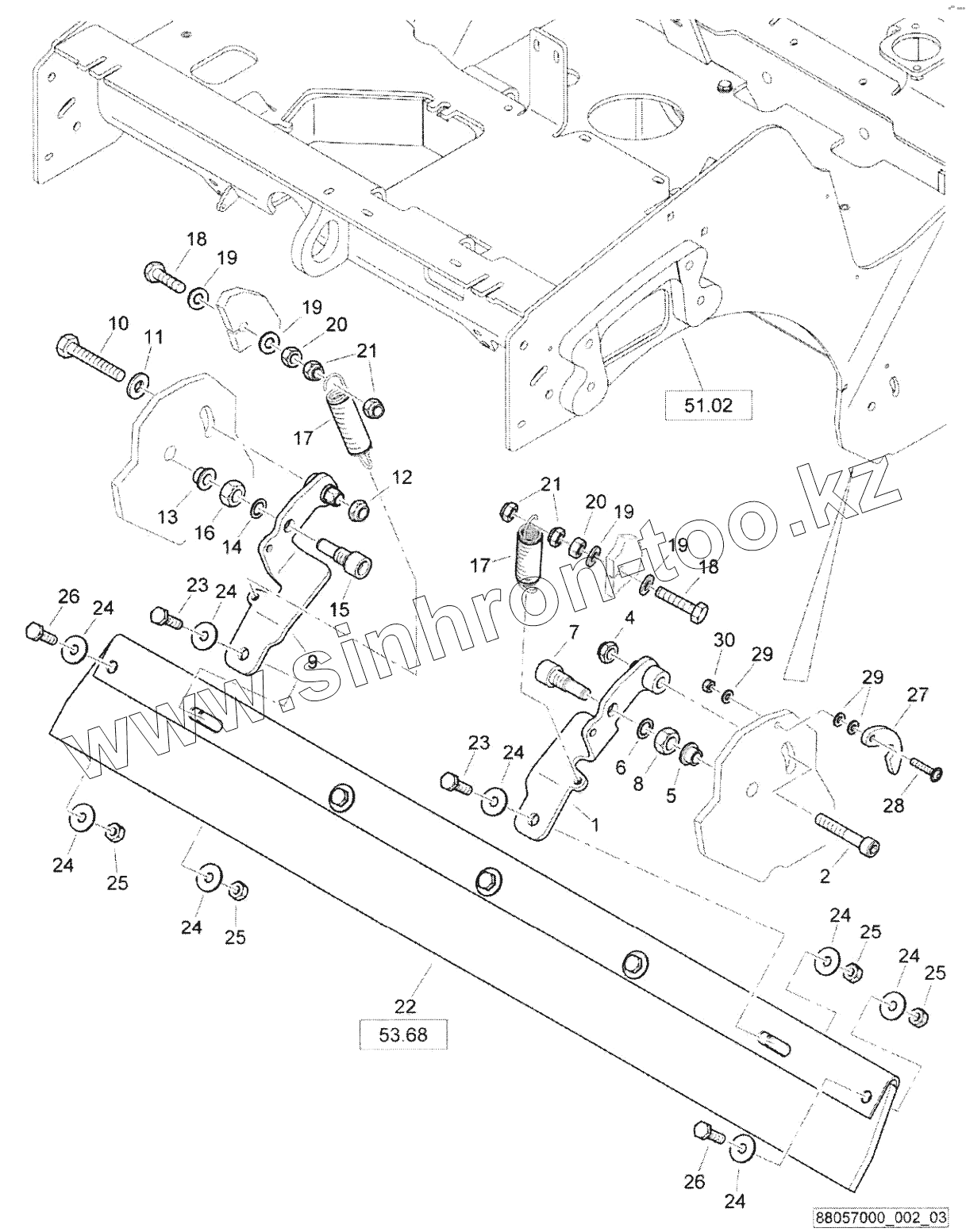
| Позиция на иллюстрации | Заводской номер детали | Название детали | |
|---|---|---|---|
| 1 | 46310153 | Scraper holder | |
| 2 | 07231040 | Socket-head cap screw | |
| 4 | 08131016 | Safety nut | |
| 5 | 06281204 | Bushing | |
| 7 | 78320212 | Stud-bolt | |
| 8 | 08111218 | Hexagon nut | |
| 9 | 46310154 | Scraper holder | |
| 10 | 07141052 | Capscrew, hex head | |
| 11 | 08511021 | Washer | |
| 12 | 08131016 | Safety nut | |
| 13 | 06281204 | Bushing | |
| 15 | 78320212 | Stud-bolt | |
| 16 | 08111218 | Hexagon nut | |
| 17 | 65080140 | Tension spring | |
| 18 | 07140856 | Hexagon bolt | |
| 19 | 08510817 | Washer | |
| 20 | 08110813 | Hexagon nut | |
| 21 | 08130813 | Safety nut | |
| 22 | 88057100 | Scraper, assembled | |
| 23 | 07141041 | Hexagon bolt | |
| 24 | 08621105 | Washer | |
| 25 | 08131016 | Safety nut | |
| 26 | 07141032 | Hexagon bolt | |
| 27 | 88057504 | Plate | |
| 28 | 07210627 | Pens head screw | |
| 29 | 08510612 | Washer | |
| 30 | 08130611 | Safety nut |
Содержащиеся в справочниках-каталогах запасные части и детали не предлагаются к продаже, а носят исключительно информационный характер