Вернуться на главную
Поиск
Каталоги запчастей к технике
Спецтехника
BOMAG
BW120AD-5
Operating console, assembled
Каталог запасных частей к технике: BOMAG BW120AD-5. Operating console, assembled
zoom-in
zoom-out
enlarge
shrink
circle-right
circle-left
file-text2
info
cart
Тип техники
Не выбрано
Легковые автомобили
Грузовые автомобили и прицепы
Автобусы
Сельхозтехника
Спецтехника
Двигатели
Мототехника
Марка
Не выбрано
Ammann
BOMAG
CARMIX
CASE IH
Changlin
ChengGong
Dimex
Doosan
DYNAPAC
Foton
HAMM
Hidromek
Hitachi
Hyundai
JCB
JLG
John Deere
Komatsu
LIEBHERR
LiuGong
Lonking (LongGong)
Luneng
MANITOU
Mitsuber
New Holland
PENGPU
RM-Terex
SANY
SDLG
SEM
Shantui
Shehwa HBXG
Soosan
TIGARBO
VOGELE
Volvo
WAY
WIRTGEN
XCMG
XGMA
Xiamen
YTO
Yuchai
Zoomlion
Автокран
АЗСМ
Алтайлесмаш
Амкодор
АОМЗ
Атек
АТЗ
Балканкар Рекорд
БелАЗ
Беловеж
Борекс
Брянский Арсенал
Булат
ВЭКС
ГАЗ
Геомаш
Гидромаш
Донекс
Дормаш
Дормашина
Дорэлектромаш
ДЭЗ
ЕлАЗ
ЗЗГТ
Ижнефтемаш
Канаш-электрокар
КЗКТ
ККЗ
Клевер
Клинцовский автокрановый завод
КМЗ
КМЗ 1 Мая
Ковровец
Коммаш
Кранэкс
КЭЗ
КЭМЗ
ЛЗА
МАЗ
МЗИК
МЗКМ
МЗКТ
Михневский РМЗ
МоАЗ
Мозырский МЗ
МТЗ
ОЗП
Онежец
ПАО "ТЗА"
ППС Детва
Промтрактор
ПТЗ
Раскат
СпецАгрегат
ТВЭКС
ТТМ
УВЗ
Угличмаш
УЗТМ
ХТЗ
ЧЗКМ
ЧСДМ
ЧТЗ
ЭКСКО
ЭКСМАШ
ЮрМаш
Модель
Не выбрано
BC772RB-2 (2017)
BF 300 C S340 TV
BM1300-30-2 (2011)
BW 211D-40
BW 24R (2007)
BW 24RH (2012)
BW120AD-5 (2017)
BW211D-40 (2007)
Схема
>
Не выбрано
Engine Parts List
Crankcase
Crankcase
Front Cover
Oil Pan
Oil Pan
Cylinder Head
Cylinder Head
Control Pieces
Lubrication Oil Pump
Oil And Fuel Filter
Injection Pump
Injection Pump
Suction Pipe And Exhaust
Preheating System
Measuring Instruments
Engine Shut Off
Engine Shut Off
Water Cooling
Water Cooling
Governor
Governor
Generator
Starter
Fuel system
Fuel system
Fuel system
Fuel system
Engine
Engine
Engine
Pump Mounting
Pump Mounting
Air Filter
Exhaust System
Radiator, water and oil
Radiator, water and oil
Radiator, water and oil
Radiator, water and oil
Radiator, assembled
Radiator, assembled
Fuel Prefilter
Dry Air Filter
Clutch
Clutch
Actuation
Actuation
Operating console, assembled
Operating console, assembled
Operating console, assembled
Stop, assembled
РЎontrol handle, right
Steering
Steering
Osciliat.Articuiat. Joint
Oscillat. articul. joint, ass.
Front Frame
Front Frame
Front Frame
Front Frame
Front Frame
Front Frame
Rear Frame
Rear Frame
Pressure water sprink.sys
Pressure water sprink.sys
Pressure water sprink.sys
Deckel, montiert
Emulsion tank, assembled
Operators Platform
Operators Platform
Operators Platform
Engine Hood
Operator's Seat
Hydraulic Tank
Hydraulic Oil Filter
Scraper
Scraper
Scraper
Scraper
Scraper, assembled
Fuel tank, assembled
Nozzle tube, assembled
Water tank, assembled
Water pump, assembled
Tension spring, assembled
Hydraulic oil tank, assembled
Operator's Seat
Water Pump
Roller drum
Roller drum, assembled
Instruments
Central electric
Battery
Central electric, assembled
Central electric, assembled
Central electric, assembled
Instruments, assembled
Dash board, assembled
Wire harnesses
Wire harnesses
Wire harnesses
Hydraulic, travel system
Hydraulic, travel system
Brake Actuation
Hydraulic, steering
Hydraulics, vibration
Hydraulics, vibration
Hydraulics, vibration
Vibration Valve
Hydraulics, charge system
Hydraulics, charge system
Hydr.Pump, Travel System
Hydr.Pump, Travel System
Hydr.Pump, Travel System
Hydr.Pump, Travel System
Hydr.Pump, Travel System
Hydr.Pump, Travel System
Hydr.Pump, Travel System
Hydr.Pump, Travel System
Hydr.Pump, Travel System
Hydr.Pump, Travel System
Hydr.Pump, Travel System
Hydr.Motor, Vibration
Gear pump
Filter, Hydraulic Oil
Steering Cylinder
Vibration Valve
Decals
Double travel lever, assembled
Operating console, assembled
Operating console, assembled
Operating console, assembled
Operating console, assembled
Control handle, left
Control handle, right
FS3-Burglary protection
S3-Sun roof
S3-Sun roof
S3-Sun roof
S3-Sun roof
S3-Sun roof
S3-Sun roof
S19-ROPS, hinged
S19-ROPS, hinged
FS33-Sliding seat plus extras
FS33-Sliding seat plus extras
AD4-Cover
E2-Lighting-Stvzo
E2-Lighting-Stvzo
E16-Rotary beacon
E16-Rotary beacon
E16-Rotary beacon
E60-Broad spectrum buzzer
E26-Battery disconnec, switch
Instruments, assembled
AZ14-Temperature gauge
VM25-Economizer+В°C/В°F-display
VM25-Economizer+X/В°F-display
VM25-Economizer+0C/0F-display
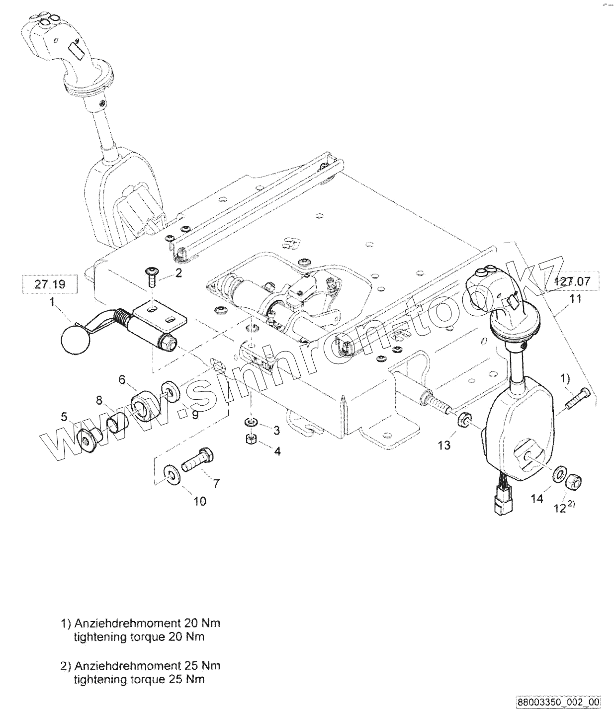
1
1
2
3
4
5
6
7
8
9
10
11
12
13
14
Позиция на иллюстрации
Заводской номер детали
Название детали
1
65140126
Stop. assembled
2
07210891
Lens head screw
3
08510817
Washer
4
08130813
Safety nut
5
88069104
Bearing bush
6
88069105
Roller
7
07141243
Hexagon bolt
8
06283096
Bushing
9
08591330
Washer
10
08752130
Spring washer
11
65140138
Control
12
08131218
Safety nut
13
08121217
Hexagon nut
14
08511324
Washer
Содержащиеся в справочниках-каталогах запасные части и детали не предлагаются к продаже, а носят исключительно информационный характер
Дополнительная информация
×
Название:
Номер:
Примечание: