Вернуться на главную
Поиск
Каталоги запчастей к технике
Спецтехника
BOMAG
BM1300-30-2
Steering
Каталог запасных частей к технике: BOMAG BM1300-30-2. Steering
zoom-in
zoom-out
enlarge
shrink
circle-right
circle-left
file-text2
info
cart
Тип техники
Не выбрано
Легковые автомобили
Грузовые автомобили и прицепы
Автобусы
Сельхозтехника
Спецтехника
Двигатели
Мототехника
Марка
Не выбрано
Ammann
BOMAG
CARMIX
CASE IH
Changlin
ChengGong
Dimex
Doosan
DYNAPAC
Foton
HAMM
Hidromek
Hitachi
Hyundai
JCB
JLG
John Deere
Komatsu
LIEBHERR
LiuGong
Lonking (LongGong)
Luneng
MANITOU
Mitsuber
New Holland
PENGPU
RM-Terex
SANY
SDLG
SEM
Shantui
Shehwa HBXG
Soosan
TIGARBO
VOGELE
Volvo
WAY
WIRTGEN
XCMG
XGMA
Xiamen
YTO
Yuchai
Zoomlion
Автокран
АЗСМ
Алтайлесмаш
Амкодор
АОМЗ
Атек
АТЗ
Балканкар Рекорд
БелАЗ
Беловеж
Борекс
Брянский Арсенал
Булат
ВЭКС
ГАЗ
Геомаш
Гидромаш
Донекс
Дормаш
Дормашина
Дорэлектромаш
ДЭЗ
ЕлАЗ
ЗЗГТ
Ижнефтемаш
Канаш-электрокар
КЗКТ
ККЗ
Клевер
Клинцовский автокрановый завод
КМЗ
КМЗ 1 Мая
Ковровец
Коммаш
Кранэкс
КЭЗ
КЭМЗ
ЛЗА
МАЗ
МЗИК
МЗКМ
МЗКТ
Михневский РМЗ
МоАЗ
Мозырский МЗ
МТЗ
ОЗП
Онежец
ПАО "ТЗА"
ППС Детва
Промтрактор
ПТЗ
Раскат
СпецАгрегат
ТВЭКС
ТТМ
УВЗ
Угличмаш
УЗТМ
ХТЗ
ЧЗКМ
ЧСДМ
ЧТЗ
ЭКСКО
ЭКСМАШ
ЮрМаш
Модель
Не выбрано
BC772RB-2 (2017)
BF 300 C S340 TV
BM1300-30-2 (2011)
BW 211D-40
BW 24R (2007)
BW 24RH (2012)
BW120AD-5 (2017)
BW211D-40 (2007)
Схема
>
Не выбрано
Engine
Engine
Engine
Engine
Engine
Engine
Pump mounting
Pump mounting
Pump mounting
Pump mounting
Belt tensioner
Fuel system
Radiator, assembled
Radiator, assembled
Radiator, assembled
Radiator, assembled
Air filter, assembled
Exhaust System
Feeding boom belt
Feeding boom belt
Feeding boom belt
Feeding boom belt
Feeding boom belt
Discharge belt
Discharge belt
Discharge belt
Discharge belt
Discharge belt
Discharge belt
Discharge belt
Discharge belt
Discharge belt
Feweder funnel
Discharge belt, suspension
Discharge belt, suspension
Height adjustment / steering
Height adjust./under carriage
Height adjust./under carriage
Height adjust./under carriage
Height adjust./under carriage
Height adjust./under carriage
Steering
Steering
Steering
Steering
Steering
Steering
Steering
Steering
Raupenfahrwerk
Raupenfahrwerk
Raupenfahrwerk
Milling drum
Milling drum
Milling drum
Milling drum
Milling unit accessories
Milling unit accessories
Milling unit accessories
Milling unit accessories
Milling unit accessories
Milling unit accessories
Side piece right
Side piece left
Milling drum housing
Milling drum housing
Milling drum housing
Milling drum housing
Milling drum housing
Milling drum housing
Milling drum housing
Milling drum housing
Milling drum housing
Hold-down
Water sprinkler system
Water sprinkler system
Water sprinkler system
Water sprinkler system
Water pump, installation
Locks and doors
Locks and doors
Locks and doors
Locks and doors
Locks and doors
Locks and doors
Locks and doors
Locks and doors
Locks and doors
Access steps
Operator's seat
Operator's seat
Vandalism protection
Vandalism protection
Frame
Frame
Frame
Frame
Frame
Frame
Frame
Frame
Frame
Frame
Frame
Frame
Frame
Frame
Frame
Frame
Frame
Hoods
Hoods
Hoods
Hoods
Hoods
Hoods
Hoods
Hoods
Hoods
Hoods
Pedestal
Fork
Pillow block
Pillow block
Fuel tank
Water tank
Hydraulic oil tank
Hydraulic oil tank
Hydraulic oil tank
Hydraulic oil tank
Decals
Decals
Decals
Decals
Decals
Lateral control panels
Lateral control panels
Lateral control panels
Lateral control panels
Lateral control panels
Control panel
Control panel
Control panel
Control panel
Control panel
Dashboard
Dashboard
Dashboard
Dashboard
Dashboard
Dashboard
Dashboard
Dashboard
Right arm rest, assembled
Right arm rest, assembled
Right arm rest, assembled
Right arm rest, assembled
Battery
Electric control cabinet
Electric control cabinet
Electric control cabinet
Electric control cabinet
Electric control cabinet
Electric control cabinet
Electric control cabinet
Electric control cabinet
Electric control cabinet
Electric control cabinet
Electric control cabinet
Electric control cabinet
Electrical equipment
Electrical equipment
Electrical equipment
Electrical equipment
Electrical equipment
Wire harness
Wire harness
Wire harness
Wire harness
Wire harness
Wire harness
Wire harness
Wire harness
Wire harness
Valve
Valve
Valve
Valve
Valve
Valve
Valve
Valve
Valve
Hydraulic system plate
Hydraulic system plate
Hydraulic system plate
Hydraulic system plate
Ventilblock Betrieb
Ventilblock Betrieb
Ventilblock Betrieb
Hydraulic oil filter
Hydraulic oil filter
Hydr. Anl. Rohre und Zylinder
Hydr.,discharge belt up/swivel
Hydraulic system, belts
Hydraulic, height adjustment
Hydraulic, height adjustment
Hydraulic, front steering
Hydraulic, front steering
Hydraulic, rear steering
Hydraulic, travel system
Hydr. emergency steering
Hydraulic, scraper flap
Hydraulic, lateral levelling
Hydraulic, lateral levelling
Hydraulic, lateral levelling
Hydraulik Niederhalter
Hydraulic, cooler
Hydraulic, coupling
Emergency hydraulics
Akkumulator Kupplung
FO13-Diesel refilling pump
FO20-Free floating conveyor
FO7-Pneumatic tool teeth
FO7-Pneumatic tool teeth
FO7-Pneumatic tool teeth
FO7-Pneumatic tool teeth
FO3-Water filling system
FO3-Water filling system
FO3-Water filling system
FO3-Water filling system
FO2-High pressure cleaner
FO2-High pressure cleaner
FO2-High pressure cleaner
FO2-High pressure cleaner
FO2-High pressure cleaner
FO2-High pressure cleaner
FO1-Protection roof
FO1-Protection roof
FO1-Protection roof
FO1-Protection roof
FO1-Protection roof
FO1-Protection roof
Roof, assembled
Roof, assembled
Roof, assembled
FO24-Seat for service
FO25-Panorama mirror
FO25-Panorama mirror
FO12-Kit road registration
FO12-Kit road registration
FO12-Kit road registration
FO12-Kit road registration
FO12-Kit road registration
FO12-Kit road registration
FO12-Kit road registration
FO12-Kit road registration
FO12-Kit road registration
E51-Generator 230V/50Hz
Clutch
Transmission
Transmission
Transmission
Water Pump
Hydraulic Pump
Hydraulic Pump
Hydraulic Pump
Hydraulic Pump
Hydraulic Pump
Hydraulic Pump
Hydraulic Pump
Hydraulic Motor
Steering Valve
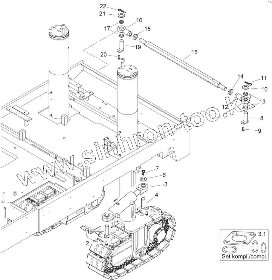
1
2
3
4
6
7
8
9
10
11
12
13
14
15
16
17
18
19
20
21
22
Позиция на иллюстрации
Заводской номер детали
Название детали
1
83630129
Collar pin
2
324002208
Screw
3
D2326014
Cylinder barrel
4
83630129
Collar pin
5
324002208
Screw
6
323111030
Washer
7
323074004
Cotter pin
8
83630129
Collar pin
9
324002208
Screw
10
323111030
Washer
11
323074004
Cotter pin
12
05921096
Joint end
13
83630141
Spacer bush
14
324105030
Nut
15
83630158
Tie rod end
16
05921097
Joint end
17
83630141
Spacer bush
18
324105130
Nut
19
83630129
Collar pin
20
324002208
Screw
21
323111030
Washer
22
323074004
Cotter pin
Содержащиеся в справочниках-каталогах запасные части и детали не предлагаются к продаже, а носят исключительно информационный характер
Дополнительная информация
×
Название:
Номер:
Примечание: