Вернуться на главную
Поиск
Каталоги запчастей к технике
Спецтехника
BOMAG
BF 300 C S340 TV
Main screed
Каталог запасных частей к технике: BOMAG BF 300 C S340 TV. Main screed
zoom-in
zoom-out
enlarge
shrink
circle-right
circle-left
file-text2
info
cart
Тип техники
Не выбрано
Легковые автомобили
Грузовые автомобили и прицепы
Автобусы
Сельхозтехника
Спецтехника
Двигатели
Мототехника
Марка
Не выбрано
Ammann
BOMAG
CARMIX
CASE IH
Changlin
ChengGong
Dimex
Doosan
DYNAPAC
Foton
HAMM
Hidromek
Hitachi
Hyundai
JCB
JLG
John Deere
Komatsu
LIEBHERR
LiuGong
Lonking (LongGong)
Luneng
MANITOU
Mitsuber
New Holland
PENGPU
RM-Terex
SANY
SDLG
SEM
Shantui
Shehwa HBXG
Soosan
TIGARBO
VOGELE
Volvo
WAY
WIRTGEN
XCMG
XGMA
Xiamen
YTO
Yuchai
Zoomlion
Автокран
АЗСМ
Алтайлесмаш
Амкодор
АОМЗ
Атек
АТЗ
Балканкар Рекорд
БелАЗ
Беловеж
Борекс
Брянский Арсенал
Булат
ВЭКС
ГАЗ
Геомаш
Гидромаш
Донекс
Дормаш
Дормашина
Дорэлектромаш
ДЭЗ
ЕлАЗ
ЗЗГТ
Ижнефтемаш
Канаш-электрокар
КЗКТ
ККЗ
Клевер
Клинцовский автокрановый завод
КМЗ
КМЗ 1 Мая
Ковровец
Коммаш
Кранэкс
КЭЗ
КЭМЗ
ЛЗА
МАЗ
МЗИК
МЗКМ
МЗКТ
Михневский РМЗ
МоАЗ
Мозырский МЗ
МТЗ
ОЗП
Онежец
ПАО "ТЗА"
ППС Детва
Промтрактор
ПТЗ
Раскат
СпецАгрегат
ТВЭКС
ТТМ
УВЗ
Угличмаш
УЗТМ
ХТЗ
ЧЗКМ
ЧСДМ
ЧТЗ
ЭКСКО
ЭКСМАШ
ЮрМаш
Модель
Не выбрано
BC772RB-2 (2017)
BF 300 C S340 TV
BM1300-30-2 (2011)
BW 211D-40
BW 24R (2007)
BW 24RH (2012)
BW120AD-5 (2017)
BW211D-40 (2007)
Схема
>
Не выбрано
Engine assembly group
Engine assembly group
Engine assembly group
Engine assembly
Fuel system
Exhaust System
Pump mounting
Air Filter
Generator
Generator
Water-oil exchanger
Water-oil exchanger
Wear plates conveyor belt
Wear plates conveyor belt
Driving shaft conveyor
Driving shaft conveyor
Driving shaft conveyor
Conveyor chain
Auger
Auger
Material peeding paddels
Worm equipment
Worm equipment
Worm housing
Worm housing
Undercarriage
Undercarriage
Travel motor
Scrapers for tracks
Scrapers for tracks
Main screed
Main screed
Main screed
Main screed, assembled
Main screed, assembled
Discharge chute
Discharge chute
Discharge chute
Hoods
Hoods
Hoods
Hydr. Screed extensions l.h.
Hydr. Screed extensions l.h.
Hydr. Screed extensions l.h.
Hydr. Screed extensions l.h.
Hydr. Screed extensions l.h.
Hydr. Screed extensions l.h.
Drag chain
Vibration
Vibration
Step
Step
Step
Step
Step
Vibrat.,Grundb.li,Ausfahrb.re.
Vibrat.,Grundb.re,Ausfahrb.li.
Tamper, Main screed left
Tamper, Main screed right
Tamper, Anbaubohle links
Tamper, attachm. screed l.h.
Tamper, attchm. screed r.h.
Tamper, attchm. screed r.h.
Tamper, Universal joint
Tamper
Tamper
Tamper
Tamper
Covering,main screed
Covering,screed extensions
Covering,screed extensions
Ultrasound sensor
Ultrasound sensor
Hydraulic
Hydraulic
Hose kit, screed
Hose kit, screed
Hose kit, screed
Hose kit, screed
Wire harness screed
Electr.syst.screed heating (E)
Electr.syst.screed heating (E)
Electr.syst.screed heating (E)
Electr.syst.screed heating (E)
Electr.syst.screed heating (E)
Electr.syst.screed heating (E)
Lubrication system
Lubrication system
Lubrication system
Lubrication oil filter
Frame accessories
Frame accessories
Frame And Attachm.Parts
Material hopper
Material hopper
Pressure rollers
Right push rollers,assembled
Left push rollers,assembled
Screed tow arms
Screed tow arms
Screed tow arms
Screed tow arms
Lock
Operator's platform
Operator's platform
Platform rear
Platform rear
Operator's seat
Seat support, assembled
Seat support, assembled
Seat support, assembled
Seat support, assembled
Drag chain
Right arm rest, assembled
Left arm rest, assembled
Step plate, movable
Step plate, movable
Step plate, movable
Operator's platform, assembly
Operator's platform, assembly
Vandalism protection
Hoods, assembled
Hoods, assembled
Hoods, assembled
Hoods, assembled
Hoods, assembled
Hoods, mounting
Hoods, mounting
Hoods, mounting
Hoods, mounting
Hoods, mounting
Mudguard and cover parts
Mudguard and cover parts
Protection roof
Protection roof
Fuel tank
Hydraulic oil tank
Hydraulic oil tank
Tool box complete
Decals
Decals
Decals
Decals
Decals
Decals
Decals
Decals
Accessories
Control panel
Control panel, assembled
Control panel, assembled
Control panel, assembled
Control panel, assembled
Control panel, assembled
Control panel, assembled
Control panel, assembled
Central electric
Central electric, assembled
Central electric, assembled
Central electric, assembled
Central electric, assembled
Electrical equipment
Electrical equipment
Electrical equipment
Electrical equipment
Electrical equipment
Control panel
Control unit complete,left
Control unit complete,right
Control unit mech.compon.left
Control unit mech.compon.right
Control unit elec.compon.left
Control unit elec.compon.left
Control unit elec.compon.right
Control unit elec.compon.right
Lateral control panels
Strip terminal 1, assembled
Strip terminal 2, assembled
Strip terminal 3, assembled
Strip terminal 4, assembled
Battery
Heating box
Heating box
Heating box
Wire harnesses
Kit,wire harness
Kit,wire harness
Kit,wire harness
Kit,wire harness
Kit,wire harness
Hydraulics, emergency brake
Hydraulics, emergency brake
Hydr. pipe tensioning cylinder
Hydraulic, Conveyor system
Hydraulic, Conveyor worms
Hydraulics, Drive
Hydraulics, Drive
Supply, vibration, tamper
Hydraulic, Auxiliary system
Hydraulic, Auxiliary system
Hydraulic, Auxiliary system
Hydraulic, Lifting
Hydraulic, Lifting
Hydraulic, Protection roof
Hyrd.Syst., Operation
Hyrd.Syst., Operation
Hydraulic, valves
Hydraulic, valves
Hydraulic, valves
Hydraulic, valves
Hose kit, operation
Hose kit, operation
Hose kit, operation
Hose kit, operation
Tube kit, operation
Tube kit, operation
Hose kit, drive
Hose kit, drive
Hose kit, drive
E23-Preheating system
PO44-Reduct.shoes 38cm
PO58-Mech.adj.screed crown
PO91-1Long+Trans Level. Mech
PO91-1Long+Trans Level. Mech
PO91-1Long+Trans Level. Mech
PO92-2Long+Trans Level. Mech.
PO92-2Long+Trans Level. Mech.
PO92-2Long+Trans Level. Mech.
PO92-2Long+Trans Level. Mech.
PO93-1Long+Trans Level. Sonic
PO93-1Long+Trans Level. Sonic
PO93-1Long+Trans Level. Sonic
PO94-2Long+Trans Level. Sonic
PO94-2Long+Trans Level. Sonic
PO94-2Long+Trans Level. Sonic
PO94-2Long+Trans Level. Sonic
PO125-Screed ext.3,4m -> 4,00m
PO125-Screed ext.3,4m -> 4,00m
PO125-Screed ext.3,4m -> 4,00m
Extension, left
Extension, left
Extension, left
Extension, left
Extension, left
Extension, left
Extension, left
Extension, right
Extension, right
Extension, right
Extension, right
Extension, right
Extension, right
Extension, right
PO81-El.heat.screed end plates
PO81-El.heat.screed end plates
PO147-adj.grade ski sensor supp
Junction box,left
Junction box,left
Junction box,right
Junction box,right
PO152-Holder leveling system
Longitudinal levelling
Longitudinal levelling
Longitudinal levelling
Longitudinal levelling
Longitudinal levelling
PO123-Pump, greasing system
PO57-Central.lubrication sys.
PO57-Central.lubrication sys.
PO57-Central.lubrication sys.
PO42-Cleaning Kit
PO42-Cleaning Kit
S46-Weather protection
S46-Weather protection
S46-Weather protection
S46-Weather protection
S46-Weather protection
S46-Weather protection
K21-Seat heating
PO118-Sonic Sensors for Slats
PO118-Sonic Sensors for Slats
PO118-Sonic Sensors for Slats
E51-Generator 230VI50HzIDE
E65-Bomag Telematic Start
PO52-Hydr.adj.screed crown
PO52-Hydr.adj.screed crown
HY2-Bio hydraulic oil
Engine Parts List
Crankcase
Crankcase
Front Cover
Oil Pan
Oil Pan
Cylinder Head
Cylinder Head
Cylinder Head
Cylinder Head
Camshaft
Control Pieces
Control Pieces
Oil And Fuel Filter
Lube Oil Cooler
Injection Pump
Injection Pump
Injection Pump
Injection Pump
Injection Pump
Crankshaft And Piston
Suction Pipe And Exhaust
Suction Pipe And Exhaust
Suction Pipe And Exhaust
Suction Pipe And Exhaust
Turbocharger
Turbocharger
Turbocharger
Generator And Starter
Generator And Starter
Generator And Starter
Generator And Starter
Electrical Equipment
Measuring Instruments
Engine Shut Off
Seal Kit
Seal Kit
Water Cooling
Water Cooling
Water Cooling
Water Cooling
Governor
Governor
Governor
Dry air filter
Generator
Clutch
Combination radiator
Transmission
Crawler system
Crawler system
Water Pump
Spray gun
Lubrication oil pump
Lubrication system
Lubrication system
Hydraulic Pump
Hydraulic Pump
Hydraulic Pump
Hydraulic Pump
Hydraulic Pump
Hydraulic Pump
Hydraulic Motor
Hydraulic Motor
Gear pump
Tandem gear pump
Way valve
Hydraulic Oil Filter
Valve Block
Valve Block
Valve Block
Valve Block
Valve Block
Valve Block
Valve Block
Valve Block
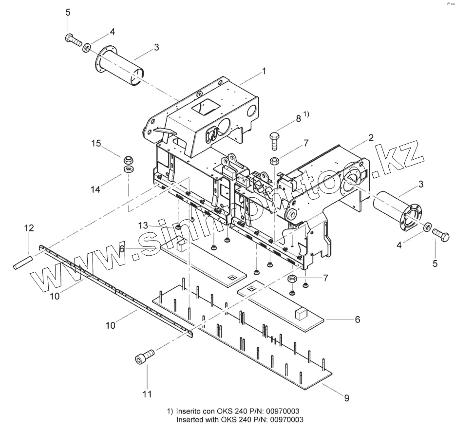
1
2
3
3
4
4
5
5
6
6
7
7
8
9
10
10
11
12
13
14
15
Позиция на иллюстрации
Заводской номер детали
Название детали
1
83743130
Frame
2
83743100
Frame
3
83743125
Pillow block
4
08752084
Spring washer
5
324002206
Screw
6
83740333
Heating plate
7
324560012
Nut
8
324002302
Screw
9
83743281
Screed plate
10
83743245
Closure rail,Tamper bar
11
324045122
Screw
12
323042189
Plug
13
06421201
Levelling element
14
08752130
Spring washer
15
324135012
Nut
Содержащиеся в справочниках-каталогах запасные части и детали не предлагаются к продаже, а носят исключительно информационный характер
Дополнительная информация
×
Название:
Номер:
Примечание: