Вернуться на главную
Поиск
Каталоги запчастей к технике
Спецтехника
BOMAG
BC772RB-2
Front Covering
Каталог запасных частей к технике: BOMAG BC772RB-2. Front Covering
zoom-in
zoom-out
enlarge
shrink
circle-right
circle-left
file-text2
info
cart
Тип техники
Не выбрано
Легковые автомобили
Грузовые автомобили и прицепы
Автобусы
Сельхозтехника
Спецтехника
Двигатели
Мототехника
Марка
Не выбрано
Ammann
BOMAG
CARMIX
CASE IH
Changlin
ChengGong
Dimex
Doosan
DYNAPAC
Foton
HAMM
Hidromek
Hitachi
Hyundai
JCB
JLG
John Deere
Komatsu
LIEBHERR
LiuGong
Lonking (LongGong)
Luneng
MANITOU
Mitsuber
New Holland
PENGPU
RM-Terex
SANY
SDLG
SEM
Shantui
Shehwa HBXG
Soosan
TIGARBO
VOGELE
Volvo
WAY
WIRTGEN
XCMG
XGMA
Xiamen
YTO
Yuchai
Zoomlion
Автокран
АЗСМ
Алтайлесмаш
Амкодор
АОМЗ
Атек
АТЗ
Балканкар Рекорд
БелАЗ
Беловеж
Борекс
Брянский Арсенал
Булат
ВЭКС
ГАЗ
Геомаш
Гидромаш
Донекс
Дормаш
Дормашина
Дорэлектромаш
ДЭЗ
ЕлАЗ
ЗЗГТ
Ижнефтемаш
Канаш-электрокар
КЗКТ
ККЗ
Клевер
Клинцовский автокрановый завод
КМЗ
КМЗ 1 Мая
Ковровец
Коммаш
Кранэкс
КЭЗ
КЭМЗ
ЛЗА
МАЗ
МЗИК
МЗКМ
МЗКТ
Михневский РМЗ
МоАЗ
Мозырский МЗ
МТЗ
ОЗП
Онежец
ПАО "ТЗА"
ППС Детва
Промтрактор
ПТЗ
Раскат
СпецАгрегат
ТВЭКС
ТТМ
УВЗ
Угличмаш
УЗТМ
ХТЗ
ЧЗКМ
ЧСДМ
ЧТЗ
ЭКСКО
ЭКСМАШ
ЮрМаш
Модель
Не выбрано
BC772RB-2 (2017)
BF 300 C S340 TV
BM1300-30-2 (2011)
BW 211D-40
BW 24R (2007)
BW 24RH (2012)
BW120AD-5 (2017)
BW211D-40 (2007)
Схема
>
Не выбрано
Engine Parts List
Crankcase
Crankcase
Crankcase
Crankcase
Crankcase
Crankcase
Crankcase
Crankcase
Crankcase
Crankcase
Crankcase
Crankcase
Crankcase
Oil Pan
Cylinder And Piston
Cylinder And Piston
Cylinder And Piston
Crankshaft
Crankshaft
Crankshaft
Crankshaft
Crankshaft
Crankshaft
Crankshaft
Cylinder Head
Cylinder Head
Cylinder Head
Cylinder Head
Cylinder Head
Cylinder Head
Cylinder Head
Camshaft
Camshaft
Control Pieces
Control Pieces
Control Pieces
Lubrication Oil Pump
Oil And Fuel Filter
Oil And Fuel Filter
Lube Oil Cooler
Lube Oil Tube
Lube Oil Tube
Lube Oil Tube
Lube Oil Tube
Lube Oil Tube
Injection Pump
Injection Pump Drive
Injection Pump Drive
Injection Pump Drive
Injection Pump Drive
Injection Valve
Fuel Pipes
Fuel Pipes
Suction Pipe And Exhaust
Suction Pipe And Exhaust
Suction Pipe And Exhaust
Suction Pipe And Exhaust
Suction Pipe And Exhaust
Suction Pipe And Exhaust
Suction Pipe And Exhaust
Suction Pipe And Exhaust
Suction Pipe And Exhaust
Suction Pipe And Exhaust
Suction Pipe And Exhaust
Suction Pipe And Exhaust
Suction Pipe And Exhaust
Preheating System
Preheating System
Throttle Control
Air Compressor
Cooling Blower
Cooling Blower
Cooling Blower
Cooling Blower
Turbocharger
Turbocharger
Turbocharger
Turbocharger
Turbocharger
Turbocharger
Generator And Starter
Generator And Starter
Generator And Starter
Generator And Starter
Generator And Starter
Generator And Starter
Generator And Starter
Generator And Starter
Generator And Starter
Generator And Starter
Electrical Equipment
Electrical Equipment
Electrical Equipment
Electrical Equipment
Electrical Equipment
Electrical Equipment
Electrical Equipment
Electrical Equipment
Electrical Equipment
Electrical Equipment
Electrical Equipment
Electrical Equipment
Electrical Equipment
Electrical Equipment
Electrical Equipment
Electrical Equipment
Electrical Equipment
Electrical Equipment
Electrical Equipment
Measuring Instruments
Measuring Instruments
Measuring Instruments
Measuring Instruments
Measuring Instruments
Measuring Instruments
Connecting Housing
Connecting Housing
Connecting Housing
Hydraulic Pump
Seal Kit
Fuel Lift Pump
Fuel Lift Pump
Boost Fuel Supply
Water Cooling
Water Cooling
Water Cooling
Water Cooling
Water Cooling
Water Cooling
Water Cooling
Aircleaner & Exhaust
Aircleaner & Exhaust
Aircleaner & Exhaust
Aircleaner & Exhaust
Aircleaner & Exhaust
Aircleaner & Exhaust
Aircleaner & Exhaust
Aircleaner & Exhaust
Aircleaner & Exhaust
Aircleaner & Exhaust
Aircleaner & Exhaust
Aircleaner & Exhaust
Fuel Prefilter
Fuel Prefilter
Fuel Prefilter
Fuel Pipes
Fuel Pipes
Engine
Engine
Engine
Engine
Engine
Engine
Engine
Engine
Engine
Engine
Engine
Engine
Air Intake
Air Intake
Air Duct
Air Duct
Air Duct
Exhaust System
Radiator System
Radiator System
Radiator System
Radiator System
Radiator System
Radiator System
Radiator System
Radiator System
Dry Air Filter
Dry Air Filter
Radiator
Clutch
Actuation
Actuation
Actuation
Control Lever
Control Lever
Transmission
Gear unit for travel
Steering Cylinder
Steering Cylinder
Steering Cylinder
Articulated Joint
Articulated Joint
Articulated Joint
Link, assembled
Front Frame
Rear Frame
Rear Frame
Rear Frame
Rear Frame
Transport Safety Device
Noise Insulation
Noise Insulation
Operators Platform
Cab
Cab
Cab
Cab
Cab
Cab
Cab
Cab
Cab
Cab
Operator's Seat
Operator's Seat
Operator's Seat
Operator's Seat
Operator's Seat
Operator's Seat
Heating Connection
Front Covering
Front Covering
Rear Covering
Rear Covering
Rear Covering
Rear Covering
Rear Covering
Rear Covering
Rear Covering
Rear Covering
Rear Covering
Rear Covering
Rear Covering
Service Platform
Service Platform
Service Platform
Service Platform
Service Platform
Service Platform
Service Platform
Dozer Blade Installation
Front Lubrication System
Rear Lubrication System
Fuel Tank
Fuel Tank
Fuel Tank
Oil Tank
Hydraulic Tank
Hydraulic Tank
Fuel tank, assembled
Hydraulic oil tank,assembled
Operator's Seat
Operator's Seat
Operator's Seat
Operator's Seat
Cab
Cab
Cab
Cab
Cab
Cab
Cab
Cab
Cab
Cab
Cab
Cab
Cab
Cab
Cab
Cab
Cab
Cab
Cab
Cab
Cab
Cab
Central Lubrication Pump
Distributor
Wheel Drive
Wheel Drive
Wheel Drive
Wheel Drive
Transport Wheels
Battery
Battery
Battery
Battery
Dashboard
Dashboard
Dashboard
Control Box
Control Box
Control Box
Control Box
Control Box
Control Box
Control Box
Control Box
Lightning,rear
Wire harnesses
Wire harnesses
Wire harnesses
Wire harnesses
Wire harnesses
Wire harnesses
Wire harnesses
Wire harnesses
Wire harnesses
Compensation tank,oil
Compensation tank,oil
Return Flow Filter
Return Flow Filter
Return Flow Filter
Return Flow Filter
Cooler Return Line
Leakage Line
Flushing
Cooling
Cooling
Compensation tank,assembled
Travel Circuit
Travel Circuit
Continual throttle
Continual throttle
Brake Circuit
Brake Releasing Device
Brake Releasing Device
Brake Releasing Device
Hydraulic sys.,dozer blade
Hydraulic sys.,dozer blade
Working Hydraulics
Working Hydraulics
Filter
Filter
Filter
Filter
Filter
Suction Pipe
Suction Pipe
Valve Block
Valve Block
Hydraulic Tandem Pump
Hydraulic Tandem Pump
Hydraulic Tandem Pump
Hydraulic Tandem Pump
Hydraulic Tandem Pump
Hydraulic Tandem Pump
Hydraulic Tandem Pump
Hydraulic Tandem Pump
Hydraulic Tandem Pump
Hydraulic Tandem Pump
Hydraulic Tandem Pump
Hydraulic Tandem Pump
Hydraulic Tandem Pump
Hydr.Motor,Travel System
Hydr.Motor,Travel System
Hydr.Motor,Travel System
Hydr.Motor,Travel System
Hydr.Motor,Travel System
Hydr.Motor,Travel System
Hydr.Motor,Travel System
Hydr.Motor,Travel System
Hydr.Motor,Travel System
Gear pump
Way Valve
Hydraulic Oil Filter
Filter,Hydraulic Oil
Dozer Blade Cylinder
Dozer Blade Cylinder
Steering Cylinder
Steering Cylinder
Steering Cylinder
Steering Pump
Steering Pump
Steering Pump
Steering Pump
Valve Block
Valve Block
Valve Block
Valve Block
Valve Block
Valve Block
Valve Block
Valve Block
Valve Block
Valve Block
Valve Block
Valve Block
Valve Block
Valve Block
Valve Block
Valve Block
Valve Block
Valve Block
Accessories
Decals
Decals
Decals
Decals
D5-Zyklon pre-seperator
D5-Zyklon pre-seperator
D5-Zyklon pre-seperator
D5-Zyklon pre-seperator
M41-Fan with reversal function
M41-Fan with reversal function
M41-Fan with reversal function
M41-Fan with reversal function
M41-Fan with reversal function
M41-Fan with reversal function
M41-Fan with reversal function
M41-Fan with reversal function
M41-Fan with reversal function
Precleaner
FS3-Burglary protection
K9-Auxiliary cabin heating
K9-Auxiliary cabin heating
K9-Auxiliary cabin heating
K9-Auxiliary cabin heating
K17-Preparat. Safety ventilat.
Y8-Dozer blade accessories
Y8-Dozer blade accessories
Y2-Dozer blade 4356 mm
Y5-Dozer blade 3800 mm
PS6-Preparat.Tarp-O-Matic
PS6-Preparat.Tarp-O-Matic
PS6-Preparat.Tarp-O-Matic
PS6-Preparat.Tarp-O-Matic
PS6-Preparat.Tarp-O-Matic
PS6-Preparat.Tarp-O-Matic
Dozer blade, assembled 4356 mm
Dozer blade, assembled 4356 mm
Dozer blade, assembled 4356 mm
Dozer blade, assembled 3800mm
Dozer blade, assembled 3800mm
Dozer blade, assembled 4480mm
Dozer blade, assembled 4480mm
Dozer blade, assembled 3800mm
Dozer blade, assembled 3800mm
Dozer blade, assembled 3800 mm
Dozer blade, assembled 3800 mm
Dozer blade, assembled 3800 mm
Y14-BOMAG Semi-U-Blade 3800 mm
Y15-Clean-off blade 3800mm
Y19-BOMAG Semi-U-Blade 4480mm
RA13-Impact protection,tailgate
RA13-Impact protection,tailgate
RA13-Impact protection,tailgate
RA13-Impact protection,tailgate
RA13-Impact protection,tailgate
RA13-Impact protection,tailgate
RA14-Impact protection+cyclone
RA14-Impact protection+cyclone
RA14-Impact protection+cyclone
RA14-Impact protection+cyclone
RA14-Impact protection+cyclone
RA14-Impact protection+cyclone
RA18-Impact protect.+cycl.,cab
RA18-Impact protect.+cycl.,cab
RA18-Impact protect.+cycl.,cab
RA18-Impact protect.+cycl.,cab
RA18-Impact protect.+cycl.,cab
PS3-Shovel
PS3-Shovel
PS3-Shovel
PS3-Shovel
PS3-Shovel
PS3-Shovel
PS3-Shovel
PS3-Shovel
PS3-Shovel
K19-Heating-Climate-Automatic
K19-Heating-Climate-Automatic
K19-Heating-Climate-Automatic
K19-Heating-Climate-Automatic
K19-Heating-Climate-Automatic
K20-Cyclone separator, cab
K20-Cyclone separator, cab
K20-Cyclone separator, cab
Shovel
Shovel
Shovel
Heating unit
Heating unit
T44-Wheels,BOMAG caps (772)
T60-Wheels,premium (772)
E66-Bomag Telematic Power
E66-Bomag Telematic Power
E66-Bomag Telematic Power
AZ12-Tachograph w.connector
AZ12-Tachograph w.connector
E36-Reversing monitoring
E36-Reversing monitoring
E36-Reversing monitoring
E36-Reversing monitoring
FL2-Fire extinguisher
FL2-Fire extinguisher
SW1-Service kit 1000h
SW1-Service kit 1000h
SW1-Service kit 1000h
SW1-Service kit 1000h
SW1-Service kit 1000h
SW1-Service kit 1000h
SW6-Oil service kit
SW6-Oil service kit
SW6-Oil service kit
Hydr.Motor,Travel System
Hydr.Motor,Travel System
Hydr.Motor,Travel System
Hydr.Motor,Travel System
Hydr.Motor,Travel System
Hydr.Motor,Travel System
Hydr.Motor,Travel System
Dozer Blade Cylinder
Tilting Cylinder
Tilting Cylinder
Lifting Cylinder
Lifting Cylinder
Valve Block
Valve Block
Valve Block
Valve Block
Valve Block
Valve Block
Valve Block
Valve Block
Valve Block
Valve Block
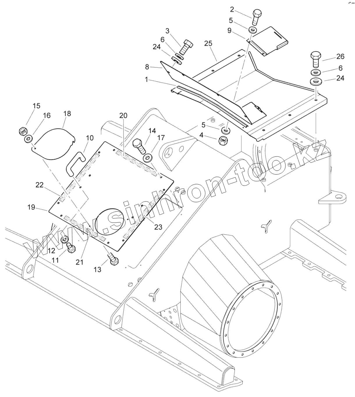
1
2
3
4
5
5
6
6
8
9
10
11
12
13
14
15
16
17
18
19
20
21
22
23
24
24
25
26
Позиция на иллюстрации
Заводской номер детали
Название детали
1
00652012
Sealing section
2
07140633
Hexagon bolt
3
07141017
Hexagon bolt
4
08130611
Safety nut
5
08751064
Spring washer
6
08752106
Spring washer
8
57290112
Plate
9
57290153
Cover
10
06415251
Bow handle
11
07140834
Hexagon bolt
12
08752084
Spring washer
13
07140824
Hexagon bolt
14
07141027
Hexagon bolt
15
08110813
Hexagon nut
16
08510818
Washer
17
08752106
Spring washer
18
57290204
Cover
19
57290205
Plate
20
00652071
Expanded rubber
21
00652071
Expanded rubber
22
00652071
Expanded rubber
23
00652071
Expanded rubber
24
08621105
Washer
25
57290156
Hood, cover
26
07141041
Hexagon bolt
Содержащиеся в справочниках-каталогах запасные части и детали не предлагаются к продаже, а носят исключительно информационный характер
Дополнительная информация
×
Название:
Номер:
Примечание: