Вернуться на главную
Поиск
Каталоги запчастей к технике
Спецтехника
БелАЗ
БелАЗ-7823
Картер гидротрансформатора с приводом насосов
Каталог запасных частей к технике: БелАЗ-7823. Картер гидротрансформатора с приводом насосов
zoom-in
zoom-out
enlarge
shrink
circle-right
circle-left
file-text2
info
cart
Тип техники
Не выбрано
Легковые автомобили
Грузовые автомобили и прицепы
Автобусы
Сельхозтехника
Спецтехника
Двигатели
Мототехника
Марка
Не выбрано
Ammann
BOMAG
CARMIX
CASE IH
Changlin
ChengGong
Dimex
Doosan
DYNAPAC
Foton
HAMM
Hidromek
Hitachi
Hyundai
JCB
JLG
John Deere
Komatsu
LIEBHERR
LiuGong
Lonking (LongGong)
Luneng
MANITOU
Mitsuber
New Holland
PENGPU
RM-Terex
SANY
SDLG
SEM
Shantui
Shehwa HBXG
Soosan
TIGARBO
VOGELE
Volvo
WAY
WIRTGEN
XCMG
XGMA
Xiamen
YTO
Yuchai
Zoomlion
Автокран
АЗСМ
Алтайлесмаш
Амкодор
АОМЗ
Атек
АТЗ
Балканкар Рекорд
БелАЗ
Беловеж
Борекс
Брянский Арсенал
Булат
ВЭКС
ГАЗ
Геомаш
Гидромаш
Донекс
Дормаш
Дормашина
Дорэлектромаш
ДЭЗ
ЕлАЗ
ЗЗГТ
Ижнефтемаш
Канаш-электрокар
КЗКТ
ККЗ
Клевер
Клинцовский автокрановый завод
КМЗ
КМЗ 1 Мая
Ковровец
Коммаш
Кранэкс
КЭЗ
КЭМЗ
ЛЗА
МАЗ
МЗИК
МЗКМ
МЗКТ
Михневский РМЗ
МоАЗ
Мозырский МЗ
МТЗ
ОЗП
Онежец
ПАО "ТЗА"
ППС Детва
Промтрактор
ПТЗ
Раскат
СпецАгрегат
ТВЭКС
ТТМ
УВЗ
Угличмаш
УЗТМ
ХТЗ
ЧЗКМ
ЧСДМ
ЧТЗ
ЭКСКО
ЭКСМАШ
ЮрМаш
Модель
Не выбрано
7822, 78221 (2016)
7823, 78231 (2016)
БелАЗ-7822 (2008)
БелАЗ-7822 (2011)
БелАЗ-7823 (2008)
Схема
>
Не выбрано
Установка кабины
Кабина
Дверь кабины
Установка стеклоочистителей и стеклоомывателей
Установка сиденья
Установка подлокотника
Установка лестниц
Вентилятор кабины и его установка
Отопитель
Установка отопителя кабины
Установка трубопроводов отопителя
Установка противосолнечного козырька и зеркало заднего вида
Установка капотов
Установка оперения
Подшипники
Установка двигателя на бульдозере БелАЗ-7823
Установка двигателя на бульдозере БелАЗ-78231
Установка предпускового подогревателя на бульдозере БелАЗ-7823
Установка предпускового подогревателя на бульдозере БелАЗ-78231
Установка воздушного фильтра на бульдозере БелАЗ-7823
Установка воздушного фильтра на бульдозере БелАЗ-78231
Фильтр воздушный
Установка топливного бака и топливопроводов на бульдозер БелАЗ-7823
Установка топливного бака и топливопроводов на бульдозер БелАЗ-78231
Топливный бак
Фильтр грубой очистки топлива бульдозера БелАЗ-7823
Обогреватель топлива с фильтром бульдозера БелАЗ-7823, 78231
Привод управления подачей топлива бульдозера БелАЗ-7823
Привод управления подачей топлива бульдозера БелАЗ-78231
Цилиндр пневматический
Установка системы выпуска отработавших газов на бульдозере БелАЗ-7823
Установка системы выпуска отработавших газов на бульдозере БелАЗ-78231
Радиаторы системы охлаждения и кожух вентилятора
Кожух с масляным радиатором бульдозера БелАЗ-7823
Кожух с масляным радиатором бульдозера БелАЗ-78231
Радиатор
Трубопроводы системы охлаждения бульдозера БелАЗ-7823
Трубопроводы системы охлаждения бульдозера БелАЗ-78231
Жалюзи радиатора и их привод
Жалюзи радиатора
Пневмопереключатель
Установка гидромеханической передачи
Гидромеханическая передача. Согласующая передача и гидротрансформатор с коробкой передач
Гидромеханическая передача. Трубопроводы
Насос масляный передний
Гидротрансформатор с коробкой передач
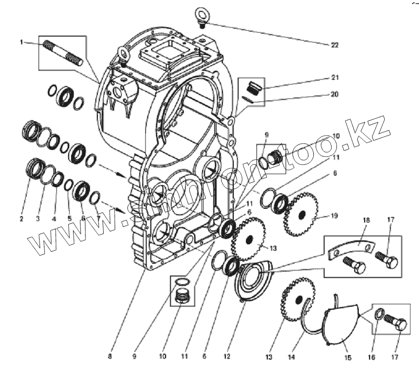
Картер гидротрансформатора с приводом насосов
Картер гидротрансформатора
Колесо насоса
Колесо турбины
Колесо первого (второго) реактора
Коробка передач. Картеры
Коробка передач. Установка первичного вала
Коробка передач. Установка реверсивного и диапазонного валов
Коробка передач. Установка выходного вала
Коробка передач. Установка маслозаборника и полнопоточного фильтра
Коробка передач. Установка крышек диапазонного, реверсивного валов и брызговиков шестерен
Картер коробки передач
Картер гидромеханической передачи
Коробка передач. Установка механизма управления гидромеханической передачей и золотниковой коробки
Трубопровод подводящий и подпорный клапан
Вал первичный
Вал реверсивный (диапазонный)
Крышка диапазонного вала
Крышка реверсивного вала
Ступица гидротрансформатора
Фрикцион
Механизм управления гидромеханической передачей
Электромагнит
Клапан корректирующий
Маслозаборник и полнопоточный фильтр
Коробка золотниковая
Картер, вал первичный, вал вторичный и вал привода насоса согласующей передачи
Трубопроводы и шланги гидромеханической передачи бульдозера БелАЗ-7823
Трубопроводы и шланги гидромеханической передачи бульдозера БелАЗ-78231
Теплообменник водомасляный и его установка
Установка карданных валов на бульдозере БелАЗ-7823
Установка карданных валов на бульдозере БелАЗ-78231
Муфта упругая на бульдозер БелАЗ-7823
Муфта упругая на бульдозер БелАЗ-78231
Вал карданный промежуточный
Муфта карданная
Опора промежуточная со стояночным тормозом
Вал карданный
Рычаг регулировочный
Мост ведущий передний
Корпус тормоза
Главная передача
Шестерня ведущая главной передачи
Дифференциал переднего моста
Колесная передача
Cтупица колеса
Мост ведущий передний
Корпус тормоза
Главная передача
Шестерня ведущая главной передачи
Дифференциал переднего моста
Колесная передача
Cтупица колеса
Мост ведущий передний
Корпус тормоза
Главная передача
Шестерня ведущая главной передачи
Дифференциал переднего моста
Колесная передача
Cтупица колеса
Рама
Установка брызговиков двигателя
Установка брызговиков моторного отсека
Установка подвески
Установка переднего колеса
Детали колес
Установка рулевого колеса
Установка трубопроводов рулевого управления
Колесо рулевое с ручкой и рулевая колонка
Колонка рулевая с кронштейном
Вал карданный рулевого управления
Цилиндр поворота
Клапан-регулятор
Фильтр
Электродвигатель дублирующего привода с насосом
Монтаж гидравлического привода тормозов
Автомат разгрузки насоса
Кран управления тормозами
Клапан защитный двойной
Цилиндр стояночного тормоза
Кран управления стояночным тормозом
Фильтр
Пневмогидроаккумулятор
Монтаж трубопроводов компрессора на бульдозере БелАЗ-7823
Монтаж трубопроводов компрессора на бульдозере БелАЗ-78231
Водоотделитель
Регулятор давления
Клапан предохранительный
Противозамерзатель
Монтаж проводов на шасси бульдозера БелАЗ-7823, БелАЗ-78231. Главный вид
Монтаж проводов на шасси бульдозера БелАЗ-7823, БелАЗ-78231. Часть I
Монтаж проводов на шасси бульдозера БелАЗ-7823, БелАЗ-78231. Часть II
Монтаж проводов на шасси бульдозера БелАЗ-7823, -231. Часть III
Установка передних фар
Установка аккумуляторных батарей
Установка задних фар и фонарей
Монтаж проводов на кабине бульдозера БелАЗ-7823, 78231
Установка проблескового маяка и фар
Установка щитка управления подогревателя
Панель приборов бульдозера
Установка рабочего оборудования
Установка цилиндров подъема и поворота отвала
Отвал с ножами (вариант a)– тип "U"
Отвал с ножами (вариант b)– тип "S"
Отвал с ножами (вариант c)– тип "SU"
Цилиндр подъема отвала
Цилиндр поворота отвала
Трубопроводы рабочего оборудования
Клапан
Клапан двухмагистральный
Клапан редукционный
Блок клапанов
Установка блока гидрораспределителей
Гидрораспределитель управления
Гидрораспределитель
Блок корпусов
Клапан вспомогательный
Клапан предохранительный
Установка блока управления
Установка масляного бака
Бак масляный
Установка насосов
Инструмент, принадлежности
Установка огнетушителей
1
2
2
3
4
5
6
6
6
7
8
9
9
10
10
11
11
11
12
13
13
14
15
16
17
17
18
19
20
21
22
Позиция на иллюстрации
Заводской номер детали
Название детали
1
341069
Шпилька
2
7548-1767082
Втулка
3
080-090-58-2-6
Кольцо
4
2.2-50x70-3
Манжета
5
549-3401539
Кольцо
6
210АК
Подшипник
7
7548-1767038
Кольцо распорное
8
7822-1709021
Картер гидротрансформатора
9
040-045-30-2-6
Кольцо
10
344373
Пробка
11
6411-2907459
Кольцо опорное
12
7548-1767061
Кожух
13
7822-1767053
Шестерня привода насосов гидросистемы
14
7548-1767068
Уплотнитель
15
7548-1767065
Крышка
16
252134
Шайба
17
201418
Болт
18
7548-1767076
Пластина
19
7822-1767056
Шестерня привода насосов гидросистемы
20
030-035-30-2-6
Кольцо
21
344300
Пробка М33х1,5
22
7548-1701698
Рым-болт
Содержащиеся в справочниках-каталогах запасные части и детали не предлагаются к продаже, а носят исключительно информационный характер
Дополнительная информация
×
Название:
Номер:
Примечание: