Каталог запасных частей к технике: БелАЗ-7822. Монтаж электроборудования на шасси БелАЗ 78221
1
2
2
3
3
4
4
4
4
5
5
5
6
7
8
8
9
9
10
10
11
11
11
12
12
12
12
12
12
13
13
14
14
14
15
16
17
17
17
17
18
18
19
19
19
19
20
21
22
22
22
22
22
22
22
23
23
23
23
24
25
25
26
27
28
28
29
30
31
31
31
32
33
34
35
35
35
36
36
36
37
38
38
38
39
39
40
40
41
42
43
44
45
46
47
48
48
49
49
50
51
52
53
54
55
56
57
57
58
59
59
59
60
61
62
63
64
65
66
67
68
69
69
69
69
70
71
72
73
74
75
76
77
78
79
80
81
82
83
84
85
86
87
88
89
90
90
90
91
92
93
94
95
96
97
98
99
100
101
102
103
104
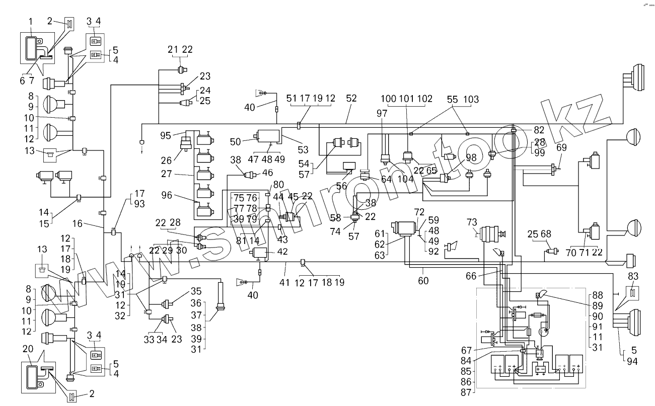
| Позиция на иллюстрации | Заводской номер детали | Название детали | |
|---|---|---|---|
| 1 | 7821-3711064 | Кронштейн правый | |
| 2 | 500-3724042 | Втулка | |
| 3 | 5320-3724051 | Чехол защитный | |
| 4 | Колодка | Колодка штыревая | |
| 5 | 5320-3716017 | Чехол защитный | |
| 6 | 201538 | Болт | |
| 7 | 252137 | Шайба | |
| 8 | 379160 | Кляммер | |
| 9 | 549А-3724395 | Прокладка | |
| 10 | 201420 | Болт | |
| 11 | 250508 | Гайка | |
| 12 | 252134 | Шайба | |
| 13 | 543-3724024 | Втулка гибкого рукава | |
| 14 | 548А-1104696-01 | Прокладка | |
| 15 | 344612 | Кляммер | |
| 16 | 7822-3724026 | Жгут проводов фар | |
| 17 | 540А-1104519-01 | Прокладка | |
| 18 | 315407 | Кляммер | |
| 19 | 201418 | Болт | |
| 20 | 7821-3711065 | Кронштейн левый | |
| 21 | ТМ111 | Датчик сигнализатора температуры | |
| 22 | 7522-3724072 | Колпачок защитный | |
| 23 | ДГС-М-301-24-01 | Датчик-гидросигнализатор | |
| 23 | ДУЖП-Д-0-24-01 | Датчик | |
| 24 | 3602.3829 | Датчик | |
| 25 | 5320-3716365 | Чехол защитный | |
| 26 | МЭ-307А | Датчик спидометра | |
| 27 | 7822-3724612 | Жгут проводов | |
| 28 | ДУТЖ-01 | Датчик температуры | |
| 29 | РС403-Б | Сигнализатор | |
| 30 | 540-2917144 | Прокладка | |
| 31 | 252004 | Шайба | |
| 32 | 315406 | Кляммер | |
| 33 | 7814130 | Заглушка | |
| 34 | 9800330 | Разъем | |
| 35 | ДГС-М-311-24-01 | Датчик-гидросигнализатор | |
| 35 | ДУЖП-Д-1-24 | Датчик | |
| 36 | УП101-Б1 | Повторитель боковой указателя поворотов | |
| 36 | 112.01.12 | Указатель поворота боковой дополнительный 5 категории | |
| 37 | 549А-3716046 | Втулка | |
| 38 | 540А-3724044 | Чехол защитный | |
| 39 | 250464 | Гайка | |
| 40 | 7822-3724280-10 | Провод | |
| 41 | 7822-3724030-10 | Жгут проводов по лонжерону | |
| 42 | МН-1 | Электродвигатель маслозакачивающего насоса (поступает с двигателем) | |
| 43 | 549-2105543 | Хомут | |
| 44 | 7806-1712918 | Переходник | |
| 45 | 11.3829010 | Датчик давления масла двигателя на 20 кгс/см | |
| 46 | ДАДМ-02 | Датчик | |
| 47 | 75481-3724280 | Провод | |
| 48 | 201495 | Болт | |
| 49 | 252136 | Шайба | |
| 50 | 5601.3780 | Двигатель дублирующего привода руля | |
| 51 | 379169 | Кляммер | |
| 52 | 7822-3724300-10 | Жгут проводов по двигателю | |
| 53 | 78221-3724289 | Провод дублирующего привода руля | |
| 54 | 0169-420-03-1-015 | Реле давления | |
| 55 | 549Б-2105454 | Трубка | |
| 56 | Колодка | Колодка штыревая | |
| 57 | 540-1712534 | Прокладка | |
| 58 | ДСФ-45 | Датчик засоренности воздушных фильтров | |
| 59 | 540-3724090-02 | Провод соединения двигателя с рамой | |
| 59 | 540-3724090-01 | Провод | |
| 60 | 78211-3724110 | Перемычка | |
| 61 | 540А-3724050 | Провод от аккумуляторных батарей | |
| 62 | 535А-3724021 | Втулка гибкого рукава | |
| 63 | 7540-3724144 | Гибкий рукав | |
| 64 | 3039524 | Датчик тахометра | |
| 65 | 18.3829010 | Датчик давления масла | |
| 66 | 78221-3724035 | Жгут проводов подкапотной лампы | |
| 67 | 78221-3724217 | Перемычка | |
| 68 | ДАДВ-01 | Датчик | |
| 69 | ДГС-Т-401-24-01 | Датчик | |
| 69 | ДГС-Т-01-24-01-К | Датчик | |
| 69 | ДУЖП-П-0-24-01 | Датчик | |
| 70 | 7540А-3747290 | Диод с перемычкой | |
| 71 | 7540А-3724218 | Перемычка | |
| 72 | 75553-3724248 | Перемычка | |
| 73 | 78211-3724248 | Перемычка | |
| 74 | 75483-1109765 | Переходник | |
| 75 | ТО-41-3723100 | Крышка | |
| 76 | 7822-3723200 | Кронштейн | |
| 77 | 220079 | Винт | |
| 78 | 252133 | Шайба | |
| 79 | 200-3724015 | Втулка | |
| 80 | 75231-3724502 | Кронштейн | |
| 81 | 315412 | Кляммер | |
| 82 | 549-2105542 | Хомут электромонтажный | |
| 83 | 549А-3724238 | Кольцо | |
| 84 | 549А-3724392 | Прокладка | |
| 85 | 549А-3724394 | Прокладка | |
| 86 | 344621 | Кляммер | |
| 87 | 379198 | Кляммер | |
| 88 | 540-3715054 | Втулка амортизационная | |
| 89 | А24-21-3 | Лампа | |
| 90 | ЛПК1.2УХЛ2 | Лампа подкапотная | |
| 90 | ПО308А | Лампа подкапотная | |
| 91 | 201422 | Болт | |
| 92 | 252006 | Шайба | |
| 93 | 344611 | Кляммер | |
| 94 | Колодка | Колодка штыревая | |
| 95 | 549Б-3724208 | Перемычка | |
| 96 | 549Б-3724244 | Перемычка | |
| 97 | 7555G-3829345 | Переходник | |
| 98 | 3062866 | Датчик аварийной температуры воды | |
| 99 | 7530-3738343 | Переходник | |
| 100 | 250640 | Гайка | |
| 101 | 344845 | Штуцер | |
| 102 | 7555В-3829500 | Шланг маслопровода датчика давления | |
| 103 | 344614 | Кляммер | |
| 104 | 3408607 | Датчик аварийного давления |
Содержащиеся в справочниках-каталогах запасные части и детали не предлагаются к продаже, а носят исключительно информационный характер