Каталог запасных частей к технике: БелАЗ-7822. Гидрораспределитель
1
2
2
2
3
3
4
4
5
6
6
7
7
8
8
8
9
10
10
10
11
11
12
12
13
13
14
15
16
16
17
17
18
18
19
20
20
21
22
23
24
25
26
27
28
29
29
30
31
32
33
34
35
36
37
38
39
40
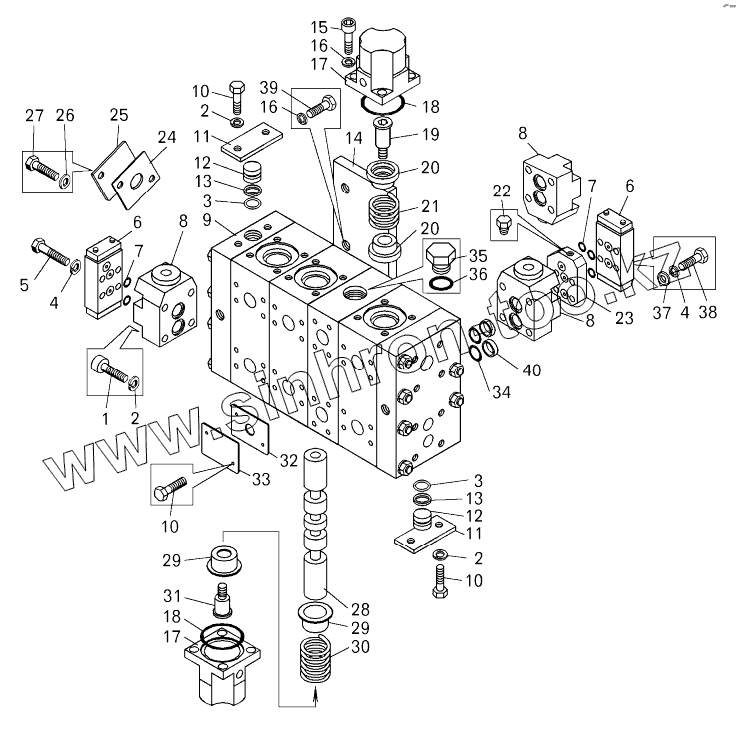
| Позиция на иллюстрации | Заводской номер детали | Название детали | |
|---|---|---|---|
| 1 | 341346 | Винт М10х45 (34134600) | |
| 2 | 252156 | Шайба | |
| 3 | 020-025-30-2-2 | Кольцо | |
| 4 | 252155 | Шайба | |
| 5 | 200263 | Болт | |
| 6 | 7820-4603100 | Клапан вспомогательный | |
| 7 | 010-014-25-2-2 | Кольцо (253111357) | |
| 8 | 78211-4617100 | Клапан предохранительный в сборе | |
| 9 | 78221-4612000-40 | Блок корпусов | |
| 10 | 201493 | Болт | |
| 11 | 7822-4617132 | Крышка | |
| 12 | 7822-4617126 | Заглушка | |
| 13 | 549А-2907263 | Шайба защитная гильзы | |
| 14 | 7823-4617030-01 | Кронштейн | |
| 15 | 341350 | Винт М12х38 | |
| 16 | 252137 | Шайба | |
| 17 | 78211-4612104 | Крышка | |
| 18 | 055-060-30-2-2 | Кольцо | |
| 19 | 78211-4612049 | Хвостовик | |
| 20 | 78211-4612043 | Опора пружины | |
| 21 | 7545-1108918-10 | Пружина | |
| 22 | 262541 | Пробка | |
| 23 | 78211-4612217 | Плита переходная | |
| 24 | 75306-8606318 | Прокладка | |
| 25 | 75306-8606396 | Пластина | |
| 26 | 252007 | Шайба | |
| 27 | 201538 | Болт | |
| 28 | 78211-4612042 | Золотник | |
| 29 | 78211-4612044 | Опора пружины | |
| 30 | 78211-4612046 | Пружина | |
| 31 | 78211-4612049 | Хвостовик | |
| 32 | 75306-8606319 | Прокладка | |
| 33 | 75306-8606224 | Пластина | |
| 34 | 021-025-25-2-2 | Кольцо | |
| 35 | 344369 | Пробка | |
| 36 | 027-032-30-2-2 | Кольцо | |
| 37 | 252005 | Шайба | |
| 38 | 201469 | Болт М8х66 | |
| 39 | 201540 | Болт | |
| 40 | 7823-4617108 | Втулка |
Содержащиеся в справочниках-каталогах запасные части и детали не предлагаются к продаже, а носят исключительно информационный характер