Каталог запасных частей к технике: БелАЗ-7822. Кран управления тормозами
1
2
3
4
5
6
7
8
9
10
11
12
13
14
14
15
16
17
18
19
20
21
22
23
24
25
25
26
27
27
28
28
29
29
30
30
31
31
32
32
33
34
35
36
37
38
39
39
40
40
41
42
43
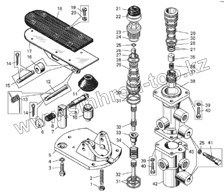
| Позиция на иллюстрации | Заводской номер детали | Название детали | |
|---|---|---|---|
| 1 | 250510 | Гайка | |
| 2 | 540М-3514469 | Фиксатор | |
| 3 | 201540 | Болт | |
| 4 | 252137 | Шайба | |
| 5 | 7555А-3514130 | Крышка корпуса крана | |
| 6 | 540-8101050 | Шарик | |
| 7 | 7555А-3514486 | Втулка | |
| 8 | 540-1704177 | Пружина | |
| 9 | 7540-3514482 | Фиксатор | |
| 10 | 7512-3514082-10 | Толкатель | |
| 11 | 575-1312258-Б | Чехол | |
| 12 | 7822-3514467 | Ось | |
| 13 | 7512-3514478 | Пружина | |
| 14 | 258038 | Шплинт | |
| 15 | 540М-3514466 | Ось | |
| 16 | 540М-3514464 | Ролик | |
| 17 | 7822-3514450-11 | Педаль | |
| 18 | 549-1108016 | Накладка педали | |
| 19 | 224622 | Винт | |
| 20 | 252037 | Шайба | |
| 21 | 100-3514055 | Элемент уравновешивающий | |
| 22 | 7512-3514056-10 | Тарелка пружины | |
| 23 | 7512-3514045 | Пробка | |
| 24 | 027-032-30-2-2 | Кольцо | |
| 25 | 008-012-25-2-2 | Кольцо | |
| 26 | 7512-3514060-10 | Шток | |
| 27 | 018-022-25-2-2 | Кольцо | |
| 28 | 020-025-30-2-2 | Кольцо | |
| 29 | 7512-3514025 | Гильза | |
| 30 | 025-030-30-2-2 | Кольцо | |
| 31 | 030-035-30-2-2 | Кольцо | |
| 32 | 7512-3514026 | Золотник | |
| 33 | 7512-3514028 | Толкатель | |
| 34 | 7512-3514051 | Пружина | |
| 35 | 7512-3514089 | Поршень | |
| 36 | 535А-3509097 | Пружина | |
| 37 | 7512-3514044 | Пробка | |
| 38 | 7512-3514020-10 | Корпус верхний | |
| 39 | 252155 | Шайба | |
| 40 | 201457 | Болт | |
| 41 | 7512-3514032 | Игла запорная | |
| 42 | 7512-3514040 | Корпус нижний | |
| 43 | 016-020-25-2-2 | Кольцо |
Содержащиеся в справочниках-каталогах запасные части и детали не предлагаются к продаже, а носят исключительно информационный характер