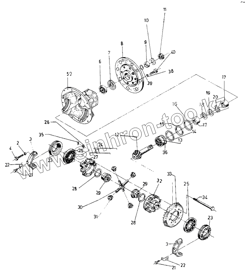
Каталог запасных частей к технике: Балканкар Рекорд EB-735. Главная передача
6199.02.00.00-01
2
3
3
4
5
6
7
8
9
10
11
12
13
14
15
16
17
17
18
19
20
21
21
22
22
23
23
24
25
25
26
27
28
28
29
29
30
31
32
33
34
35
37
38
39
40
| Позиция на иллюстрации | Заводской номер детали | Название детали | |
|---|---|---|---|
| 6199.02.00.00-01 | 6199.02.00.00-01 | Главная передача | |
| 2 | [Шайба пружинная 16Н БДС833-71] | Шайба пружинная 16Н БДС833-71 | |
| 3 | 6198.02.02.02 | Крышка | |
| 4 | [Болт I М12х66-6g БДС1232-72/5.6] | Болт I М12х66-6g БДС1232-72/5.6 | |
| 5 | 6199.02.00.03-01 | Корпус | |
| 6 | 7207 | Подшипник ГОСТ333-79 | |
| 7 | [Уплотнение А55х85х14 БДС9954-78] | Уплотнение А55х85х14 БДС9954-78 | |
| 8 | 6199.02.00.04 | Фланец | |
| 9 | 6199.02.00.05 | Кольцо | |
| 10 | 6206.02.00.03 | Шайба предохранительная | |
| 11 | 6206.02.00.04 | Гайка круглая | |
| 12 | 6199.02.00.02 | Коническая ведущая шестерня | |
| 13 | 7507 | Подшипник ГОСТ333-79 | |
| 14 | 6198.02.00.10 | Шайба | |
| 15 | 6198.02.00.11 | Шайба | |
| 16 | 6198.02.00.12 | Шайба | |
| 17 | 6198.02.00.04 | Втулка дистанционная | |
| 18 | 6198.02.00.07 | Шайба | |
| 19 | 6198.02.00.08 | Шайба | |
| 20 | 6198.02.00.09 | Шайба | |
| 21 | [Болт I М8х12-8g БДС1232-72/5.6] | Болт I М8х12-8g БДС1232-72/5.6 | |
| 22 | 6198.02.00.06 | Пластина стопорная | |
| 23 | 6198.02.00.01 | Гайка специальная | |
| 24 | 6199.02.01.00 | Дифференциал | |
| 25 | 7210 | Подшипник ГОСТ333-79 | |
| 26 | [Гайка М10-6Н БДС1272-73/8] | Гайка М10-6Н БДС1272-73/8 | |
| 27 | 6198.02.01.01.02 | Полукассета | |
| 28 | 6198.02.01.06 | Шайба упорная | |
| 29 | 6198.02.01.04 | Шестерня планетарная | |
| 30 | 6198.02.01.01 | Крестовина | |
| 31 | 6198.02.01.03 | Шестерня сателлитная | |
| 32 | 6198.02.01.01.01 | Полукассета | |
| 33 | 6199.02.01.01 | Коническая коронная шестерня | |
| 34 | 6198.02.01.05 | Болт | |
| 35 | [Шплинт 2,5х22 БДС55-77] | Шплинт 2,5х22 БДС55-77 | |
| 37 | 6198.02.01.01.00 | Кассета в сборе | |
| 38 | 6206.02.00.05 | Шайба | |
| 39 | [О-кольцо Б35х3-2-50 БДС7947-70] | О-кольцо Б35х3-2-50 БДС7947-70 | |
| 40 | [Винт I М16-6х35-6g БДС2171-72/8.8] | Винт I М16-6х35-6g БДС2171-72/8.8 |
Содержащиеся в справочниках-каталогах запасные части и детали не предлагаются к продаже, а носят исключительно информационный характер