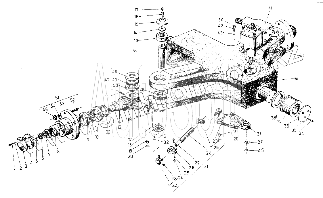
Каталог запасных частей к технике: Балканкар Рекорд EB-717. Управляемый мост
4901.00.00.00
1
2
2
3
4
5
6
7
8
9
10
11
12
13
13
14
15
16
17
17
18
19
19
20
20
21
22
23
23
24
25
26
27
28
29
30
31
32
33
34
35
36
37
38
39
40
41
42
43
44
45
46
47
48
49
50
51
52
53
54
55
56
| Позиция на иллюстрации | Заводской номер детали | Название детали | |
|---|---|---|---|
| 4901.00.00.00 | 4901.00.00.00 | Управляемый мост | |
| 1 | [Винт I М5х12-6h БДС832-76/5,6] | Винт I М5х12-6h БДС832-76/5,6 | |
| 2 | [Пружинная шайба 6Н БДС833-71] | Пружинная шайба 6Н БДС833-71 | |
| 3 | 4901.00.00.05 | Крышка | |
| 4 | 5026.00.00.10 | Уплотнительная шайба | |
| 5 | [Шплинт 5x36 БДС55-77] | Шплинт 5x36 БДС55-77 | |
| 6 | 4901.00.00.10 | Гайка с прорезями | |
| 7 | 4901.00.00.07 | Шайба с зубом | |
| 8 | [Подшипник 7606Н ГОСТ333-73] | Подшипник 7606Н ГОСТ333-73 | |
| 9 | [Подшипник 7507 ГОСТ333-73] | Подшипник 7507 ГОСТ333-73 | |
| 10 | [Уплотнение А55х75 БДС9954-73] | Уплотнение А55х75 БДС9954-73 | |
| 11 | [Винт I М12х35-6Н БДС1368-73/8.8] | Винт I М12х35-6Н БДС1368-73/8.8 | |
| 12 | 4901.00.00.02 | Поворотный кулак левый | |
| 13 | [Подшипник 942,25 ГОСТ4060-60] | Подшипник 942,25 ГОСТ4060-60 | |
| 14 | 5002.00.00.13 | Уплотнительная шайба | |
| 15 | 5024.00.00.07 | Крышка верхняя | |
| 16 | 5018.00.00.01 | Удлинитель | |
| 17 | [Пресс-масленка I-Б-2 БДС1640-73] | Пресс-масленка I-Б-2 БДС1640-73 | |
| 18 | 4901.00.00.11 | Крышка | |
| 19 | [Гайка I М12x1,5-6Н БДС1254-73/5] | Гайка I М12x1,5-6Н БДС1254-73/5 | |
| 20 | [Шплинт 3,2x28 БДС55-77] | Шплинт 3,2x28 БДС55-77 | |
| 21 | 4901.05.00.00 | Штанга в сборе | |
| 22 | 8057.00.00.00 | Соединение шаровое 22 | |
| 23 | [Пресс-масленка II Б-70 БДС1640-73] | Пресс-масленка II Б-70 БДС1640-73 | |
| 24 | [Гайка М10-6Н БДС1269-73/8] | Гайка М10-6Н БДС1269-73/8 | |
| 25 | [Пружинная шайба 10Н БДС833-71] | Пружинная шайба 10Н БДС833-71 | |
| 26 | 4909.00.04.02 | Скоба | |
| 27 | [Болт I М10х40-6h БДС1232-72/8,8] | Болт I М10х40-6h БДС1232-72/8,8 | |
| 28 | 4901.05.00.01 | Штанга | |
| 29 | 8056.00.00.00 | Соединение шаровое 22 | |
| 30 | [Пружинная шайба 22Н БДС833-71] | Пружинная шайба 22Н БДС833-71 | |
| 31 | 4901.00.00.01 | Рычаг со шлицевым отверстием | |
| 32 | [Болт I М6х12-6h БДС1230-72/5,6] | Болт I М6х12-6h БДС1230-72/5,6 | |
| 33 | 5024.00.00.09 | Втулка | |
| 34 | [Болт I М12х20 БДС1232-72/5,6] | Болт I М12х20 БДС1232-72/5,6 | |
| 35 | [Пружинная шайба 12Н БДС833-71] | Пружинная шайба 12Н БДС833-71 | |
| 36 | 4901.00.00.09 | Шайба | |
| 37 | 4901.04.00.00 | Втулка упругая | |
| 38 | 4901.00.00.08 | Шайба | |
| 39 | 4901.01.00.00 | Балка в сборе | |
| 40 | 4901.00.00.03 | Поворотный кулак правый | |
| 41 | 5858.00.00.00 | Рулевой механизм | |
| 42 | 4901.00.00.12 | Шпилька | |
| 43 | 705.03.00.04 | Втулка коническая | |
| 44 | 4901.00.00.04 | Болт поворотного кулака | |
| 45 | [Гайка М22х1,5 БДС1269-73/5] | Гайка М22х1,5 БДС1269-73/5 | |
| 46 | 5024.00.00.03 | Регулирующая шайба | |
| 47 | 4901.03.00.00 | Упорный подшипник в сборе | |
| 48 | 4901.03.00.01 | Крышка | |
| 49 | [Подшипник 8205 ГОСТ6874-54] | Подшипник 8205 ГОСТ6874-54 | |
| 50 | 4901.03.00.02 | Крышка | |
| 51 | 4901.02.00.00 | Ступица в сборе | |
| 52 | 7015.00.00.33 | Болт колесный М14х1,5 | |
| 53 | 4901.02.00.01 | Ступица | |
| 54 | С14,5 DIN74361 | Сферическая пружинная шайба | |
| 55 | 4901.02.00.02 | Специальная гайка | |
| 56 | [Гайка М14-6Н БДС744-72/8] | Гайка М14-6Н БДС744-72/8 |
Содержащиеся в справочниках-каталогах запасные части и детали не предлагаются к продаже, а носят исключительно информационный характер