Каталог запасных частей к технике: Балканкар Рекорд EB-698. Гидравлическая система Н=2800мм, Н=3300мм
1
2
3
4
4
4
4
5
5
5
5
6
7
8
9
10
11
12
13
14
15
16
17
18
19
20
21
22
22
23
23
24
24
24
25
26
27
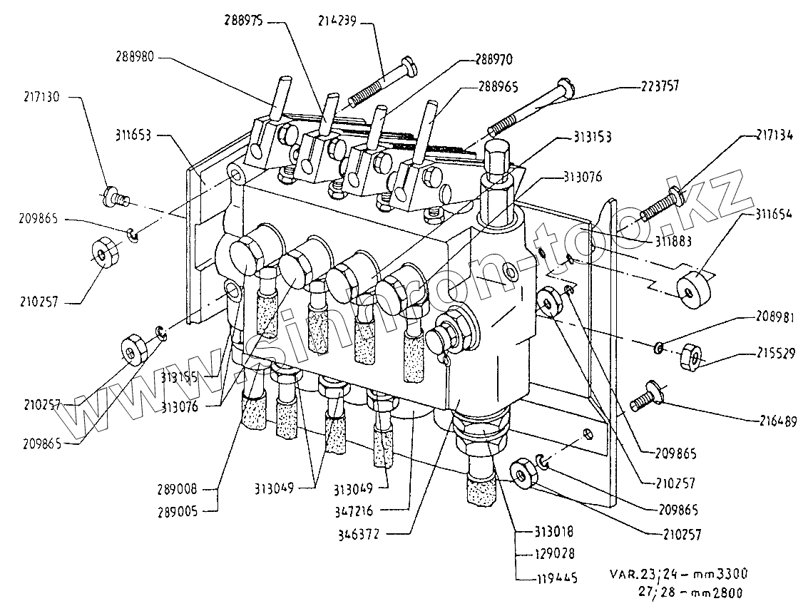
| Позиция на иллюстрации | Заводской номер детали | Название детали | |
|---|---|---|---|
| 1 | [Врезывающее кольцо III 16 ОН-0455874-84] | Врезывающее кольцо III 16 ОН-0455874-84 | |
| 2 | [Накидная гайка III 16 ОН-0455874-84] | Накидная гайка III 16 ОН-0455874-84 | |
| 3 | 2 6Н БДС833-82 | Шайба | |
| 4 | [Шайба 2 8Н БДС833-82] | Шайба 2 8Н БДС833-82 | |
| 5 | [Гайка М8-6Н БДС744-72/5] | Гайка М8-6Н БДС744-72/5 | |
| 6 | [Винт 2 В М8х60/25-5.8 БДС1359-83] | Винт 2 В М8х60/25-5.8 БДС1359-83 | |
| 7 | [Гайка М6-6Н БДС744-72/5] | Гайка М6-6Н БДС744-72/5 | |
| 8 | [Винт 1 В М8х20-5.8 БДС1359-83] | Винт 1 В М8х20-5.8 БДС1359-83 | |
| 9 | [Винт 1 В М6х16-5.8 БДС1359-83] | Винт 1 В М6х16-5.8 БДС1359-83 | |
| 10 | [Винт 1 В М8х30-5.8 БДС1359-83] | Винт 1 В М8х30-5.8 БДС1359-83 | |
| 11 | [Винт 2 В М8х90/25-5.8 БДС1359-83] | Винт 2 В М8х90/25-5.8 БДС1359-83 | |
| 12 | 695.33.2.08.05.00.00 | Рычаг с рукояткой в сборе | |
| 13 | 695.33.2.08.06.00.00 | Рычаг с рукояткой в сборе | |
| 14 | 695.33.2.08.07.00.00 | Рычаг с рукояткой в сборе | |
| 15 | 695.33.2.08.08.00.00 | Рычаг с рукояткой в сборе | |
| 16 | [Кольцо d18-L] | Кольцо d18-L | |
| 17 | [Накидная гайка m18-L] | Накидная гайка m18-L | |
| 18 | 695.33.2.08.00.00.11 | Планка | |
| 19 | 695.33.2.08.00.00.12 | Втулка | |
| 20 | 695.33.2.08.18.00.00 | Плита в сборе | |
| 21 | 715.45.41.15.01.00.01 | Патрубок III Е 16/М22 | |
| 22 | 715.33.42.08.04.00.00 | Патрубок в сборе III Е 12/М18 | |
| 23 | 715.33.42.08.01.00.00 | Накидная гайка в сборе III Е 12/18 | |
| 24 | 695.33.42.08.02.00.00 | Накидная гайка с блендой III Е 12/М18 (диам.=0,8) | |
| 24 | 695.33.42.08.02.00.00 | Накидная гайка с блендой III Е 12/М18 (диам.=0,8) | |
| 25 | 695.33.42.08.03.00.00 | Патрубок в сборе II Е 18/22 | |
| 26 | РХ-40-1 ВнАнАА-1-1М-13 ОН-0476986-84 | Гидрораспределитель-моноблок | |
| 27 | 4180.00.00 | Вспомогательный выключатель распределителя ППР/2 |
Содержащиеся в справочниках-каталогах запасные части и детали не предлагаются к продаже, а носят исключительно информационный характер