Каталог запасных частей к технике: Балканкар Рекорд EB-695. Неподвижная и подвижная рамы
1
2
2
2
3
3
4
5
6
7
8
9
10
11
11
12
13
14
15
16
17
17
17
17
17
18
18
18
18
19
20
21
22
23
24
24
25
26
26
27
28
28
29
30
31
31
31
32
33
34
35
36
37
38
39
40
41
42
43
44
45
45
46
47
47
48
48
48
49
49
50
50
51
51
52
52
53
53
54
54
55
55
56
57
57
58
59
60
61
61
62
63
64
65
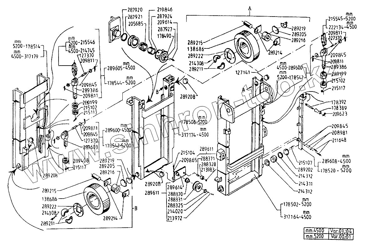
| Позиция на иллюстрации | Заводской номер детали | Название детали | |
|---|---|---|---|
| 1 | 8540.02.00.06 | Пробка | |
| 2 | 7004.00.00.166 | Ось | |
| 3 | КтМ1388 | Ходовой роликовый подшипник | |
| 4 | 8597.00.00.05 | Ролик | |
| 5 | 8597.00.00.06 | Ось | |
| 6 | 8532.00.00.15 | Предохранительная крышка | |
| 7 | 8536.01.00.00 | Внешняя рама | |
| 8 | 8536.02.00.00 | Средняя рама | |
| 9 | 8536.03.00.00 | Внутренняя рама | |
| 10 | 8536.04.00.00 | Направляющая в сборе | |
| 11 | 8536.05.00.00 | Внешняя цепь | |
| 12 | 8536.06.00.00 | Внутренняя цепь | |
| 13 | INAК50х58х25 | Подшипник игольчатый | |
| 14 | 2 6Н БДС833-82 | Шайба | |
| 15 | [Болт 2 М6х20-5.6 БДС1234-85] | Болт 2 М6х20-5.6 БДС1234-85 | |
| 16 | [Шплинт 2х12 БДС55-77] | Шплинт 2х12 БДС55-77 | |
| 17 | [Шплинт 1,6х10 БДС55-77] | Шплинт 1,6х10 БДС55-77 | |
| 18 | АМ6 БДС206-78 | Шайба | |
| 19 | [Шайба 2 8Н БДС833-82] | Шайба 2 8Н БДС833-82 | |
| 20 | [Болт 1 М6х14-5.6 БДС1234-85] | Болт 1 М6х14-5.6 БДС1234-85 | |
| 21 | [Болт 1 М5х10-6g БДС1230-72/6.6] | Болт 1 М5х10-6g БДС1230-72/6.6 | |
| 22 | [Кольцо В12 БДС2170-77] | Кольцо В12 БДС2170-77 | |
| 23 | 2 5Н БДС833-82 | Шайба | |
| 24 | [Болт 2 М5х12-8.8 БДС1230-85] | Болт 2 М5х12-8.8 БДС1230-85 | |
| 25 | [Подшипник ШС35К ГОСТ3635-78] | Подшипник ШС35К ГОСТ3635-78 | |
| 26 | [О-кольцо 2-42х3-1 БДС7947-85] | О-кольцо 2-42х3-1 БДС7947-85 | |
| 27 | [Пластинчатая цепь А-74х20(4+4)-Б БДС4717-72] | Пластинчатая цепь А-74х20(4+4)-Б БДС4717-72 | |
| 28 | [Гайка М16-6Н БДС744-72/5] | Гайка М16-6Н БДС744-72/5 | |
| 29 | [Болт А1 М8х30-5.6 БДС1232-86] | Болт А1 М8х30-5.6 БДС1232-86 | |
| 30 | [Винт 1 В М8х20-5.8 БДС1359-83] | Винт 1 В М8х20-5.8 БДС1359-83 | |
| 31 | [Шплинт 4х40 БДС55-77] | Шплинт 4х40 БДС55-77 | |
| 32 | [Пластинчатая цепь А-107х20(4+4)-А БДС4717-72] | Пластинчатая цепь А-107х20(4+4)-А БДС4717-72 | |
| 33 | [Пластинчатая цепь А-84х20(4+4)-Б БДС4717-72] | Пластинчатая цепь А-84х20(4+4)-Б БДС4717-72 | |
| 34 | INAIR45х50х25,5 | Втулка | |
| 35 | [Пластинчатая цепь А-95х20(4+4)-А БДС4717-72] | Пластинчатая цепь А-95х20(4+4)-А БДС4717-72 | |
| 36 | 8595.2.02.00.05 | Шайба | |
| 37 | 8595.2.02.00.06 | Цепной ролик | |
| 38 | 8595.2.02.00.07 | Крышка | |
| 39 | 8595.2.02.00.08 | Стопорная планка | |
| 40 | 8597.09.00.01 | Крышка | |
| 41 | 8597.09.00.02 | Ролик | |
| 42 | 8597.09.00.03 | Ведущий ролик | |
| 43 | 8597.09.00.04 | Втулка I | |
| 44 | 8597.09.00.05 | Втулка II | |
| 45 | 8532.00.00.05 | Сферическая гайка | |
| 46 | 8532.00.00.06 | Крышка | |
| 47 | 8532.00.00.07 | Планка II | |
| 48 | 8532.00.00.08 | Пробка | |
| 49 | 8532.00.00.09 | Пластина | |
| 50 | 8532.00.00.10 | Планка | |
| 51 | 8532.00.00.11 | Ось | |
| 52 | 8532.00.00.12 | Ролик | |
| 53 | 8532.00.00.13 | Стопорная шайба | |
| 54 | 8532.00.00.14 | Крышка | |
| 55 | 8532.04.00.03 | Длинный болт | |
| 56 | 8511.00.00.04 | Сферическая коронная гайка | |
| 57 | 8535.06.00.00 | Внешняя цепь | |
| 58 | 8535.06.00.01 | Короткий болт | |
| 59 | 8535.07.00.00 | Внутренняя цепь | |
| 60 | 8535.08.00.00 | Направляющая в сборе | |
| 61 | 8535.09.00.00 | Роликовый блок | |
| 62 | 8535.09.01.00 | Основание | |
| 63 | 8535.10.00.00 | Внешняя рама | |
| 64 | 8535.11.00.00 | Средняя рама | |
| 65 | 8535.12.00.00 | Внутренняя рама |
Содержащиеся в справочниках-каталогах запасные части и детали не предлагаются к продаже, а носят исключительно информационный характер