Каталог запасных частей к технике: Балканкар Рекорд EB-695. Гидросервоуправление
3
4
5
6
7
8
9
10
11
12
13
14
15
16
17
18
19
20
21
22
23
24
25
26
27
28
29
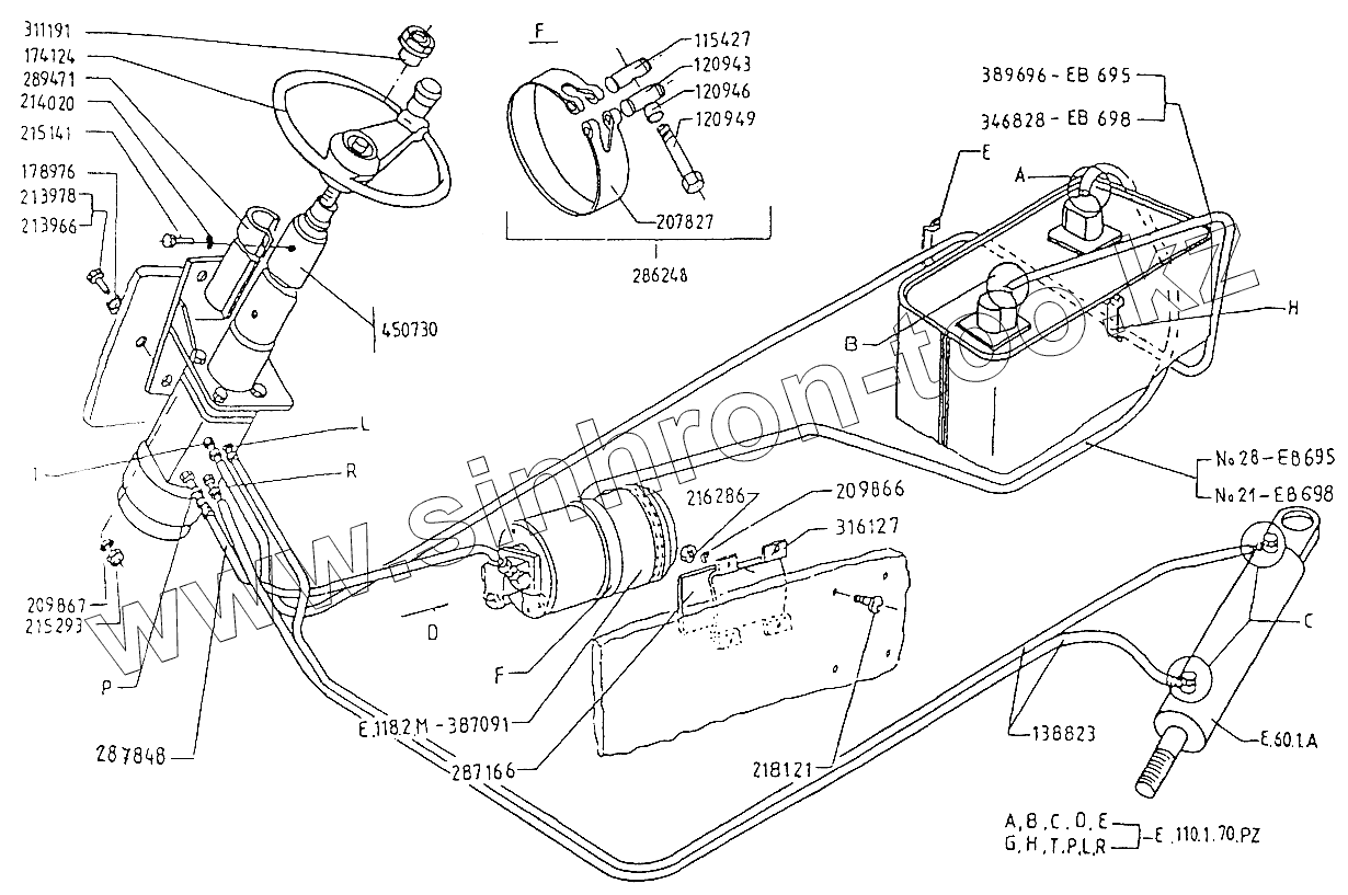
| Позиция на иллюстрации | Заводской номер детали | Название детали | |
|---|---|---|---|
| 1 | 7019.02.00.00 | Гибкое соединение А12-Нцх15-Нцх15-1120 | |
| 2 | 7019.02.00.00 | Гибкое соединение А12-Нцх15-Нцх15-1120 | |
| 3 | 738.11.08.00.08 | Специальная ось | |
| 4 | 717.33.08.07.02 | Ролик | |
| 5 | 717.33.08.07.03 | Распорная втулка | |
| 6 | 717.33.08.07.04 | Болт | |
| 7 | [Гибкое соединение 8-Нц12х12-Нцх12-1930/25 ОН-04.51484-83] | Гибкое соединение 8-Нц12х12-Нцх12-1930/25 ОН-04.51484-83 | |
| 8 | 8172.00.00.00 | Рулевое колесо (диам.=360) | |
| 9 | 715.33.2.11.00.00.09 | Пластина | |
| 10 | 715.33.2.11.10.00.01 | Лента | |
| 11 | 2 10Н БДС833-82 | Шайба | |
| 12 | 2 12Н БДС833-82 | Шайба | |
| 13 | [Винт 1 А М12х35-5.8 БДС1359-85] | Винт 1 А М12х35-5.8 БДС1359-85 | |
| 14 | [Винт 1 А М12х30-5.8 БДС1359-85] | Винт 1 А М12х30-5.8 БДС1359-85 | |
| 15 | 2 5Н БДС833-82 | Шайба | |
| 16 | [Винт I М5х8-6g БДС1358-85] | Винт I М5х8-6g БДС1358-85 | |
| 17 | [Гайка М12-6Н БДС744-85] | Гайка М12-6Н БДС744-85 | |
| 18 | [Гайка М10-5 БДС744-85] | Гайка М10-5 БДС744-85 | |
| 19 | [Винт 1 А М10х25-8.8 БДС1359-85] | Винт 1 А М10х25-8.8 БДС1359-85 | |
| 20 | 715.33.2.11.10.00.00 | Стяжная лента в сборе | |
| 21 | 715.33.2.11.00.00.01 | Прокладка | |
| 22 | [Гибкое соединение 8-Нцх12-Нцх12-580 ОН-0451484-83] | Гибкое соединение 8-Нцх12-Нцх12-580 ОН-0451484-83 | |
| 23 | 715.33.2.11.00.00.07 | Молдинг | |
| 24 | 715.33.2.11.05.00.00 | Крыльчатая гайка | |
| 25 | 715.33.70.11.00.00.01 | Кронштейн | |
| 26 | 7019.02.00.00 | Гибкое соединение А12-Нцх15-Нцх15-1120 | |
| 27 | 263047.00.00-1 | Вспомогательный электродвигатель ЕС 1.25/4.5/14-01-1 | |
| 28 | 7019.02.00.00 | Гибкое соединение А12-Нцх15-Нцх15-1120 | |
| 29 | 8184.00.00.00-03 | Рулевая колонна |
Содержащиеся в справочниках-каталогах запасные части и детали не предлагаются к продаже, а носят исключительно информационный характер