Каталог запасных частей к технике: Балканкар Рекорд EB-695. Электродвигатель насоса
1
2
3
4
5
6
7
7
8
9
10
11
12
13
14
15
16
17
18
19
20
21
22
23
24
25
26
26
27
27
28
29
29
30
31
31
31
31
32
32
32
33
34
35
36
36
37
38
39
40
41
42
43
44
45
46
47
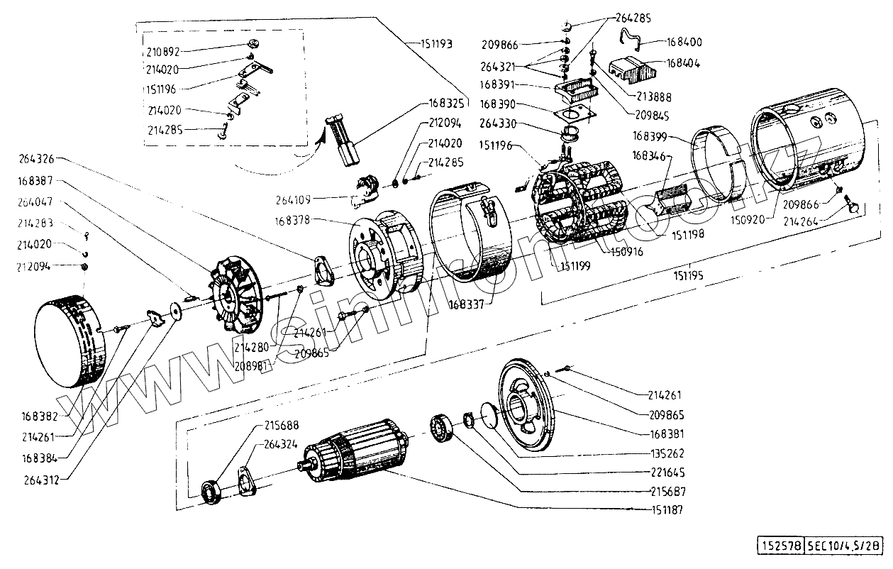
| Позиция на иллюстрации | Заводской номер детали | Название детали | |
|---|---|---|---|
| 1 | 409891.007.77 | Предохранительный колпачок | |
| 2 | 263024.51.00 | Серийные катушки в сборе | |
| 3 | 403164.023.82 | Корпус | |
| 4 | 263022.30.00 | Ротор | |
| 5 | 263024.10.00 | Щит с щеткодержателями | |
| 6 | 263024.50.00 | Статор | |
| 7 | 263024.11.00 | Вывод А2 | |
| 8 | 263024.55.00 | Шунтовая катушка II | |
| 9 | 263024.57.00 | Шунтовая катушка I | |
| 10 | 263024.00.00-5 | Вспомогательный электродвигатель 5ЕС10/4,5/28 | |
| 11 | 29830.21.01-04 | Щетка Е3 10х20х32 | |
| 12 | 263013.01.00 | Защитный пояс | |
| 13 | 263013.61.00 | Полюс | |
| 14 | 403544.006.79 | Задний щит | |
| 15 | 403548.003.77 | Передний щит | |
| 16 | 409132.004.77 | Кожух | |
| 17 | 409898.003.77 | Шайба предохранительная | |
| 18 | 408834.012.79 | Вентилятор | |
| 19 | 506122.011.77 | Уплотнение | |
| 20 | 506388.005.79 | Основание | |
| 21 | 507111.103.80 | Изоляция 0,45х35х570 | |
| 22 | 508725.011.79 | Скоба | |
| 23 | 502426.001.78 | Клеммный щиток | |
| 24 | 2 6Н БДС833-82 | Шайба | |
| 25 | [Шайба АМ6 БДС206-78/5.8] | Шайба АМ6 БДС206-78/5.8 | |
| 26 | [Шайба 2 8Н БДС833-82] | Шайба 2 8Н БДС833-82 | |
| 27 | 2 10Н БДС833-82 | Шайба | |
| 28 | [Гайка М5-6Н БДС1250-71/5] | Гайка М5-6Н БДС1250-71/5 | |
| 29 | [Шайба АМ5 БДС206-78] | Шайба АМ5 БДС206-78 | |
| 30 | [Винт 1 А М6х14-5.6 БДС1358-85] | Винт 1 А М6х14-5.6 БДС1358-85 | |
| 31 | 2 5Н БДС833-82 | Шайба | |
| 32 | [Болт 1 М8х20-6g БДС2551-71/5.6] | Болт 1 М8х20-6g БДС2551-71/5.6 | |
| 33 | [Болт 1 М10х20-6g БДС2551-71/5.6] | Болт 1 М10х20-6g БДС2551-71/5.6 | |
| 34 | [Винт I М6х30-6g БДС1358-72/5.6] | Винт I М6х30-6g БДС1358-72/5.6 | |
| 35 | [Винт I М5х10-6g БДС1358-72/5.6] | Винт I М5х10-6g БДС1358-72/5.6 | |
| 36 | [Винт I М5х14-6g БДС1358-72/5.6] | Винт I М5х14-6g БДС1358-72/5.6 | |
| 37 | [Шарикоподшипник 6207-2z Р6Е БДС4884-78] | Шарикоподшипник 6207-2z Р6Е БДС4884-78 | |
| 38 | [Шарикоподшипник 6305-2z Р6Е БДС4884-78] | Шарикоподшипник 6305-2z Р6Е БДС4884-78 | |
| 39 | [Пружинное кольцо В35 БДС2170-77] | Пружинное кольцо В35 БДС2170-77 | |
| 40 | 506821.001.77 | Шпонка призматическая | |
| 41 | 29830.10.05 | Щеткодержатель | |
| 42 | 409811.002.77 | Гайка М10 | |
| 43 | 409891.006.77 | Шайба | |
| 44 | 409891.001.77 | Прокладочная шайба | |
| 45 | 403144.003.77 | Крышка подшипника | |
| 46 | 403144.004.77 | Крышка подшипника | |
| 47 | 405741.002.77 | Втулка |
Содержащиеся в справочниках-каталогах запасные части и детали не предлагаются к продаже, а носят исключительно информационный характер