Каталог запасных частей к технике: Балканкар Рекорд EB-695. Дополнительная гидравлическая система Н=3300мм
1
2
3
3
3
3
4
5
6
7
8
9
10
11
12
13
14
14
14
14
15
15
15
15
16
16
16
16
17
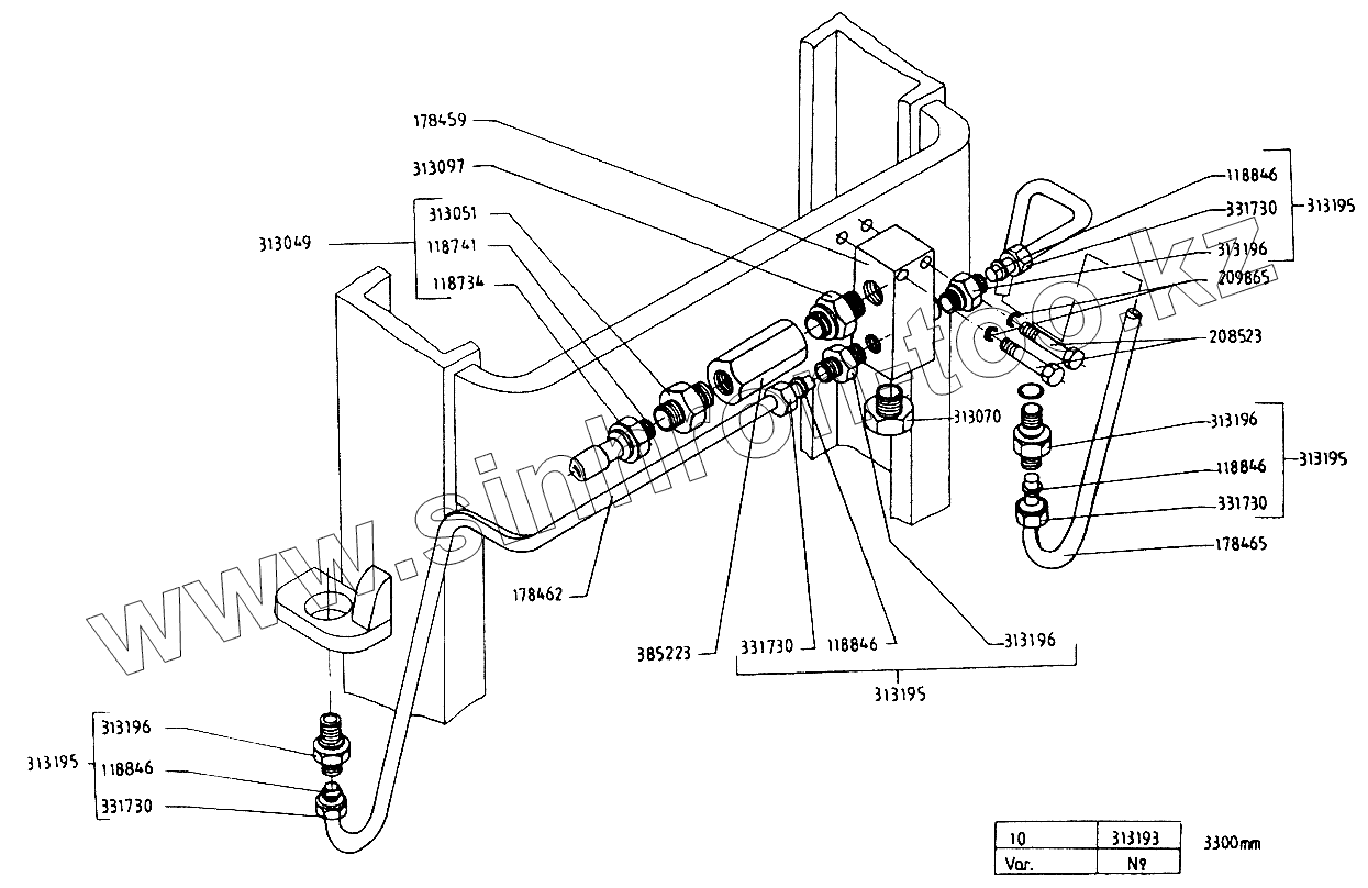
| Позиция на иллюстрации | Заводской номер детали | Название детали | |
|---|---|---|---|
| 1 | [Накидная гайка III 12 ОН-0455874-84] | Накидная гайка III 12 ОН-0455874-84 | |
| 2 | [Врезывающее кольцо III 12 ОН-0455874-84] | Врезывающее кольцо III 12 ОН-0455874-84 | |
| 3 | [Врезывающее кольцо II 10 ОН-0455874-84] | Врезывающее кольцо II 10 ОН-0455874-84 | |
| 4 | 695.33.2.15.00.00.05 | Блок | |
| 5 | 695.33.2.15.00.00.06 | Левая труба | |
| 6 | 695.33.2.15.00.00.07 | Правая труба | |
| 7 | [Болт 1 М8х60-6g БДС1232-72/5.6] | Болт 1 М8х60-6g БДС1232-72/5.6 | |
| 8 | [Шайба 2 8Н БДС833-82] | Шайба 2 8Н БДС833-82 | |
| 9 | 715.33.42.08.04.00.00 | Патрубок в сборе III Е 12/М18 | |
| 10 | 715.33.42.08.04.00.01 | Штуцер III Е12/М18 | |
| 11 | 715.33.42.08.00.00.04 | Пробка М18х1.5 | |
| 12 | 695.33.2.15.00.00.10 | Концевой патрубок М18 | |
| 13 | 695.33.2.15.00.00.00-10 | Дополнительная гидравлическая система | |
| 14 | 695.33.2.15.01.00.00 | Патрубок II Е 10/М18 в сборе | |
| 15 | 695.33.2.15.01.00.01 | Патрубок II Е 10/М18 | |
| 16 | [Накидная гайка II 10 ОН-0455874-84] | Накидная гайка II 10 ОН-0455874-84 | |
| 17 | [Регулируемый ограничитель потока ОДР 12/2/5 ОН-0455714-83] | Регулируемый ограничитель потока ОДР 12/2/5 ОН-0455714-83 |
Содержащиеся в справочниках-каталогах запасные части и детали не предлагаются к продаже, а носят исключительно информационный характер