Каталог запасных частей к технике: Балканкар Рекорд ДВ-1784. Управляемый мост
4925.300.00.00-03
1
2
2
3
3
4
5
5
6
7
8
8
9
10
11
12
13
13
14
15
16
17
18
18
19
20
20
21
21
22
22
22
23
24
25
26
27
28
29
30
31
32
33
33
34
34
35
36
37
38
39
40
41
42
43
44
45
46
47
47
47
47
48
48
48
48
49
50
50
51
52
52
53
53
54
55
55
56
56
57
58
59
60
61
62
63
64
65
66
68
69
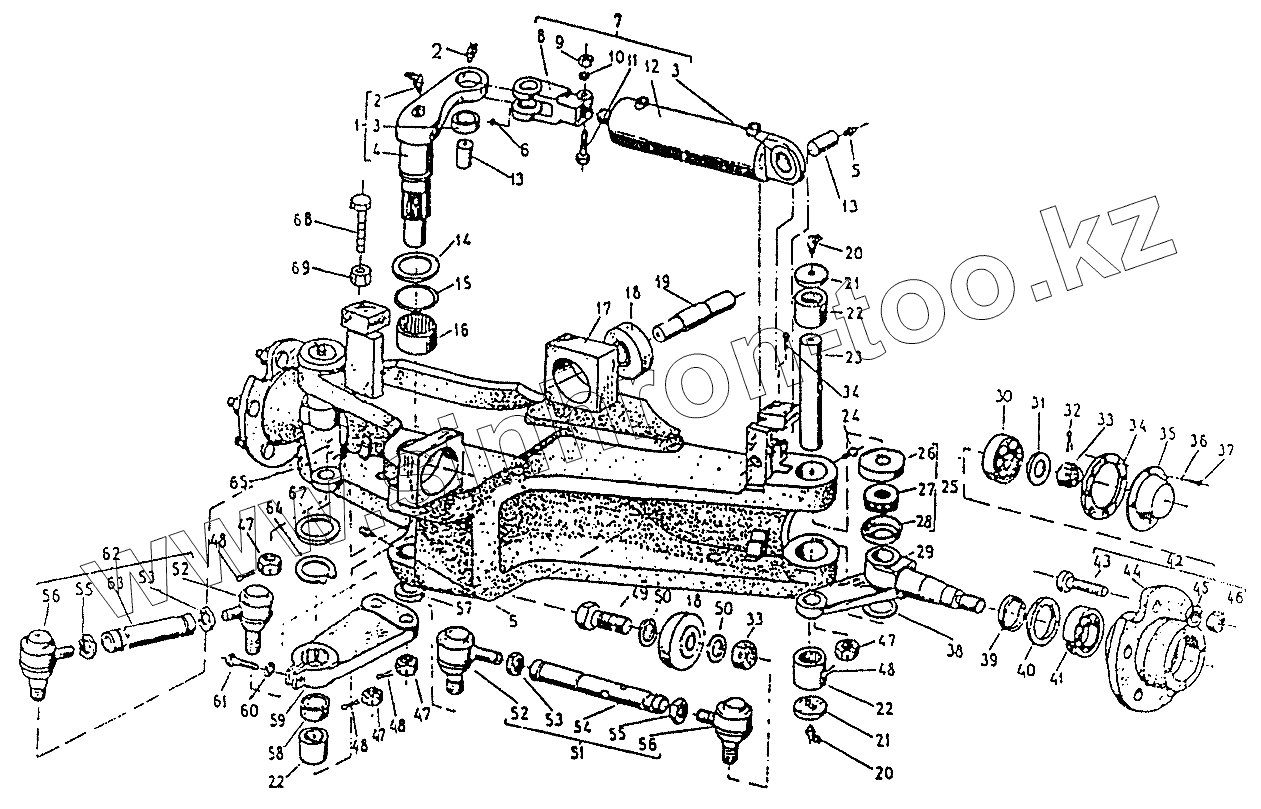
| Позиция на иллюстрации | Заводской номер детали | Название детали | |
|---|---|---|---|
| 4925.300.00.00-03 | 4925.300.00.00-03 | Управляемый мост | |
| 1 | 4925.306.00.00 | Вал сошки руля в сборе | |
| 2 | [Пресс-масленка 2.1.45 БДС1640-81] | Пресс-масленка 2.1.45 БДС1640-81 | |
| 3 | [Подшипник ШС25 ГОСТ3635-78] | Подшипник ШС25 ГОСТ3635-78 | |
| 4 | 4925.306.00.01 | Вал сошки руля | |
| 5 | 1640-81 | Пресс-масленка 1.1 | |
| 6 | [Винт М8х20-5.6 БДС832-83] | Винт М8х20-5.6 БДС832-83 | |
| 7 | 4925.305.00.00-01 | Цилиндр в сборе | |
| 8 | 4925.305.00.01 | Проушина | |
| 8 | 4925.305.00.02 | Проушина | |
| 9 | [Гайка М12-8 БДС744-83] | Гайка М12-8 БДС744-83 | |
| 10 | [Шайба 2-12Н БДС833-82] | Шайба 2-12Н БДС833-82 | |
| 11 | [Болт 2 М12х40-8.8 БДС1230-85] | Болт 2 М12х40-8.8 БДС1230-85 | |
| 12 | 5265.7S.00.00.00-02 | Гидравлический поршневой цилиндр 25ЦБХ411 (63х130)34 | |
| 13 | 4925.300.00.01 | Ось | |
| 14 | 4925.300.00.13 | Шайба | |
| 15 | [Кольцо 2х50-5-1 БДС7947-85] | Кольцо 2х50-5-1 БДС7947-85 | |
| 16 | [Игольчатый подшипник 943/50 ГОСТ4060-78] | Игольчатый подшипник 943/50 ГОСТ4060-78 | |
| 17 | 4925.301.00.00 | Балка в сборе | |
| 18 | [Подшипник 13/2166-02] | Подшипник 13/2166-02 | |
| 19 | 4925.300.00.14 | Ось | |
| 20 | [Пресс-масленка 2.3.45 БДС1640-81] | Пресс-масленка 2.3.45 БДС1640-81 | |
| 21 | 4925.300.00.07 | Пробка | |
| 22 | [Игольчатый подшипник 943/30 ГОСТ4060-78] | Игольчатый подшипник 943/30 ГОСТ4060-78 | |
| 23 | 4925.300.00.06 | Ось поворотного кулака | |
| 24 | 4925.300.00.17 | Винт | |
| 25 | 5925.307.00.00 | Подшипник упорный в сборе | |
| 26 | 4925.307.00.02 | Крышка | |
| 27 | [Подшипник 8206К ГОСТ6874-75] | Подшипник 8206К ГОСТ6874-75 | |
| 28 | 4925.307.00.01 | Крышка | |
| 29 | 4925.300.00.05 | Кулак поворотный правый | |
| 30 | [Подшипник 7507 ГОСТ333-79] | Подшипник 7507 ГОСТ333-79 | |
| 31 | 4925.300.00.09 | Шайба с зубцом | |
| 32 | [Шплинт 5х25 БДС55-77] | Шплинт 5х25 БДС55-77 | |
| 33 | 4901.00.00.10 | Гайка с прорезями | |
| 34 | 5026.00.00.10 | Уплотнительная шайба | |
| 35 | 4901.00.00.05 | Крышка | |
| 36 | [Шайба 2-6Н БДС833-82] | Шайба 2-6Н БДС833-82 | |
| 37 | [Винт 1А М6х12-5.6 БДС832-83] | Винт 1А М6х12-5.6 БДС832-83 | |
| 38 | 4925.300.00.15 | Регулирующая шайба | |
| 39 | 4925.300.00.08 | Втулка | |
| 40 | [Уплотнение А65х85х10-2 БДС9954-83] | Уплотнение А65х85х10-2 БДС9954-83 | |
| 41 | [Подшипник 7509 ГОСТ333-79] | Подшипник 7509 ГОСТ333-79 | |
| 42 | 4925.302.00.00 | Ступица в сборе | |
| 43 | 6187.03.00.04 | Болт колесный | |
| 44 | 4925.302.00.01 | Ступица | |
| 45 | С14,5 DIN74361 | Сферическая пружинная шайба | |
| 46 | 701.09.00.02 | Специальная гайка | |
| 47 | [Гайка 1В М18х1,5-08 БДС1254-82] | Гайка 1В М18х1,5-08 БДС1254-82 | |
| 48 | [Шплинт 4х36 БДС55-77] | Шплинт 4х36 БДС55-77 | |
| 49 | 4925.300.00.01 | Ось | |
| 50 | 4925.300.00.02 | Шайба | |
| 51 | 4925.304.00.00 | Штанга в сборе | |
| 52 | 8063.00.00.00 | Шаровое соединение 30 | |
| 53 | [Гайка М22х1,5-6Н-LH БДС1269-73] | Гайка М22х1,5-6Н-LH БДС1269-73 | |
| 54 | 4925.304.00.01 | Штанга | |
| 55 | [Гайка М22х1,5-6Н БДС1269-73] | Гайка М22х1,5-6Н БДС1269-73 | |
| 56 | 8060.00.00.00 | Шаровое соединение 30 | |
| 57 | 4925.300.00.11 | Пробка | |
| 58 | 4925.300.00.12 | Уплотнительная втулка | |
| 59 | 4925.300.00.03 | Сошка руля | |
| 60 | [Шайба 2-14Н БДС833-82] | Шайба 2-14Н БДС833-82 | |
| 61 | [Болт 2 М14х50-8.8 БДС1230-85] | Болт 2 М14х50-8.8 БДС1230-85 | |
| 62 | 4925.303.00.00 | Штанга в сборе | |
| 63 | 4925.303.00.01 | Штанга | |
| 64 | [Кольцо В50 БДС2170-77] | Кольцо В50 БДС2170-77 | |
| 65 | 4925.300.00.04 | Поворотный кулак левый | |
| 66 | 4925.300.00.16 | Шайба | |
| 68 | [Болт 2 М20х50-8.8 БДС1230-85] | Болт 2 М20х50-8.8 БДС1230-85 | |
| 69 | [Гайка М20-8 БДС744-91] | Гайка М20-8 БДС744-91 |
Содержащиеся в справочниках-каталогах запасные части и детали не предлагаются к продаже, а носят исключительно информационный характер