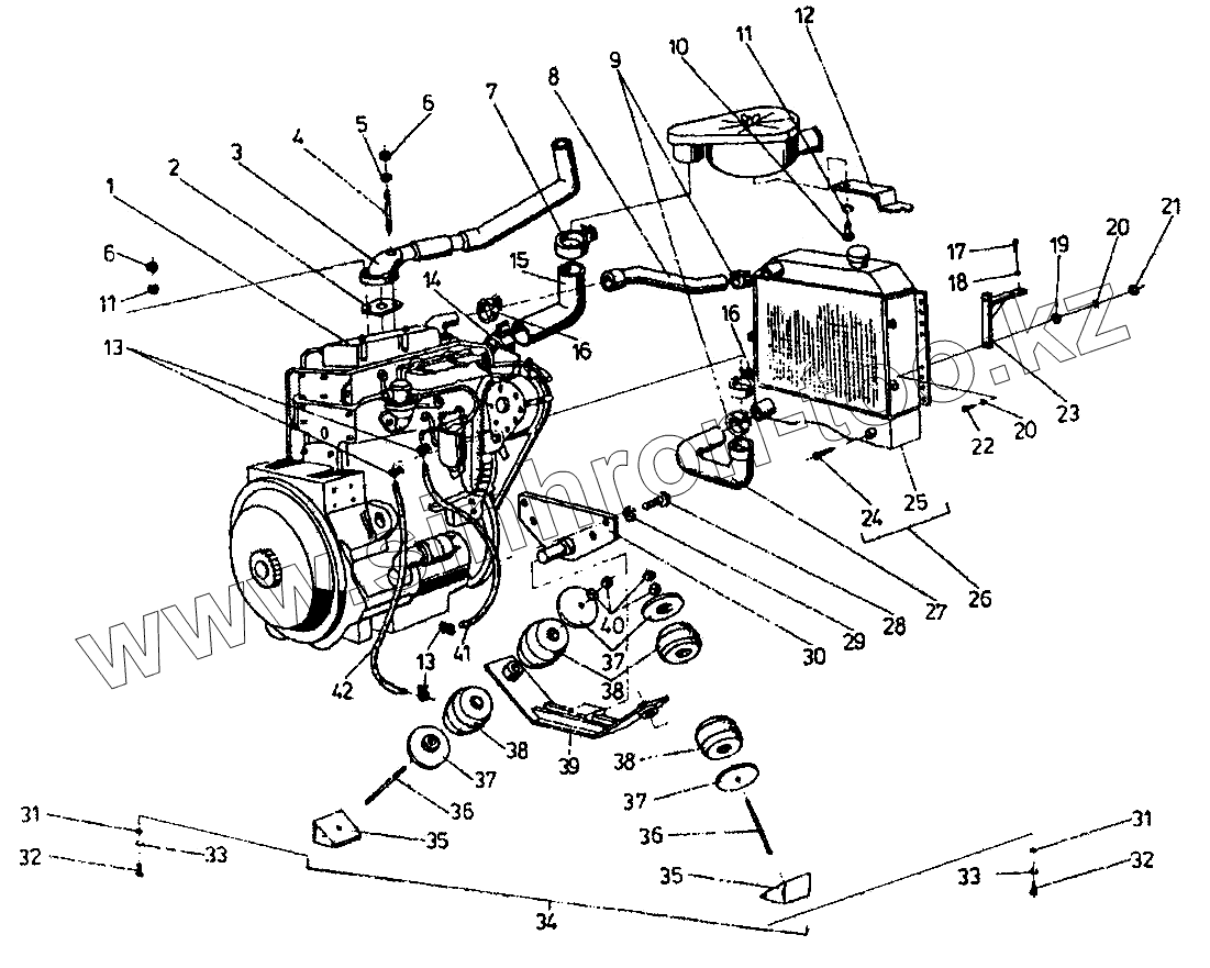
Каталог запасных частей к технике: Балканкар Рекорд ДВ-1661. Подвеска двигателя
1661.33.11.01.00.00
1
2
3
4
5
6
6
7
8
9
10
11
11
12
13
13
14
15
16
16
17
18
20
20
21
22
23
24
25
26
27
28
29
30
31
31
32
32
33
33
34
35
35
36
36
37
37
37
38
38
38
39
40
41
42
| Позиция на иллюстрации | Заводской номер детали | Название детали | |
|---|---|---|---|
| 1661.33.11.01.00.00 | 1661.33.11.01.00.00 | Подвеска двигателя | |
| 1 | 133145 | Двигатель Д2500К | |
| 2 | 1661.33.07.00.07.01 | Уплотнение | |
| 3 | 1661.33.10.07.03.00 | Труба выхлопная в сборе | |
| 4 | 1661.33.10.07.00.06 | Специальная шпилька | |
| 5 | [Кольцо II А10х16 Cu 99,7 БДС3605-73] | Кольцо II А10х16 Cu 99,7 БДС3605-73 | |
| 6 | [Гайка М10-7Н БДС744-72/5] | Гайка М10-7Н БДС744-72/5 | |
| 7 | [Скоба А72-74.5 БДС8648-71] | Скоба А72-74.5 БДС8648-71 | |
| 8 | 1661.33.10.07.00.03 | Выходная труба | |
| 9 | [Скоба А40-41 БДС8648-71] | Скоба А40-41 БДС8648-71 | |
| 10 | [Болт I М10х35-8g БДС1232-72/5,6] | Болт I М10х35-8g БДС1232-72/5,6 | |
| 11 | 2 10Н БДС833-82 | Шайба | |
| 12 | 1661.33.10.07.05.00 | Кронштейн (комплект) | |
| 13 | [Скоба А20-22 БДС8648-71] | Скоба А20-22 БДС8648-71 | |
| 14 | [Скоба А65.5-68 БДС8648-71] | Скоба А65.5-68 БДС8648-71 | |
| 15 | 1661.33.10.07.00.05 | Труба впускная II | |
| 16 | [Скоба А46-47 БДС8648-71] | Скоба А46-47 БДС8648-71 | |
| 17 | [Болт М8х30-8g БДС1 232-72/5,6] | Болт М8х30-8g БДС1 232-72/5,6 | |
| 18 | [Шайба 2-8Н БДС833-82] | Шайба 2-8Н БДС833-82 | |
| 20 | [Шайба 2-6Н БДС833-82] | Шайба 2-6Н БДС833-82 | |
| 21 | [Гайка М6-7Н БДС744-72/5] | Гайка М6-7Н БДС744-72/5 | |
| 22 | [Болт М6х16-8g БДС1232-72/5,6] | Болт М6х16-8g БДС1232-72/5,6 | |
| 23 | 1661.33.11.01.02.00 | Кронштейн | |
| 24 | 1661.33.10.07.04.01 | Краник | |
| 25 | 1661.33.10.07.04.02 | Радиатор | |
| 26 | 1661.33.10.07.04.00 | Радиатор в сборе | |
| 27 | 1661.33.10.07.00.01 | Труба впускная | |
| 28 | [Болт I М14х40-6g БДС1232-72/5,6] | Болт I М14х40-6g БДС1232-72/5,6 | |
| 29 | 2 14Н БДС833-82 | Шайба | |
| 30 | 1661.33.10.07.01.00 | Кронштейн в сборе | |
| 31 | [Шайба М12 БДС14494-78] | Шайба М12 БДС14494-78 | |
| 32 | [Болт I М12х25-8g БДС1232-72/5,6] | Болт I М12х25-8g БДС1232-72/5,6 | |
| 33 | 2 12Н БДС833-82 | Шайба | |
| 34 | 1661.33.11.01.01.00 | Гитара | |
| 35 | 1661.33.11.01.01.02 | Пята | |
| 36 | [Шпилька IМ14х154(18/40)-8g БДС1238-75/5,8] | Шпилька IМ14х154(18/40)-8g БДС1238-75/5,8 | |
| 37 | 1661.33.11.01.01.03.00 | Шайба II | |
| 38 | 1661.33.11.01.01.01 | Амортизатор | |
| 39 | 1661.33.11.01.01.01.00 | Балка в сборе | |
| 40 | [Гайка М14-7Н БДС1262-72/8] | Гайка М14-7Н БДС1262-72/8 | |
| 41 | [Шланг 8 (L=600) БДС7250-68] | Шланг 8 (L=600) БДС7250-68 | |
| 42 | [Шланг 8 (L=650) БДС7250-68] | Шланг 8 (L=650) БДС7250-68 |
Содержащиеся в справочниках-каталогах запасные части и детали не предлагаются к продаже, а носят исключительно информационный характер