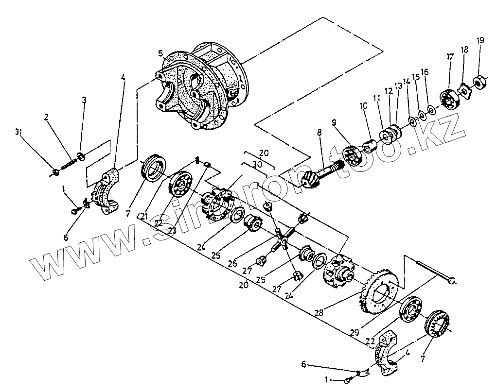
Каталог запасных частей к технике: Балканкар Рекорд ДВ-1661. Главная передача
6185.10.01.00.00
1
2
3
4
4
5
6
6
7
7
8
9
10
11
12
13
14
15
16
17
18
19
20
20
21
22
22
23
24
24
25
25
26
27
27
28
29
30
31
| Позиция на иллюстрации | Заводской номер детали | Название детали | |
|---|---|---|---|
| 6185.10.01.00.00 | 6185.10.01.00.00 | Главная передача | |
| 1 | [Болт I М8х12-8g БДС1232-72/5,6] | Болт I М8х12-8g БДС1232-72/5,6 | |
| 2 | [Шпилька I М12х55(15/30)-6g БДС1238-75/5,6] | Шпилька I М12х55(15/30)-6g БДС1238-75/5,6 | |
| 3 | 6206.02.00.05 | Шайба | |
| 4 | 6198.02.02.02 | Крышка | |
| 5 | 6185.10.01.00.01 | Корпус | |
| 6 | 6198.02.00.06 | Пластина стопорная | |
| 7 | 6198.02.00.01 | Гайка специальная | |
| 8 | 6185.10.01.00.02 | Шестерня ведущая | |
| 9 | 27308 | Подшипник ГОСТ7260-70 | |
| 10 | 6185.01.00.04 | Распорная втулка | |
| 11 | 6185.01.00.03 | Пластина регулирующая | |
| 12 | 6185.01.00.03-01 | Пластина регулирующая | |
| 13 | 6185.01.00.03-02 | Пластина регулирующая | |
| 14 | 6185.01.00.05 | Пластина регулирующая | |
| 15 | 6185.01.00.05-01 | Пластина регулирующая | |
| 16 | 6185.01.00.05-02 | Пластина регулирующая | |
| 17 | 7608 | Подшипник ГОСТ333-79 | |
| 18 | 6185.01.00.06 | Предохранительная шайба | |
| 19 | 6185.01.00.07 | Гайка | |
| 20 | 6199.02.01.00.Сn | Дифференциал | |
| 21 | [Шплинт 2,5х22 БДС55-77] | Шплинт 2,5х22 БДС55-77 | |
| 22 | 7210 | Подшипник ГОСТ333-79 | |
| 23 | [Гайка М10-6Н БДС1272-73/8] | Гайка М10-6Н БДС1272-73/8 | |
| 24 | 6198.02.01.06 | Шайба упорная | |
| 25 | 6198 | Шестерня планетарная | |
| 26 | 6198 | Шестерня планетарная | |
| 27 | 6198 | Шестерня планетарная | |
| 28 | 6199.02.01.01 | Коническая коронная шестерня | |
| 29 | 6198.02.01.05 | Болт | |
| 30 | 6198.02.01.01.00 | Кассета в сборе | |
| 31 | [Гайка М12-8 БДС744-83] | Гайка М12-8 БДС744-83 |
Содержащиеся в справочниках-каталогах запасные части и детали не предлагаются к продаже, а носят исключительно информационный характер