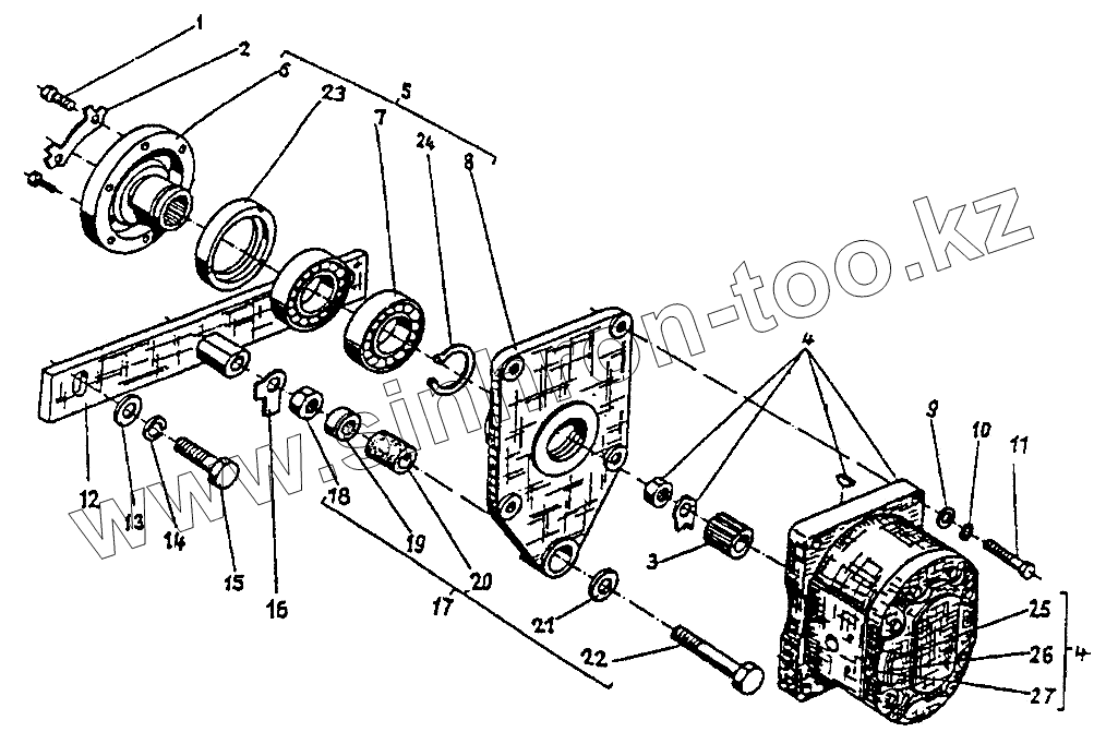
Каталог запасных частей к технике: Балканкар Рекорд ДВ-1621. Привод насоса
1
2
3
4
4
4
4
5
6
7
8
9
10
11
12
13
14
15
16
17
18
19
20
21
22
23
24
25
26
27
| Позиция на иллюстрации | Заводской номер детали | Название детали | |
|---|---|---|---|
| 1661.33.10.06.00.00.01 | 1661.33.10.06.00.00.01 | Привод насоса | |
| 1661.33.10.06.00.00 | 1661.33.10.06.00.00 | Привод насоса | |
| 1 | [Болт I М8х14-8g БДС1232-72/8,8] | Болт I М8х14-8g БДС1232-72/8,8 | |
| 2 | 1661.33.10.06.00.01 | Планка контровочная | |
| 3 | 1661.33.10.06.00.02 | Втулка зубчатая | |
| 4 | [Шестеренный насос А72Х-1 ОН-04 58917-72] | Шестеренный насос А72Х-1 ОН-04 58917-72 | |
| 4 | [Шестеренный насос А54Х-1 ОН-04 58917-72] | Шестеренный насос А54Х-1 ОН-04 58917-72 | |
| 5 | 1661.33.10.06.02.00 | Корпус в сборе | |
| 6 | 1661.33.10.06.02.02 | Фланец | |
| 7 | 6009-2RS | Подшипник шариковый БДС9884-77 | |
| 8 | 1661.33.10.06.02.01 | Корпус | |
| 9 | [Шайба М8 БДС14494-78] | Шайба М8 БДС14494-78 | |
| 10 | [Шайба 2 8Н БДС833-82] | Шайба 2 8Н БДС833-82 | |
| 11 | [Болт I М8х35-8g БДС1232-72/5,6] | Болт I М8х35-8g БДС1232-72/5,6 | |
| 12 | 1661.33.10.06.01.00 | Кронштейн в сборе | |
| 13 | [Шайба М14 БДС14494-78] | Шайба М14 БДС14494-78 | |
| 14 | 2 14Н БДС833-82 | Шайба | |
| 15 | [Болт I М14х45-8 БДС1232-72/5,6] | Болт I М14х45-8 БДС1232-72/5,6 | |
| 16 | [Предохранительная шайба 2-8 БДС1975-74] | Предохранительная шайба 2-8 БДС1975-74 | |
| 17 | 1661.33.10.06.03.00 | Амортизатор в сборе | |
| 18 | 1661.33.10.06.03.01 | Втулка | |
| 19 | [Гайка М12-7Н БДС1269-73/5] | Гайка М12-7Н БДС1269-73/5 | |
| 20 | 1661.33.10.06.03.02 | Амортизатор | |
| 21 | [Шайба М12 БДС14494-78] | Шайба М12 БДС14494-78 | |
| 22 | [Болт I М12х70-8g БДС1232-72/4,6] | Болт I М12х70-8g БДС1232-72/4,6 | |
| 23 | 1661.33.10.06.02.03 | Крышка | |
| 24 | [Кольцо В45 БДС21 70-77] | Кольцо В45 БДС21 70-77 | |
| 25 | 4870.00.07 | Уплотнительное кольцо | |
| 26 | 4870.00.06 | Кольцо | |
| 27 | 4315.00.11 | О-кольцо |
Содержащиеся в справочниках-каталогах запасные части и детали не предлагаются к продаже, а носят исключительно информационный характер