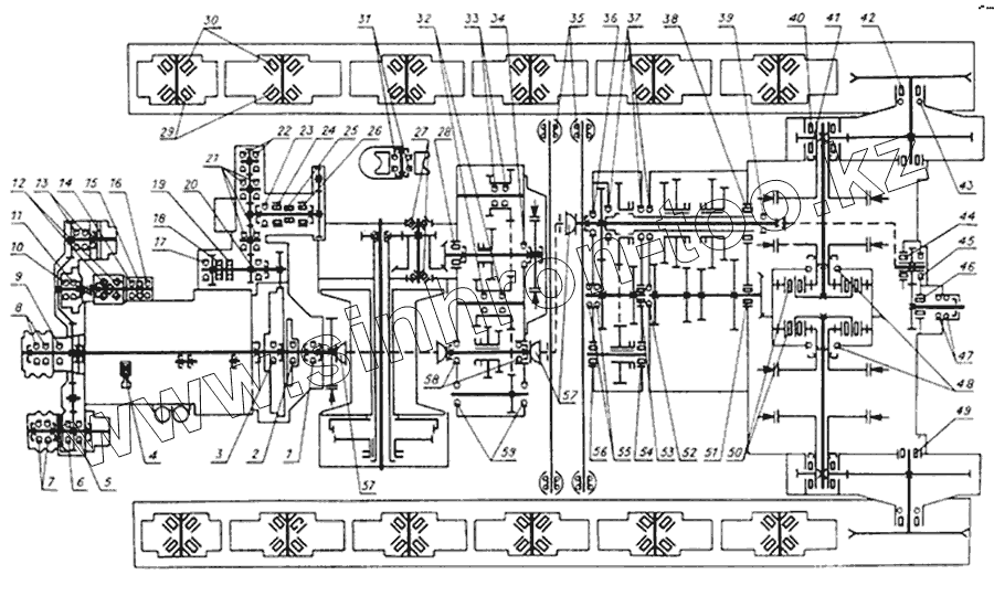
Каталог запасных частей к технике: АЗСМ МСН-10. Расположение подшипников качения
1
2
3
4
5
6
7
8
9
10
11
12
13
14
15
16
17
18
19
20
21
22
23
24
25
26
27
28
29
29
30
30
31
32
33
34
35
36
37
38
39
40
41
42
43
44
45
46
47
48
49
50
51
52
53
54
55
56
57
57
58
59
| Позиция на иллюстрации | Заводской номер детали | Название детали | |
|---|---|---|---|
| 212К5 | 212К5 | Подшипник 212К5 ГОСТ 8338-75 | |
| 206 | 206 | Подшипник 206 ГОСТ 8338-75 | |
| ШС-50 | ШС-50 | Подшипник шарнирный ГОСТ 3635-78 | |
| 310А | 310А | Подшипник 310А ГОСТ 8338-75 | |
| ШС-40 | ШС-40 | Подшипник шарнирный ГОСТ 3635-78 | |
| 1 | 412 | Шарикоподшипник 412, ГОСТ 8338-57 | |
| 2 | 46120 | Шарикоподшипник 46120, ГОСТ 831-62 | |
| 3 | 209 | Шарикоподшипник 209, ГОСТ 8338-57 | |
| 4 | РоликГОСТ6870-81 | Ролик игольчатый | |
| 5 | 207 | Подшипник 207 ГОСТ 8338-75 | |
| 6 | 204 | Подшипник 204 ГОСТ 8338-75 | |
| 7 | 207 | Подшипник 207 ГОСТ 8338-75 | |
| 8 | 305 | Шарикоподшипник 305, ГОСТ 8338-57 | |
| 9 | 304 | Шарикоподшипник 304, ГОСТ 8338-57 | |
| 10 | 209 | Шарикоподшипник 209, ГОСТ 8338-57 | |
| 11 | 205 | Подшипник 205 ГОСТ 8338-75 | |
| 12 | 7204А | Подшипник роликовый конический однорядный (20х47х15,25) ГОСТ 27365-87 | |
| 13 | 205 | Подшипник 205 ГОСТ 8338-75 | |
| 14 | 303 | Подшипник шариковый радиальный упорный (17х40х12) ГОСТ 8732-79 | |
| 15 | 8202 | Шарикоподшипник 8202, ГОСТ 6874-54 | |
| 16 | 200 | Шарикоподшипник радиальный однорядный 200 ГОСТ 8338-57 | |
| 17 | 305 | Шарикоподшипник 305, ГОСТ 8338-57 | |
| 18 | 8109 | Шарикоподшипник 8109, ГОСТ 6874-54 | |
| 19 | 8106 | Шарикоподшипник 8106, ГОСТ 6874-54 | |
| 20 | 208 | Шарикоподшипник 208, ГОСТ 8338-57 | |
| 21 | 202 | Подшипник шариковый радиальный однорядный (15х35х11) ГОСТ 8338-75 | |
| 22 | 202 | Подшипник шариковый радиальный однорядный (15х35х11) ГОСТ 8338-75 | |
| 23 | 205 | Подшипник 205 ГОСТ 8338-75 | |
| 24 | 2206 | Роликоподшипник радиальный 2206, ГОСТ 8328-57 | |
| 25 | РоликГОСТ6870-81 | Ролик игольчатый | |
| 26 | 2206 | Роликоподшипник радиальный 2206, ГОСТ 8328-57 | |
| 27 | 7610А | Подшипник роликовый конический однорядный (50х110х42,25) ТУ 37.006.162-89 | |
| 28 | 2712КМ | Подшипник 2712КМ | |
| 29 | 7615А | Подшипник роликовый конический однорядный (75х160х55) ГОСТ 520-89 | |
| 29 | 7615А | Подшипник роликовый конический однорядный (75х160х55) ГОСТ 520-89 | |
| 30 | 7313А | Подшипник роликовый конический однорядный (65х140х33) ГОСТ 520-89 | |
| 30 | 7313А | Подшипник роликовый конический однорядный (65х140х33) ГОСТ 520-89 | |
| 31 | 411 | Подшипник 411 ГОСТ 8338-75 | |
| 32 | 208А | Подшипник 208А ГОСТ 8338-75 | |
| 33 | 208А | Подшипник 208А ГОСТ 8338-75 | |
| 34 | 216К1 | Подшипник 216 К1 ГОСТ 8338-75 | |
| 35 | 1308 | Подшипник шариковый радиальный сферический двухрядный (40х90х23) ГОСТ 28428-90 | |
| 36 | 313К5 | Подшипник 313 К5 ГОСТ 8338-75 | |
| 37 | 216К1 | Подшипник 216 К1 ГОСТ 8338-75 | |
| 38 | 2311КМ | Подшипник роликовый (55х120х29) ГОСТ 8328-75 | |
| 39 | 210СД | Подшипник 210СД ГОСТ 83-38-75 | |
| 40 | 62315КМ | Подшипник 62315КМ ГОСТ 8328-75 | |
| 41 | 2220К2 | Подшипник 2220К2 ГОСТ 8328-75 | |
| 42 | 2222КМ | Подшипник 2222КМ ГОСТ 8328-75 | |
| 43 | 222 | Подшипник 222 ГОСТ 8338-75 | |
| 44 | 102212К1 | Подшипник 102212К1 ГОСТ 8328-75 | |
| 45 | 313 | Подшипник 313 ГОСТ 8338-75 | |
| 46 | 2609КМ | Подшипник 2609КМ ГОСТ 8328-75 | |
| 47 | 309К | Подшипник 309К ГОСТ 8338-75 | |
| 48 | 230Л | Подшипник 230Л ГОСТ 8338-75 | |
| 49 | 2318КМ | Подшипник 2318КМ ГОСТ 8328-75 | |
| 50 | РоликГОСТ6870-81 | Ролик игольчатый | |
| 51 | 2615КМ | Подшипник 2615КМ ГОСТ 8328-75 | |
| 52 | 411 | Подшипник 411 ГОСТ 8338-75 | |
| 53 | 12312КМ | Подшипник 12312КМ ГОСТ 8328-75 | |
| 54 | 12211КМ | Подшипник роликовый (55х100х21) ГОСТ 8328-75 | |
| 55 | 212К5 | Подшипник 212К5 ГОСТ 8338-75 | |
| 56 | 12210КМ | Подшипник 12210КМ ГОСТ 8328-75 | |
| 57 | 804805К2 | Подшипник игольчатый карданный ГОСТ 6870-81 | |
| 58 | 310А | Подшипник 310А ГОСТ 8338-75 | |
| 59 | 209К5 | Подшипник 209К5 ГОСТ 8338-75 |
Содержащиеся в справочниках-каталогах запасные части и детали не предлагаются к продаже, а носят исключительно информационный характер