Вернуться на главную
Поиск
Каталоги запчастей к технике
Спецтехника
АЗСМ
МСН-10
Мост задний
Каталог запасных частей к технике: АЗСМ МСН-10. Мост задний
zoom-in
zoom-out
enlarge
shrink
circle-right
circle-left
file-text2
info
cart
Тип техники
Не выбрано
Легковые автомобили
Грузовые автомобили и прицепы
Автобусы
Сельхозтехника
Спецтехника
Двигатели
Мототехника
Марка
Не выбрано
Ammann
BOMAG
CARMIX
CASE IH
Changlin
ChengGong
Dimex
Doosan
DYNAPAC
Foton
HAMM
Hidromek
Hitachi
Hyundai
JCB
JLG
John Deere
Komatsu
LIEBHERR
LiuGong
Lonking (LongGong)
Luneng
MANITOU
Mitsuber
New Holland
PENGPU
RM-Terex
SANY
SDLG
SEM
Shantui
Shehwa HBXG
Soosan
TIGARBO
VOGELE
Volvo
WAY
WIRTGEN
XCMG
XGMA
Xiamen
YTO
Yuchai
Zoomlion
Автокран
АЗСМ
Алтайлесмаш
Амкодор
АОМЗ
Атек
АТЗ
Балканкар Рекорд
БелАЗ
Беловеж
Борекс
Брянский Арсенал
Булат
ВЭКС
ГАЗ
Геомаш
Гидромаш
Донекс
Дормаш
Дормашина
Дорэлектромаш
ДЭЗ
ЕлАЗ
ЗЗГТ
Ижнефтемаш
Канаш-электрокар
КЗКТ
ККЗ
Клевер
Клинцовский автокрановый завод
КМЗ
КМЗ 1 Мая
Ковровец
Коммаш
Кранэкс
КЭЗ
КЭМЗ
ЛЗА
МАЗ
МЗИК
МЗКМ
МЗКТ
Михневский РМЗ
МоАЗ
Мозырский МЗ
МТЗ
ОЗП
Онежец
ПАО "ТЗА"
ППС Детва
Промтрактор
ПТЗ
Раскат
СпецАгрегат
ТВЭКС
ТТМ
УВЗ
Угличмаш
УЗТМ
ХТЗ
ЧЗКМ
ЧСДМ
ЧТЗ
ЭКСКО
ЭКСМАШ
ЮрМаш
Модель
Не выбрано
МСН-10 (2014)
Схема
>
Не выбрано
Облицовка трактора
Оборудование кабины
Установка вентилятора
Установка обогрева кабины
Установка подножки
Установка сиденья
Коробка передач
Вал промежуточный
Механизм переключения передач
Коробка раздаточная
Рычаг тормозной
Коробка раздаточная
Мост задний
Сателлит с осью, роликами и шайбами
Механизм тормозной
Кронштейн в сборе
Корпус заднего моста
Передача карданная
Передача конечная
Гусеница
Колесо направляющее с амортизатором
Подвеска
Рама
Управление трактором (1)
Управление трактором (2)
Управление трактором (3)
Вал управления (1)
Вал управления (2)
Кронштейн в сборе с втулками (1)
Кронштейн в сборе с втулками (2)
Кронштейн в сборе с втулками (3)
Кронштейн в сборе с втулками (4)
Труба
Проставка
Гидроусилитель
Генератор и счетчик моточасов
Электрооборудование и приборы
Аккумуляторная батарея
Фара
Бак гидросистемы (1)
Бак гидросистемы (2)
Вал отбора мощности
Гидропривод погрузочного устройства (1)
Гидропривод погрузочного устройства (2)
Гидропривод погрузочного устройства (3)
Лебедка (1)
Лебедка (2)
Лебедка (3)
Привод гидравлических насосов (1)
Привод гидравлических насосов (2)
Устройство погрузочное
Устройство прицепное
Расположение подшипников качения
Расположение уплотнительных манжет
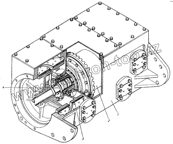
1
2
3
4
Позиция на иллюстрации
Заводской номер детали
Название детали
1
МТ4.38.045Р
Задний мост со вторичным валом
2
04.38.012А
Механизм планетарный в сборе
3
МТ4.38.016
Шестерня солнечная
4
04.38.015А
Уплотнение в сборе
Содержащиеся в справочниках-каталогах запасные части и детали не предлагаются к продаже, а носят исключительно информационный характер
Дополнительная информация
×
Название:
Номер:
Примечание: