Вернуться на главную
Поиск
Каталоги запчастей к технике
Спецтехника
Автокран
КС-6973А
Установка отопителя KC-6973A.55.000
Каталог запасных частей к технике: Автокран КС-6973А. Установка отопителя KC-6973A.55.000
zoom-in
zoom-out
enlarge
shrink
circle-right
circle-left
file-text2
info
cart
Тип техники
Не выбрано
Легковые автомобили
Грузовые автомобили и прицепы
Автобусы
Сельхозтехника
Спецтехника
Двигатели
Мототехника
Марка
Не выбрано
Ammann
BOMAG
CARMIX
CASE IH
Changlin
ChengGong
Dimex
Doosan
DYNAPAC
Foton
HAMM
Hidromek
Hitachi
Hyundai
JCB
JLG
John Deere
Komatsu
LIEBHERR
LiuGong
Lonking (LongGong)
Luneng
MANITOU
Mitsuber
New Holland
PENGPU
RM-Terex
SANY
SDLG
SEM
Shantui
Shehwa HBXG
Soosan
TIGARBO
VOGELE
Volvo
WAY
WIRTGEN
XCMG
XGMA
Xiamen
YTO
Yuchai
Zoomlion
Автокран
АЗСМ
Алтайлесмаш
Амкодор
АОМЗ
Атек
АТЗ
Балканкар Рекорд
БелАЗ
Беловеж
Борекс
Брянский Арсенал
Булат
ВЭКС
ГАЗ
Геомаш
Гидромаш
Донекс
Дормаш
Дормашина
Дорэлектромаш
ДЭЗ
ЕлАЗ
ЗЗГТ
Ижнефтемаш
Канаш-электрокар
КЗКТ
ККЗ
Клевер
Клинцовский автокрановый завод
КМЗ
КМЗ 1 Мая
Ковровец
Коммаш
Кранэкс
КЭЗ
КЭМЗ
ЛЗА
МАЗ
МЗИК
МЗКМ
МЗКТ
Михневский РМЗ
МоАЗ
Мозырский МЗ
МТЗ
ОЗП
Онежец
ПАО "ТЗА"
ППС Детва
Промтрактор
ПТЗ
Раскат
СпецАгрегат
ТВЭКС
ТТМ
УВЗ
Угличмаш
УЗТМ
ХТЗ
ЧЗКМ
ЧСДМ
ЧТЗ
ЭКСКО
ЭКСМАШ
ЮрМаш
Модель
Не выбрано
КС-3571 (2002)
КС-35714 (2002)
КС-35715 (2002)
КС-3574 (2002)
КС-3576 (2002)
КС-3577 (2003)
КС-4562
КС-45717К-1
КС-45717К-1 (вариант) (2010)
КС-6973А (2002)
Схема
>
Не выбрано
Установка кабины KC-6973A.52.000
Установка противовеса KC-6973A.94.000
Установка фиксатора KC-6973A.00.500
Кожух KC-6973A.53.000
Установка отопителя KC-6973A.55.000
Рама поворотная с механизмами KC-6973A.40.000
Крепление подпятников KC-6973A.00.100
Установка выносных опор KC-6973A.31.000
Установка выносных опор KC-6973A.31.000
Установка опоры поворотной KC-6973A.17.000
Приводы управления крановыми операциями KC-6973A70.000
Приводы управления крановыми операциями KC-6973A70.000
Привод управления двигателем KC-6973A.72.000
Гидрооборудование неповоротной части KC-6973A.83.000
Гидрооборудование неповоротной части KC-6973A.83.000
Гидрооборудование неповоротной части KC-6973A.83.000
Гидрооборудование крана KC-6973A.84.000
Гидрооборудование крана KC-6973A.84.000
Гидрооборудование крана KC-6973A.84.000
Гидрооборудование крана KC-6973A.84.000
Гидрооборудование стрелы КС-6973А.84.900
Гидроопора КС-6973А.31.200
Гидроцилиндр КС-6973А.31.300
Гидроцилиндр изменения вылета КС-6973А.63.400
Гидроцилиндр КС-6973.63.900-1
Гидроцилиндр КС-6973.63.900-01
Гидрораспределитель УЗ.30.00.000-3
Гидрораспределитель УЗ.21.00.000-3
Гидрораспределитель УЗ.30.00.000-01
Кран двухпозиционный У034.00.000-11
Гидрозамок КС-45717.31.400
Клапан обратный управляемый КС-3577.84.700-1
Клапан предохранительный КС-6973А.84.450
Блок гидроклапанов КС-6973А.84.430
Гидроклапан последовательности КС-6973А.84.700
Барабан шланговый КС-6973А.84.530
Клапан "ИЛИ" КС-3577.84.540-1
Соединение вращающееся КС-6973А.83.300
Пневмооборудование шасси KC-6973A.85.000
Установка креномеров KC-6973A.93.000
Электрооборудование KC-6973A.80.000
Ограничитель высоты подъема
Установка приборов безопасности КС-6973А.80.900
Панель управления КС-6973А.55.000
Токосъемник КС-6973А.80.200
Ограничитель наклона стрелы
Установка привода насосов KC-6973A.14.000
Редуктор отбора мощности КС-6973А.14.100
Установка гуська KC-6973A.62.000
Установка гуська KC-6973A.62.000
Установка телескопической стрелы KC-6973.63.000
Стрела телескопическая КС-6973.63.100
Стрела телескопическая КС-6973.63.100
Стрела телескопическая КС-6973.63.100
Подвеска крюковая КС-6973А.63.300
Подвеска крюковая КС-6973А.65.300
Установка стойки стрелы KC-6973A.37.000
Крепление крюковой подвески KC-6973A.00.600
Установка лебедки КС-6973А.26.000
Установка прижимного ролика КС-6973А.56.000
Установка вспомогательной лебедки КС-6973А.26.000
Кран на специальном шасси автомобильного типа KC-6973A.39.000
Инструмент и принадлежности KC-6973A.91.000
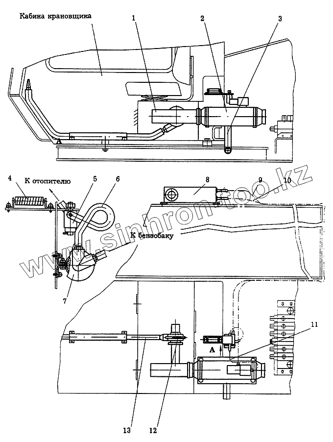
1
2
3
4
5
6
7
8
9
10
11
12
13
Позиция на иллюстрации
Заводской номер детали
Название детали
1
КС-6973А.55.100
Воздуховод
2
030-B4
Отопитель
3
КС-3577.55.009
Труба
4
OB65-2030
Электросопротивление 0,65 Ом
5
968-8106300-02
Бензоотстойник
6
КС-6973А.55.002
Рукав
7
BH203-10
Бензонасос
8
КС-45717.55.500
Бак
9
КС-6973А.55.004
Рукав
10
КС-6973А.55.003
Рукав
11
КС-6973А.55.001
Рукав
12
501-810.20.10
Вентилятор
13
КС-6973А.55.005
Рукав
Содержащиеся в справочниках-каталогах запасные части и детали не предлагаются к продаже, а носят исключительно информационный характер
Дополнительная информация
×
Название:
Номер:
Примечание: