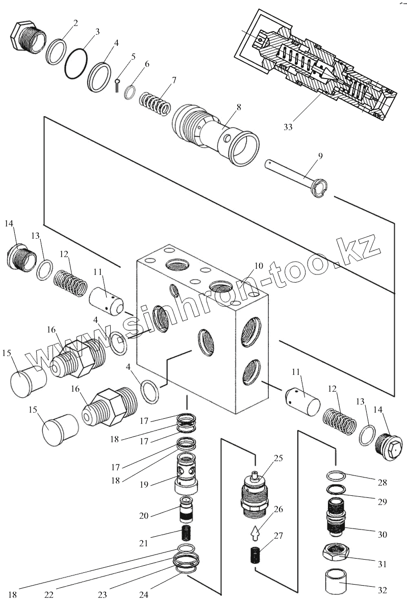
Каталог запасных частей к технике: Автокран КС-45717К-1 (вариант). Блок клапанный
1
2
3
4
4
4
5
6
7
8
9
10
11
11
12
12
13
13
14
14
15
15
16
16
17
17
17
18
18
18
19
20
21
22
23
24
25
26
27
28
29
30
31
32
33
| Позиция на иллюстрации | Заводской номер детали | Название детали | |
|---|---|---|---|
| 1 | КС-45717.84.432-3 | Пробка | |
| 2 | 021-025-25-2-2 | Кольцо ГОСТ9833-73 (d=20,5) | |
| 3 | У.3.20.10.117 | Кольцо | |
| 4 | 030-035-30-2-2 | Кольцо ГОСТ 9833-73 | |
| 5 | 1.6x12.016 | Шплинт | |
| 6 | КС-45717.84.436-3 | Шайба | |
| 7 | КС-45717.84.435-3 | Пружина | |
| 8 | КС-45717.84.433-3 | Втулка | |
| 9 | КС-45717.84.434-3 | Клапан | |
| 10 | КС-45717.84.431-1 | Корпус | |
| 11 | У.061.10.003-1 | Клапан | |
| 12 | У.061.10.004 | Пружина | |
| 13 | 023-028-30-2-2 | Кольцо ГОСТ9833-73 (d2=2,5) | |
| 14 | У.061.10.005-1 | Пробка | |
| 15 | У.061.00.011 | Заглушка | |
| 16 | КС-3577.83.045 | Штуцер | |
| 17 | 51020 00006 | Кольцо защитное | |
| 18 | 019-022-19-2-2 | Кольцо | |
| 19 | 51020 03001 | Втулка клапана | |
| 20 | 51020 00102 | Клапан | |
| 21 | 51020 00009 | Пружина | |
| 22 | 028-032-25-2-2 | Кольцо | |
| 23 | 51020 00004 | Кольцо защитное | |
| 24 | 51020 00005 | Кольцо запорное | |
| 25 | 51020 00103 | Втулка | |
| 26 | 63600 01003 | Клапан | |
| 27 | 63600 01007 | Пружина | |
| 28 | 018-022-25-2-2 | Кольцо ГОСТ9833-73 (d=17,5) | |
| 29 | 51020 00007 | Кольцо защитное | |
| 30 | 51020 00008 | Винт регулировочный | |
| 31 | M20x1.5-6H.04.029 | Гайка | |
| 32 | 51020 00010 | Пробка | |
| 33 | КП 20-250-40-ОС | Гидроклапан предохранительный |
Содержащиеся в справочниках-каталогах запасные части и детали не предлагаются к продаже, а носят исключительно информационный характер