Каталог запасных частей к технике: Автокран КС-4562. Установка гидрооборудования
1
2
3
4
5
6
7
7
7
8
8
8
9
9
10
10
11
12
13
14
15
16
17
18
19
20
21
22
23
24
25
26
27
27
28
28
29
30
31
32
33
34
35
36
37
38
38
39
40
41
42
43
44
45
46
47
48
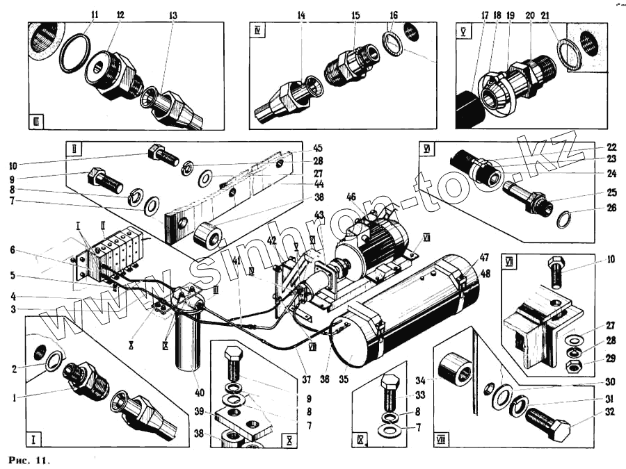
| Позиция на иллюстрации | Заводской номер детали | Название детали | |
|---|---|---|---|
| 1 | 4562.201.00.008 | Штуцер | |
| 2 | 23358.18.24.1.5 | Прокладка | |
| 3 | 4562.201.13.000 | Труба в сборе | |
| 4 | 4562.201.10.000 | Труба в сборе | |
| 5 | 4571.81.540 | Заглушка | |
| 6 | 346-1ЖЖЖЖЖ1 | Распределитель | |
| 7 | 11371.12 | Шайба | |
| 8 | 6402.65.12 | Шайба | |
| 9 | 7796.12.25 | Болт | |
| 10 | 7796.10.25 | Болт | |
| 11 | 9833.040.045.30 | Кольцо уплотнительное | |
| 12 | 4561А-1.106.00.012 | Штуцер | |
| 13 | 4562.201.11.000 | Труба в сборе | |
| 14 | 4562.201.12.000 | Труба в сборе | |
| 15 | 4562.201.00.013 | Штуцер | |
| 16 | 23358.22.27.1.5 | Прокладка | |
| 17 | 10362.25.35.16.550 | Рукав | |
| 18 | 4571.81.130-01 | Хомут | |
| 19 | 397.03.2.50 | Шплинт | |
| 20 | 4562.201.09.000 | Штуцер в сборе | |
| 21 | 23358.27.32.2.0 | Прокладка | |
| 22 | 4571.81.130 | Хомут | |
| 23 | 397.02.0.16 | Шплинт | |
| 24 | 10362.12.20.16.650 | Рукав | |
| 25 | 4561А.103.00.320 | Штуцер | |
| 26 | 23358.16.22.1.5 | Прокладка | |
| 27 | 11371.10 | Шайба | |
| 28 | 6402.65.10 | Шайба | |
| 29 | 5915.10 | Гайка | |
| 30 | 11371.16 | Шайба | |
| 31 | 6402.65.16 | Шайба | |
| 32 | 7796.16.40 | Болт | |
| 33 | 7796.12.30 | Болт | |
| 34 | 4571-1.88.002 | Бобышка | |
| 35 | 4562.201.02.000 | Бак масляный | |
| 36 | 4561А-1.106.17.000 | Труба в сборе | |
| 37 | 10362.25.35.16.650 | Рукав | |
| 38 | 4573.30.105-01 | Бобышка | |
| 39 | 4562.201.00.006 | Кронштейн | |
| 40 | 1.1.32.25И | Фильтр | |
| 41 | РВД 16.850У | Рукав высокого давления | |
| 42 | 4562.201.03.000 | Кронштейн | |
| 43 | 4562.201.01.000 | Привод насоса | |
| 44 | 4562.201.00.011 | Лист | |
| 45 | 4562.201.00.007 | Табличка | |
| 46 | 4562.201.03.000-01 | Кронштейн | |
| 47 | 5915.12 | Гайка | |
| 48 | 4562.201.04.000 | Хомут |
Содержащиеся в справочниках-каталогах запасные части и детали не предлагаются к продаже, а носят исключительно информационный характер