Вернуться на главную
Поиск
Каталоги запчастей к технике
Спецтехника
Автокран
КС-4562
Установка генератора
Каталог запасных частей к технике: Автокран КС-4562. Установка генератора
zoom-in
zoom-out
enlarge
shrink
circle-right
circle-left
file-text2
info
cart
Тип техники
Не выбрано
Легковые автомобили
Грузовые автомобили и прицепы
Автобусы
Сельхозтехника
Спецтехника
Двигатели
Мототехника
Марка
Не выбрано
Ammann
BOMAG
CARMIX
CASE IH
Changlin
ChengGong
Dimex
Doosan
DYNAPAC
Foton
HAMM
Hidromek
Hitachi
Hyundai
JCB
JLG
John Deere
Komatsu
LIEBHERR
LiuGong
Lonking (LongGong)
Luneng
MANITOU
Mitsuber
New Holland
PENGPU
RM-Terex
SANY
SDLG
SEM
Shantui
Shehwa HBXG
Soosan
TIGARBO
VOGELE
Volvo
WAY
WIRTGEN
XCMG
XGMA
Xiamen
YTO
Yuchai
Zoomlion
Автокран
АЗСМ
Алтайлесмаш
Амкодор
АОМЗ
Атек
АТЗ
Балканкар Рекорд
БелАЗ
Беловеж
Борекс
Брянский Арсенал
Булат
ВЭКС
ГАЗ
Геомаш
Гидромаш
Донекс
Дормаш
Дормашина
Дорэлектромаш
ДЭЗ
ЕлАЗ
ЗЗГТ
Ижнефтемаш
Канаш-электрокар
КЗКТ
ККЗ
Клевер
Клинцовский автокрановый завод
КМЗ
КМЗ 1 Мая
Ковровец
Коммаш
Кранэкс
КЭЗ
КЭМЗ
ЛЗА
МАЗ
МЗИК
МЗКМ
МЗКТ
Михневский РМЗ
МоАЗ
Мозырский МЗ
МТЗ
ОЗП
Онежец
ПАО "ТЗА"
ППС Детва
Промтрактор
ПТЗ
Раскат
СпецАгрегат
ТВЭКС
ТТМ
УВЗ
Угличмаш
УЗТМ
ХТЗ
ЧЗКМ
ЧСДМ
ЧТЗ
ЭКСКО
ЭКСМАШ
ЮрМаш
Модель
Не выбрано
КС-3571 (2002)
КС-35714 (2002)
КС-35715 (2002)
КС-3574 (2002)
КС-3576 (2002)
КС-3577 (2003)
КС-4562
КС-45717К-1
КС-45717К-1 (вариант) (2010)
КС-6973А (2002)
Схема
>
Не выбрано
Установка кабины
Кабина
Установка кондиционера
Облицовка шасси
Кран автомобильный (общий вид)
Кран автомобильный (общий вид)
Установка рамы
Стабилизатор
Установка фиксатора
Установка выносных опор
Опорно-поворотное устройство
Опора поворотная
Портал
Редуктор
Редуктор
Механизм подъема стрелы
Механизм поворота
Редуктор механизма поворота
Лебедка механизма главного подъема
Лебедка вспомогательного подъема
Стрела выдвижная
Стрела выдвижная
Стрела выдвижная
Установка стойки поддержки стрелы
Стрела
Вставка
Вставка
Стойка поддержи стрелы
Уравнительный блок
Полиспаст
Обойма крюковая
Обойма крюковая малая
Установка гуська
Установка кожуха
Установка конечного выключателя подъема груза
Установка конечного выключателя подъема стрелы
Установка датчика угла ОНК—М
Указатель грузоподъемности
Растяжки и канаты
Растяжки и канаты
Гидроцилиндр
Гидроцилиндр
Фильтр линейный
Гидрозамок односторонний
Установка гидрооборудования (разводка трубопроводов по нижней раме)
Установка гидрооборудования
Установка гидрооборудования
Привод насоса
Управление коробкой отбора мощности
Управление топливоподачей
Ящик управления
Пульт управления
Тормоз
Установка тормоза механизма поворота
Тормоз механизма поворота
Установка электроаппаратуры и кабельная разводка по шасси и неповоротной раме
Установка электроаппаратуры и кабельная разводка по шасси и неповоротной раме
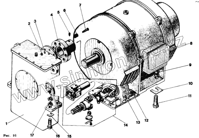
Установка генератора
Электродвигатель
Установка электрооборудования на поворотной раме
Кабельная разводка по коробчатой стреле
Кабельная разводка по поворотной раме
Кабельная разводка по поворотной раме
Кабельная разводка по решетчатой стреле
Кабельная разводка по гуську
Размещение запасных частей, инструмента и принадлежностей на кране
1
2
3
4
5
6
7
8
9
10
11
12
13
14
15
16
17
Позиция на иллюстрации
Заводской номер детали
Название детали
1
4562.103.10.000
Редуктор
2
5915.12
Гайка
3
6402.65.12
Шайба
4
4362.303.00.03
Полумуфта
5
1478.08.20
Винт
6
4362.310.00.005
Кольцо
7
4362.310.00.03
Палец
8
ЕСС5-91-4У2
Генератор
9
5915.27
Гайка
10
4362.303.00.22
Прокладка
11
7795.27.90
Болт
12
214.4202010
Коробка отбора мощности
13
3128.10.20
Штифт
14
4562.103.11.000
Карданный вал
15
4362.303.00.25
Прокладка
16
7795.20.70
Болт
17
5915.20
Гайка
Содержащиеся в справочниках-каталогах запасные части и детали не предлагаются к продаже, а носят исключительно информационный характер
Дополнительная информация
×
Название:
Номер:
Примечание: