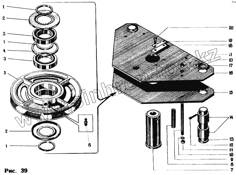
Каталог запасных частей к технике: Автокран КС-4562. Уравнительный блок
1
1
1
2
2
3
3
4
5
6
7
8
9
10
10
11
11
12
13
14
15
16
17
18
19
20
| Позиция на иллюстрации | Заводской номер детали | Название детали | |
|---|---|---|---|
| 1 | 162.302.00.11 | Кольцо промежуточное | |
| 2 | 162404.00.27 | Крышка | |
| 3 | 8338.02.20 | Подшипник | |
| 4 | 162.302.00.12 | Кольцо распорное | |
| 5 | 4561А.302.00.010 | Блок | |
| 6 | 19853.01.2 | Масленка | |
| 7 | 4562.410.07.002 | Ось | |
| 8 | 4562.410.07.004 | Втулка | |
| 9 | 4562.410.07.005 | Шпилька | |
| 10 | 6402.65.12 | Шайба | |
| 11 | 5915.12 | Гайка | |
| 12 | 397.10.0.100 | Шплинт | |
| 13 | 4562.410.00.002 | Ось | |
| 14 | 4562.410.00.004 | Втулка | |
| 15 | 4562.410.07.001-01 | Щека | |
| 16 | 4562.410.07.001 | Щека | |
| 17 | 9649.60 | Шайба | |
| 18 | 162.405.00.23 | Оседержатель | |
| 19 | 162.405.00.21 | Шайба-замок | |
| 20 | 162.405.00.19 | Болт |
Содержащиеся в справочниках-каталогах запасные части и детали не предлагаются к продаже, а носят исключительно информационный характер