Каталог запасных частей к технике: Автокран КС-4562. Стрела выдвижная
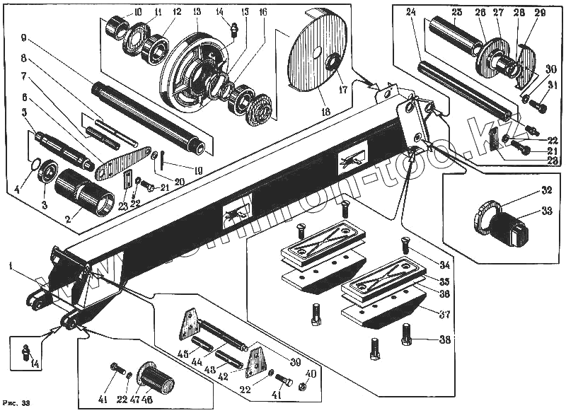
1
2
3
4
5
6
7
8
9
10
11
12
13
14
14
15
16
17
18
19
20
21
21
22
22
22
22
23
23
24
25
26
27
28
29
30
31
32
33
34
35
36
37
38
39
40
41
41
42
43
44
45
46
47
| Позиция на иллюстрации | Заводской номер детали | Название детали | |
|---|---|---|---|
| 1 | 4562.450.02.000 | Основание стрелы | |
| 2 | 4562.450.11.002 | Ролик | |
| 3 | 7242.60.207 | Подшипник | |
| 4 | 13942.Б-35 | Колцо | |
| 5 | 4562.450.11.001 | Ось | |
| 6 | 4562.450.01.003 | Планка | |
| 7 | 4562.450.01.019 | Труба | |
| 8 | 4562.450.01.020 | Ось | |
| 9 | 4562.450.01.010 | Ось | |
| 10 | 4562.450.01.009 | Втулка | |
| 11 | 162.404.00.27 | Крышка | |
| 12 | 8338.02.20 | Подшипник | |
| 13 | 1561А.302.00.010 | Блок | |
| 14 | 19853.01.2 | Масленка | |
| 15 | 162.302.00.12 | Кольцо распорное | |
| 16 | 162.302.00.11 | Кольцо промежуточное | |
| 17 | 4561А.401.20.001 | Гайка | |
| 18 | 4562.450.13.000 | Кожух | |
| 19 | 397.04.0.25 | Шплинт | |
| 20 | 11371.20 | Шайба | |
| 21 | 7798.12.20 | Болт | |
| 22 | 6402.65.12 | Шайба | |
| 23 | 22.124.40.50 | Оседержатель | |
| 24 | 4562.450.01.006 | Ось | |
| 25 | 4562.450.01.007 | Труба | |
| 26 | 4562.450.10.001 | Блок | |
| 27 | 4562.450.10.002 | Втулка | |
| 28 | 4562.450.01.008 | Прокладка | |
| 29 | 4562.450.12.000 | Кожух | |
| 30 | 6402.65.08 | Шайба | |
| 31 | 7798.08.16 | Болт | |
| 32 | 11871.60 | Гайка | |
| 33 | 4572.63.280 | Упор | |
| 34 | 1.475.12.30 | Винт | |
| 35 | 4572.63.104 | Плита скольжения | |
| 36 | 4572.63.163 | Прокладка | |
| 37 | 4572.63.106 | Башмак | |
| 38 | 7798.16.40 | Болт | |
| 39 | 4562.450.00.004 | Ось | |
| 40 | 5915.12 | Гайка | |
| 41 | 7796.12.30 | Болт | |
| 42 | 4562.450.00.006 | Щека | |
| 43 | 4562.450.00.005-01 | Труба | |
| 44 | 4562.450.00.005 | Труба | |
| 45 | 4562.450.00.005-02 | Труба. | |
| 46 | 4562.450.00.003 | Ось | |
| 47 | 4561А.401.00.021 | Планка |
Содержащиеся в справочниках-каталогах запасные части и детали не предлагаются к продаже, а носят исключительно информационный характер