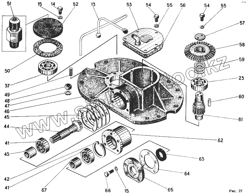
Каталог запасных частей к технике: Автокран КС-4562. Редуктор механизма поворота
13
14
15
15
23
37
41
41
42
43
44
45
46
47
48
49
50
51
52
53
54
54
55
55
56
57
58
59
60
61
62
63
64
65
66
67
| Позиция на иллюстрации | Заводской номер детали | Название детали | |
|---|---|---|---|
| 1 | 104.306.00.26 | Эксцентрик | |
| 2 | 3128.2.10.20 | Штифт | |
| 3 | 162.306.00.48 | Вал-шестерня | |
| 4 | 8789.16.10.50 | Шпонка | |
| 5 | 104.306.00.06 | Шестерня | |
| 6 | 4362.306.00.07 | Прокладка | |
| 7 | 4362.306.00.02 | Прокладка | |
| 8 | 8968.15 | Контргайка | |
| 9 | 4561А.306.01.004 | Трубка | |
| 10 | 162.306.00.50 | Пробка | |
| 11 | 4362.306.04 | Насос смазочный | |
| 12 | 4561А.306.01.002 | Пробка | |
| 13 | 4561А.306.17.000 | Трубка распределительная | |
| 14 | 7796.12.30 | Болт | |
| 15 | 6402.65.12 | Шайба | |
| 16 | 162.306.00.01Г | Корпус редуктора | |
| 17 | 162.306.00.31А | Вал вертикальный | |
| 18 | 162.405.00.25 | Кольцо промежуточное | |
| 19 | 162.306.00.45 | Кольцо | |
| 20 | 9833.180.190.58 | Кольцо | |
| 21 | 162.306.00.32Б | Крышка | |
| 22 | 8752.95.120 | Манжета | |
| 23 | 5720.13.09 | Подшипник | |
| 24 | 4571-28.117 | Шайба | |
| 25 | 162.306.00.49 | Шестерня | |
| 26 | 162.306.00.25 | Отражатель | |
| 27 | 1627306.00.33 | Шайба | |
| 28 | 8338.03.18 | Подшипник | |
| 29 | 162.306.00.39А | Втулка упорная | |
| 30 | 4362.306.00.09 | Прокладка | |
| 31 | 162.306.00.14Б | Крышка | |
| 32 | 8752.95.120 | Манжета | |
| 33 | 162.306.00.55 | Кольцо | |
| 34 | 162.306.00.34А | Шестерня | |
| 35 | 19853.01.2 | Масленка | |
| 36 | 8328.23.18 | Подшипник | |
| 37 | 8338.03.10 | Подшипник | |
| 38 | 4362.306.00.10 | Прокладка | |
| 39 | 162.306.00.15 | Крышка | |
| 40 | 7796.16.55 | Болт | |
| 41 | 8338.03.18 | Подшипник | |
| 42 | 13943.90Б | Кольцо | |
| 43 | 104.306.00.30 | Втулка дистанционная | |
| 44 | 162.306.00.58А | Вал-шестерня коническая | |
| 45 | 104.306.00.32А | Прокладка регулировочная | |
| 46 | 104.306.00.02А | Крышка редуктора | |
| 47 | 6402.65.16 | Шайба | |
| 48 | 5915.16 | Гайка | |
| 49 | 3129.10.50 | Штифт | |
| 50 | 4362.306.00.08 | Прокладка | |
| 51 | 4561А.306.01.022 | Штуцер | |
| 52 | 4362.306.00.13 | Крышка | |
| 53 | 4362.306.05 | Крышка | |
| 54 | 7796.08.20 | Болт | |
| 55 | 6402.65.08 | Шайба | |
| 56 | 4362.306.00.06 | Прокладка | |
| 57 | 4571.28.116 | Шайба | |
| 58 | 162.306.00.35Ж | Колесо коническое | |
| 59 | 104.306.00.22 | Прокладка регулировочная | |
| 60 | 8789.12.08.32 | Шпонка | |
| 61 | 162.306.00.46 | Вал-шестерня | |
| 62 | 162.306.00.40 | Стакан горизонтальный | |
| 63 | 8752.50.70 | Манжета | |
| 64 | 4362.306.00.07 | Прокладка | |
| 65 | 162.306.00.37А | Крышка | |
| 66 | 7796.12.40 | Болт | |
| 67 | 4561А.306.00.006 | Втулка распорная |
Содержащиеся в справочниках-каталогах запасные части и детали не предлагаются к продаже, а носят исключительно информационный характер