Каталог запасных частей к технике: Автокран КС-4562. Портал
1
2
2
2
3
3
3
4
4
5
5
6
6
7
8
9
10
11
12
13
13
13
13
14
14
15
15
16
16
17
17
18
19
20
20
21
22
22
23
24
25
26
27
28
29
30
31
32
32
32
32
32
33
34
35
36
37
38
38
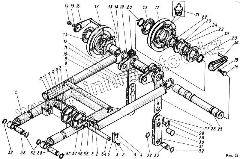
| Позиция на иллюстрации | Заводской номер детали | Название детали | |
|---|---|---|---|
| 1 | 4562.302.01.000 | Стойка передняя | |
| 2 | 7796.12.25 | Болт | |
| 3 | 6402.65.12 | Шайба | |
| 4 | 397.02.5.16 | Шплинт | |
| 5 | 11371.12 | Шайба | |
| 6 | 4562.302.00.010 | Планка | |
| 7 | 4562.302.00.011 | Ось | |
| 8 | 4561А.302.12.000 | Каток | |
| 9 | 4562.302.00.008 | Серьга | |
| 10 | 4562.302.00.002-04 | Втулка | |
| 11 | 4562.302.00.002-03 | Втулка | |
| 12 | 4562.302.00.002 | Втулка | |
| 13 | 162.404.00.027 | Крышка | |
| 14 | 7796.20.40 | Болт | |
| 15 | 6402.65.20 | Шайба | |
| 16 | 4562.302.02.000 | Кронштейн | |
| 17 | 4561А.302.00.010 | Блок | |
| 18 | 4562.302.00.002-01 | Втулка | |
| 19 | 4562.302.00.002-02 | Втулка | |
| 20 | 4562.302.00.002-05 | Втулка | |
| 21 | 19853.01.2 | Масленка | |
| 22 | 8338.02.20 | Подшипник | |
| 23 | 162.302.00.11 | Кольцо промежуточное | |
| 24 | 162.302.00.12 | Кольцо распорное | |
| 25 | 4562.302.00.001 | Ось | |
| 26 | 4562.302.00.006 | Стойка задняя | |
| 27 | 397.05.0.36 | Шплинт | |
| 28 | 9650.25.55 | Ось | |
| 29 | 397.10.0.71 | Шплинт | |
| 30 | 162.302.00.21 | Валик шарнирный | |
| 31 | 162.302.03Б | Стойка задняя | |
| 32 | 13940.В60 | Кольцо | |
| 33 | 4561А.302.00.011 | Ось | |
| 34 | 4562.302.00.009 | Ось | |
| 35 | 22.124.40.60 | Оседержатель | |
| 36 | 4562.450.10.002 | Втулка | |
| 37 | 4562.450.10.000 | Блок | |
| 38 | 4562.302.00.007 | Ось |
Содержащиеся в справочниках-каталогах запасные части и детали не предлагаются к продаже, а носят исключительно информационный характер