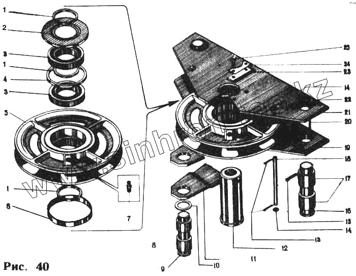
Каталог запасных частей к технике: Автокран КС-4562. Полиспаст
1
1
1
2
3
3
4
5
6
7
8
9
10
11
12
13
14
14
15
16
17
18
19
20
21
22
23
24
25
| Позиция на иллюстрации | Заводской номер детали | Название детали | |
|---|---|---|---|
| 1 | 162.302.00.11 | Кольцо промежуточное | |
| 2 | 162.404.00.27 | Крышка | |
| 3 | 8338.02.20 | Подшипник | |
| 4 | 162.302.00.12 | Кольцо распорное | |
| 5 | 4561А.302.00.010 | Блок | |
| 6 | 4561А.401.00.002 | Кольцо | |
| 7 | 19853.01.2 | Масленка | |
| 8 | 4562.404.00.002 | Втулка | |
| 9 | 4562.404.00.001 | Ось | |
| 10 | 9649.70 | Шайба | |
| 11 | 4562.404.01.001 | Ухо | |
| 12 | 4561А.404.00.001 | Ось | |
| 13 | 397.04.0.28 | Шплинт | |
| 14 | 9649.16 | Шайба | |
| 15 | 397.10.0.100 | Шплинт | |
| 16 | 4561А.404.00.006 | Палец | |
| 17 | 4561А.404.00.004 | Втулка | |
| 18 | 4561А.404.00.003 | Ограничитель | |
| 19 | 4562.404.01.000 | Щека | |
| 20 | 4561А.404.00.006 | Палец | |
| 21 | 4562.404.01.000-01 | Щека | |
| 22 | 9649.60 | Шайба | |
| 23 | 162.405.0023 | Оседержатель | |
| 24 | 162.405.00.21 | Шайба-замок | |
| 25 | 162.405.00.19 | Болт |
Содержащиеся в справочниках-каталогах запасные части и детали не предлагаются к продаже, а носят исключительно информационный характер